Curiosii for ever!
: Car repair manuals for everyone.
Home
>>
Porsche
>>
2004
>>
Cayenne Turbo (9PA) V8-4.5L Turbo
>>
Repair and Diagnosis
>>
Powertrain Management
>>
Computers and Control Systems
>>
Air Flow Meter/Sensor
>>
Locations
>>
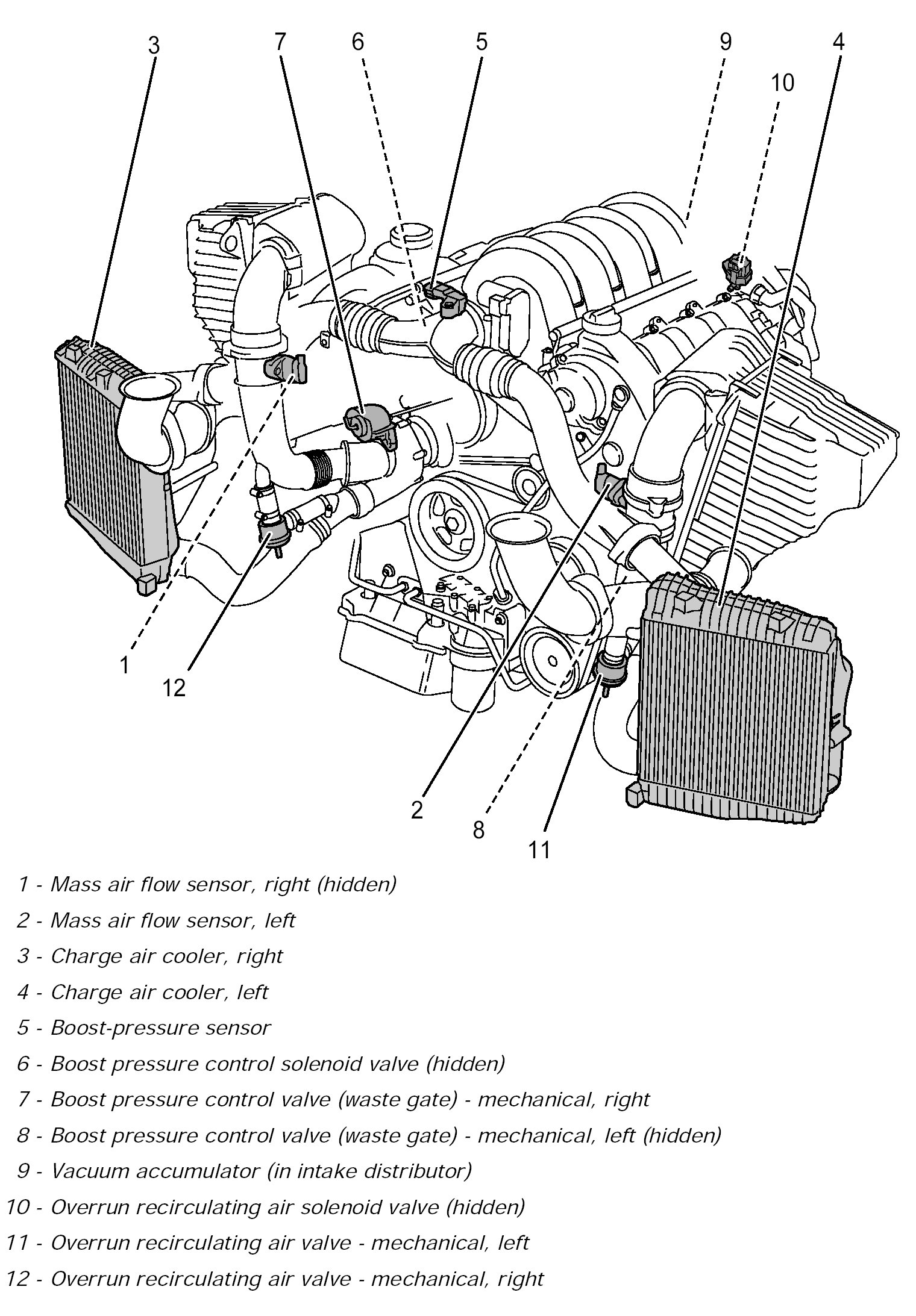
V8 Turbo Engine, Front View
V8 Turbo Engine, Front View