Curiosii for ever!: Car repair manuals for everyone.

Telephone/Telematics Control Unit Function

Telephone/telematics control unit function

Terminating resistors in the CAN
Terminating resistors are fitted to each end of the wiring to prevent reflection on the wiring. These terminating resistors are integrated into each control unit. The interconnection prevents the resistors from being measured with the ohmmeter from the outside.

CAN Infotainment
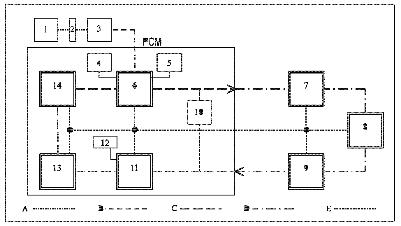
Communication between the Porsche System Tester II No. 9588 and the MOST control units only takes place via the K lead to the instrument cluster. The data is transferred from the instrument cluster gateway to the MOST control units, via CAN Comfort to the PCM2 gateway, via the electrical MOST in the PCM2 and via the optical MOST outside of the PCM2.

CD changer (CDC)
The CDC is available as an optional feature and is linked to the PCM2 via the optical waveguide.

Coding table









Coding
It is possible to extract the chassis number and to code the PCM2 on a country-specific basis in the 'Modify coding' menu.






Data transfer fault
If faults are detected when the data is decoded, this is known as a data transfer fault. The faults can arise when the data is encoded, when the data is transferred through an input level that is optically too low or when the data is decoded. A fault entry is not recorded.

Installation position of the control unit
The telephone control unit is installed under the passenger's seat.

Extended identification
Additional data present in the control unit can be read out using this menu item.
1. Connect and start the Porsche System Tester II No. 9588 and switch on the ignition
2. Select 'Cayenne' in the Vehicle type menu and confirm with the [>>] key.
3. Select 'PCM2' in the Control units menu and confirm with the [>>] key.
4. Select 'Telephone/telematics' in the Cayenne PCM2 function selection and confirm with the [>>] key.
5. Select "Identification" in the Cayenne telephone/telematics function selection and confirm with the [>>] key.
6. "Diagnosis software number; PCM2 parts number" appears on the display.
7. Confirm PCM2 GW extended identification with the [F8] key or the [>>] key.

The following data can be read out:
The following data can be read out:
- CRIN (Car Radio Identification Number)
- Date of ECU Manufacturing (YYYY;MM;DD)
- Repair Shop Code or Tester Serial Number
- System Supplier ECU Hardware Number (cw, year)
- System Supplier ECU Hardware Version Number
- System Supplier ECU Software Number (cw, year)
- System Supplier ECU Software Version Number
- Vehicle Manufacturer Diagnostic Index
- Vehicle Manufacturer ECU Hardware Number
- VIN (Vehicle Identification Number)

Function of the components






A - K lead
B - CAN Infotainment
C - Electrical MOST (internal)
D - Optical MOST (external)
E - MOST diagnosis lead
1 - Porsche System Tester II No. 9588
2 - Diagnostic box
3 - Instrument cluster (gateway)
4 - PCM2 (internal amplifier)
5 - PCM2 (tuner)
6 - PCM2 (gateway) (MOST nodes)
7 - External amplifier (MOST nodes)
8 - CDC (CD changer) (MOST nodes)
9 - Telephone/telematics (MOST nodes)
10 - PCM2 (MOST switch)
11 - MMI (Man Machine Interface) (MOST nodes)
12 - PCM2 single CD
13 - Navigation (MOST nodes)
14 - VOCS (voice control system) (MOST nodes)

Gateway
The gateway is integrated in the PCM2. Together with the MMI, it is a fixed component of each PCM2. It provides a connection to CAN Comfort via its nodes. Diagnostic and useful data is exchanged with the CAN via these nodes.

It creates links to the following systems:
- CAN Comfort
- Media Oriented Systems Transport (MOST), internal (electrical)
- Voice control system (VOCS) (optional/insertion)
- Navigation (optional/insertion)
- Man Machine Interface (MMI).
- Single CD
- Media Oriented Systems Transport (MOST), external bus (optical)
- Amplifier optional (Harman or BOSE)
- CD changer
- Telephone/telematics

Identification
The diagnosis software number and the part numbers for the PCM2 can be read out under this menu item.
1. Connect and start the Porsche System Tester II No. 9588 and switch on the ignition.
2. Select Cayenne as the vehicle type and PCM2 as the control module and press the [>>] key.
3. Select the "Identification" menu item and press the [>>] key.
4. "Diagnosis software number; PCM2 parts number" appears on the display.

NOTE: Deactivate the 'automatic traffic announcement' before performing the diagnosis on the PCM2. If this is not done, the diagnosis will abort.

Actual values
It is possible to read out the unlock counter under the 'Actual values' menu item.






Lock/unlock
A lock occurs when the signal sent from the MMI via the wake-up/ is understood and answered by the connected MOST control units; this results in a 'lock (connection)'. The lock is maintained until the signal disappears, i.e. an 'unlock' occurs.

Man Machine Interface (MMI)
The MMI is part of the PCM2 (on the main board). It runs the gateway commands via the wake-up signal line and the distribution line diagnosis. If control units fail, this is reported to the gateway and saved there.

MOST actual and required installed components lists
All MOST control units that are connected to the PCM2 are entered via diagnostic tester in the 'required installed components list'. Only the MOST control units recorded in the MOST required installed components list are activated. An 'actual installed components list' of detected devices is written and saved when the PCM2 is started.

MOST switch
The MOST switch is part of the PCM2. It keeps the electrical MOST closed if no other MOST control unit is optically connected to the MOST. The MOST switch is opened when a light signal is received from the connected MOST control units.

NOTE:
- When the PCM2 is replaced, the coding must be performed in accordance with the connected MOST control units.
- When the 'Switch closed' parameter is set, the switch remains closed even in existing MOST control units. Communication is then not possible.

Navigation
The navigation module is designed as a module box, which can be inserted in the PCM2 as an option. After the insertion, an electronic switch is opened automatically and the module is integrated into the MOST ring.

Ring break diagnosis line
The ring break diagnosis is an electrical lead, which, as a stub cable, connects the individual MOST control units in the system with one another. The existing MOST control units are checked at regular intervals during communication with the control units via the electrical/ optical MOST.

Input signals
The following queries can be run using this menu item:
- 3 dB check

NOTE: Deactivate the 'automatic traffic announcement' before performing the diagnosis on the PCM2. If this is not done, the diagnosis will abort.






Voice control system (VOCS)
The VOCS is designed as a module box which can be pushed into the PCM2 (optional). After the insertion, an electronic switch is opened and the module is integrated into the MOST ring.

Drive links
Drive links of the PCM2 can be activated with this menu item. This allows the function of the drive links to be assessed very quickly.

The following drive links can be activated with the Porsche System Tester II No. 9588:
- MOST bus switch on
- MOST bus switch off
- MOST power reduction - start
- MOST power reduction - stop
- Output switch on
- Output switch off
- Volume - minimum value
- Volume - centre position
- Volume - maximum value
- Front fader
- Middle fader
- Rear fader
- Left balance
- Central balance
- Right balance
- Bass - minimum value
- Bass - centre position
- Bass - maximum value
- Treble - minimum value
- Treble - centre position
- Treble - maximum value
- Open MOST switch
- MOST switch closed
- Mute off
- Mute on

The subsequent note does not apply to the following:
- MOST bus switch
- MOST power reduction

NOTE: The activated drive link is automatically switched off after approximately 20 seconds.

PCM2 control unit (head unit)
The PCM2 control unit (head unit) includes the following components:

Internal:
PCM2 gateway
PCM2 Man Machine Interface (MMI)
Internal amplifier (optional, depending on the equipment)
Tuner
Single CD
Navigation (optional/insertion)
VOCS (voice control system) (optional/insertion)
Controller Area Network (CAN) Comfort
MOST switch

External:
External amplifier (optional, Harman or BOSE)
Telephone/telematics (optional)
CD changer (CDC), (optional)

The PCM2 consists of at least two but a maximum of four MOST nodes, (Gateway, MMI and Navigation and VOCS (optional)), which communicate with each other via the electronic MOST. Data is transferred outside of the PCM2 via the optical MOST.

Telephone/telematics
The telephone/telematics feature is available as an option and is linked to the PCM2 via the optical waveguide.

Tuner
The tuner is part of the PCM2 (on the main board).

Unlock counter
Interruptions occur in the system if perfect communication is no longer possible. If the relevant threshold values are exceeded, an entry is recorded in the appropriate control unit and the 'unlock counter' is incremented.

External amplifier
The external amplifier (Harman or BOSE) is available as an optional feature and is linked to the PCM2 via the optical waveguide.

Internal amplifier
The internal amplifier is part of the PCM2 (installed on the main board).

Wake-up function
In an idle state, all control units that are connected to the PCM2 are in sleep mode. When the PCM2 is switched on, 'the light' which is reinforced by the connected MOST control units and forwarded is switched on via the gateway.