Curiosii for ever!: Car repair manuals for everyone.

Electrical Diagrams



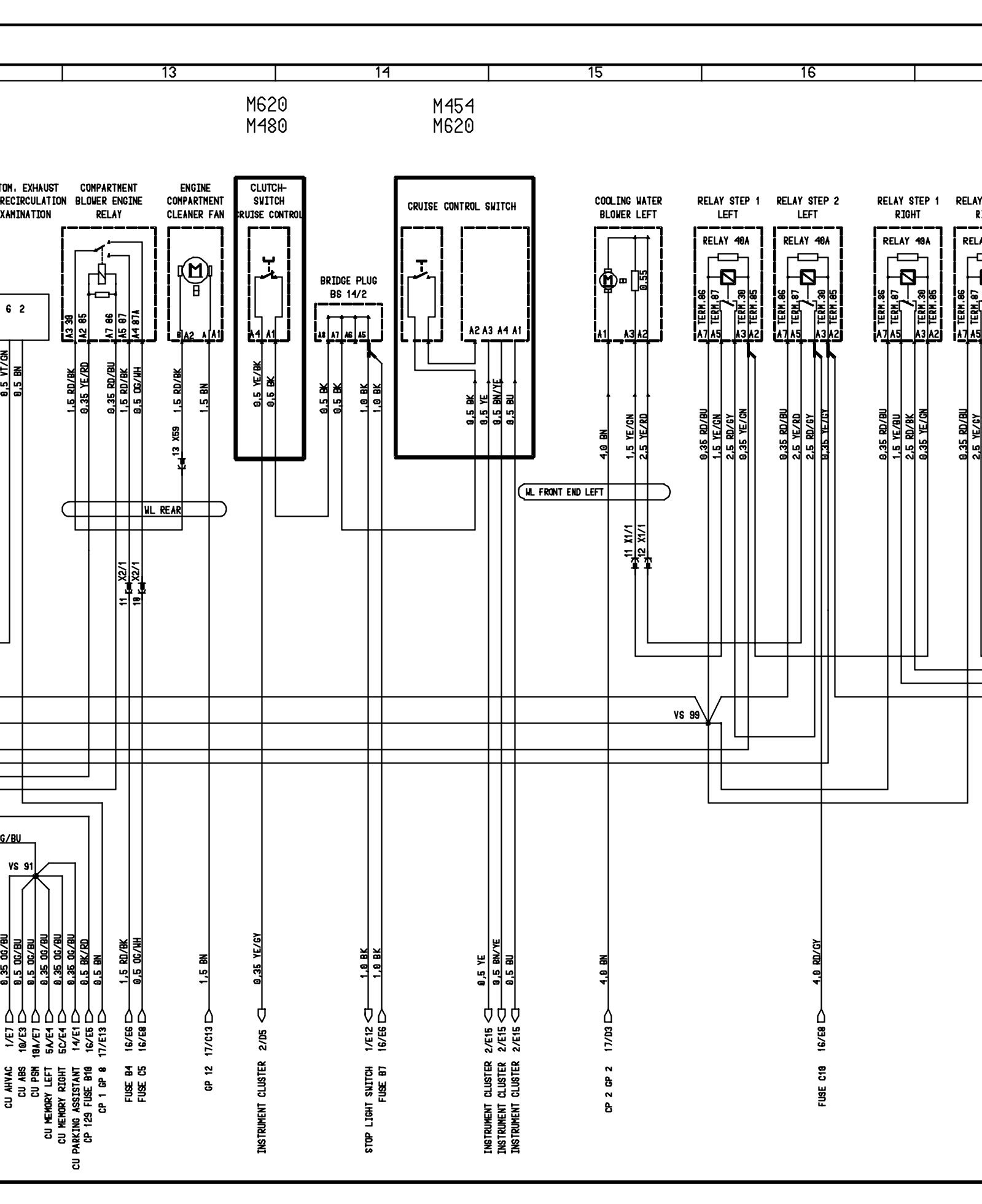
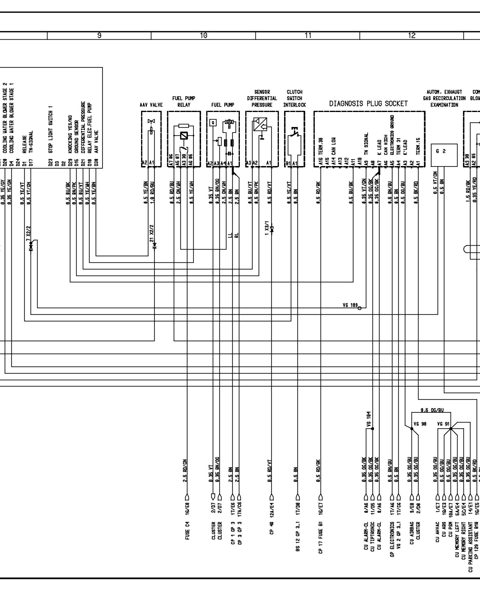
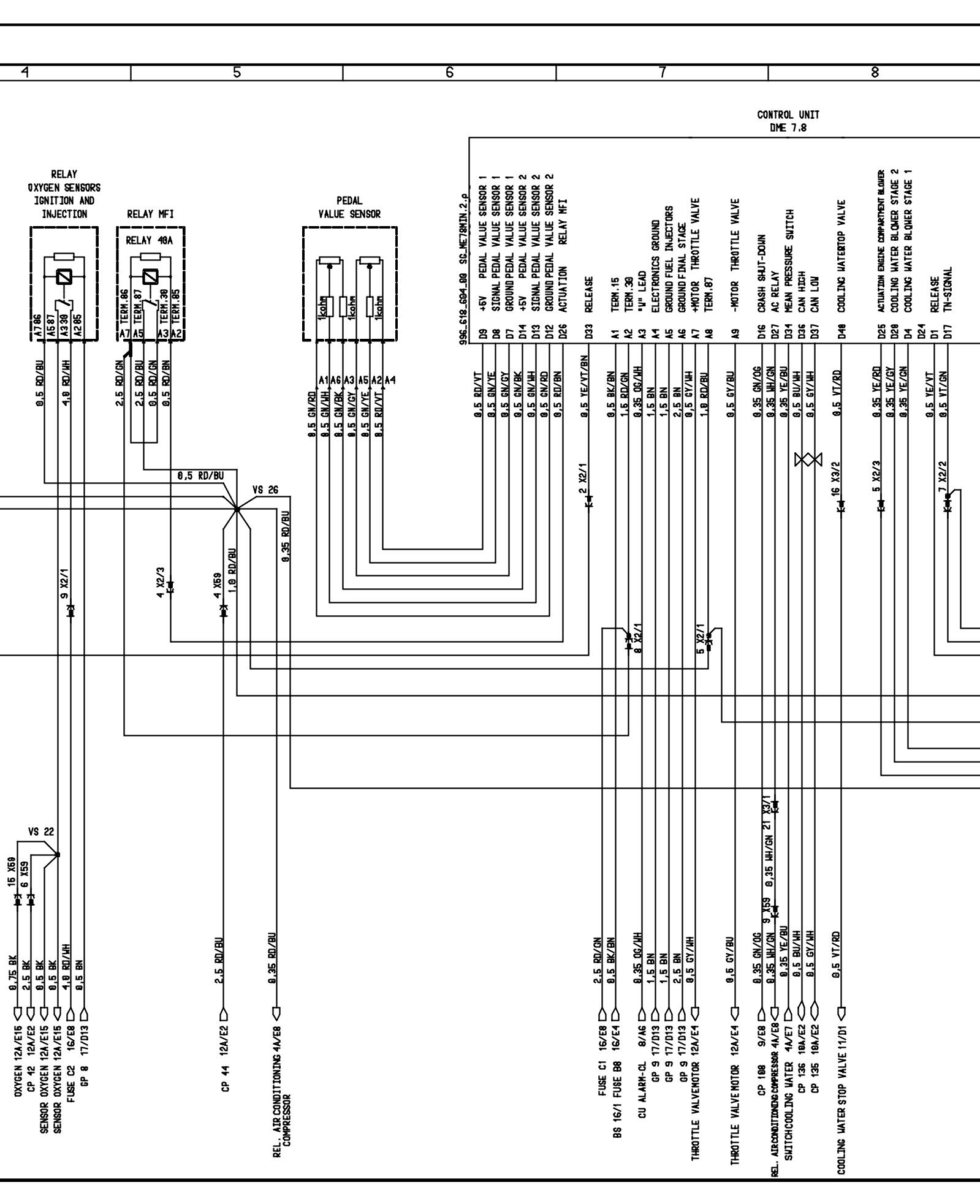
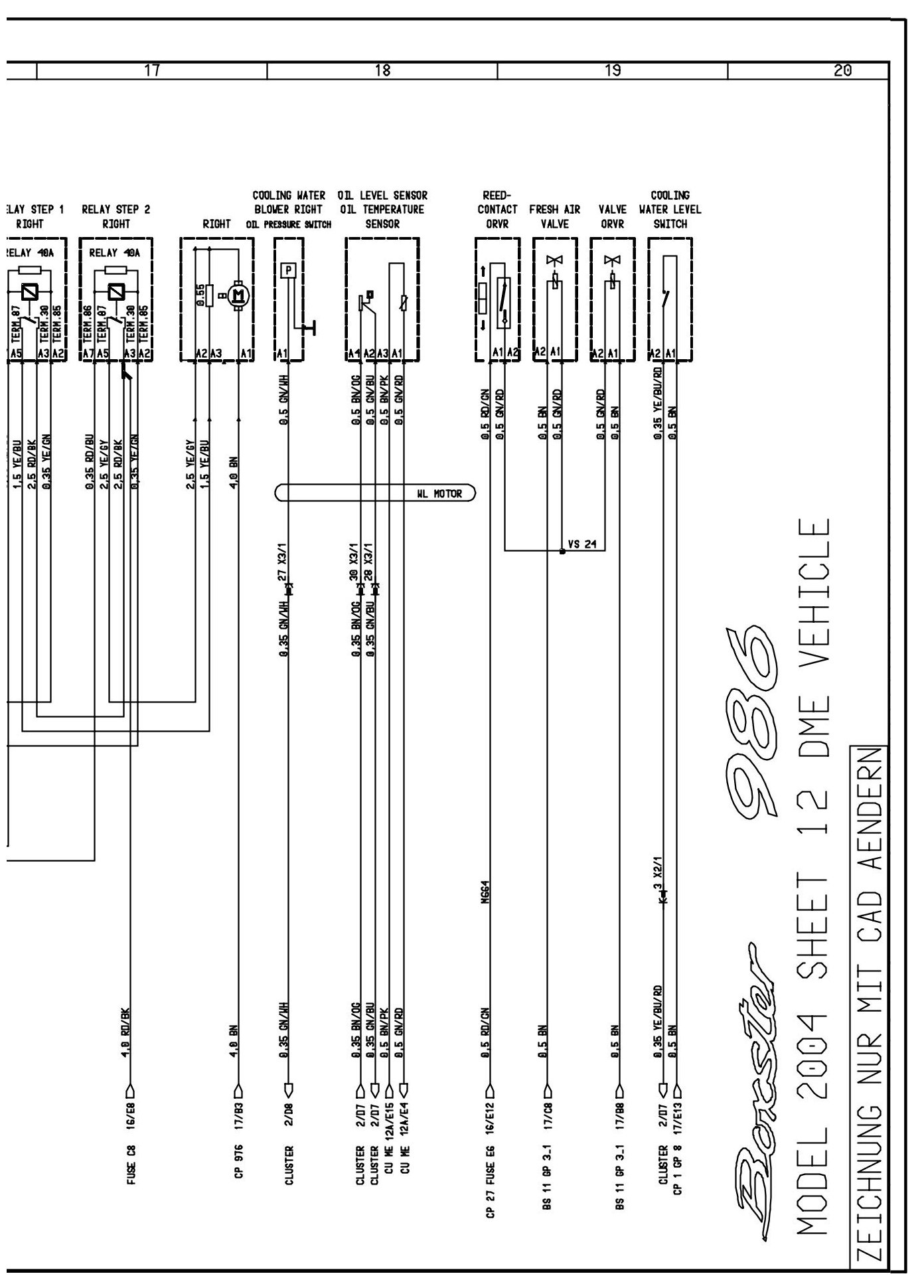
DME Vehicle - Sheet 12


DME Vehicle - Sheet 12 (Part 1):





DME Vehicle - Sheet 12 (Part 2):





DME Vehicle - Sheet 12 (Part 3):





DME Vehicle - Sheet 12 (Part 4):





DME Vehicle - Sheet 12 (Part 5):






Diagrams: Other diagrams referred to by name and sheet number/coordinate (i.e. "Instrument Cluster 3/C5") within these diagrams can be found at the vehicle level under Diagrams By Name. Diagrams By Name