Curiosii for ever!
: Car repair manuals for everyone.
Home
>>
Porsche
>>
2004
>>
Boxster S (986) F6-3.2L
>>
Repair and Diagnosis
>>
Diagrams
>>
Connector Views
>>
Powertrain Management
>>
System Diagram
System Diagram
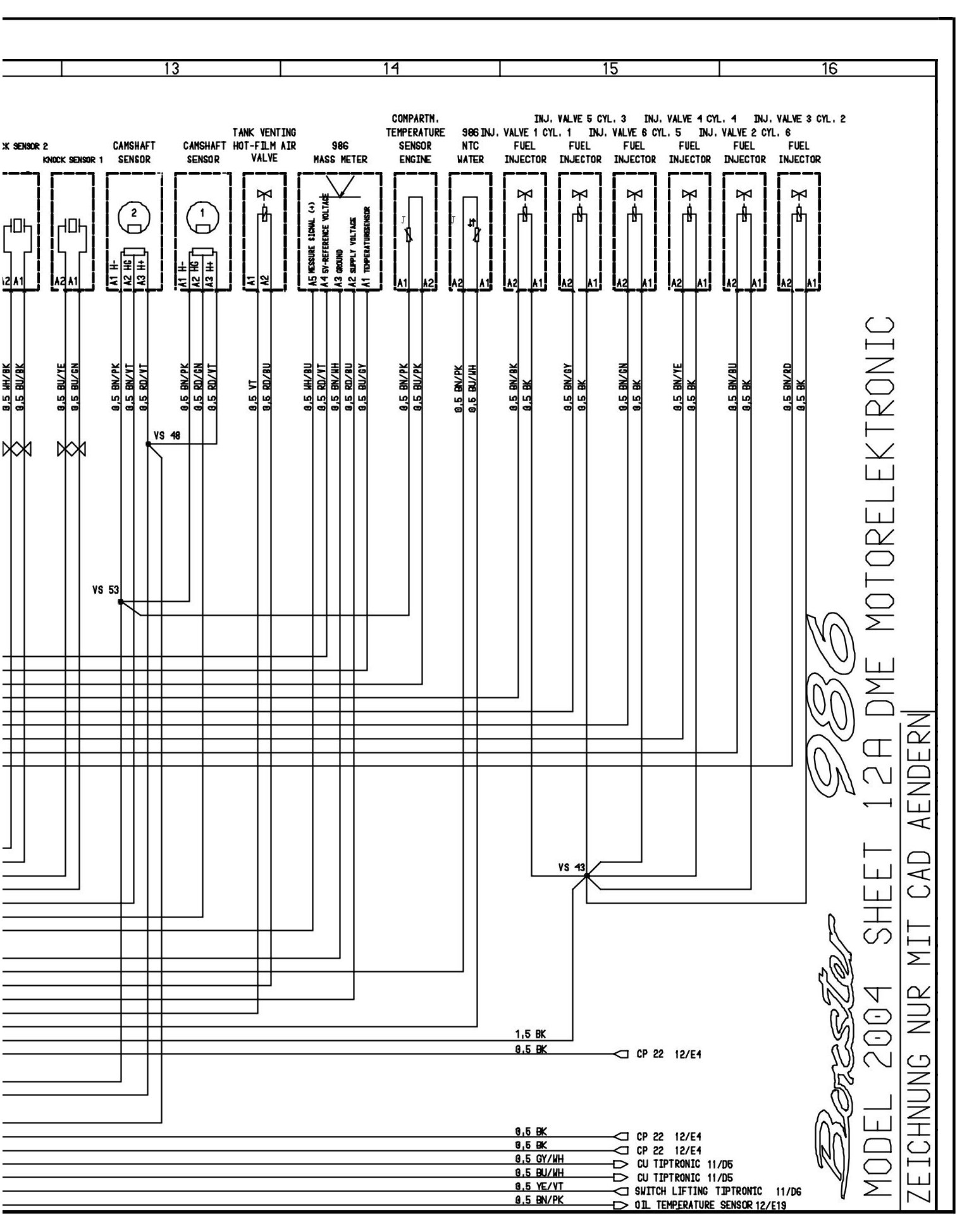
DME Motorelektronic - Sheet 12A (Part 1):
DME Motorelektronic - Sheet 12A (Part 2):
DME Motorelektronic - Sheet 12A (Part 3):
DME Motorelektronic - Sheet 12A (Part 4):