Curiosii for ever!: Car repair manuals for everyone.

Removing and Installing the Frame For the Roll-Over Protection System



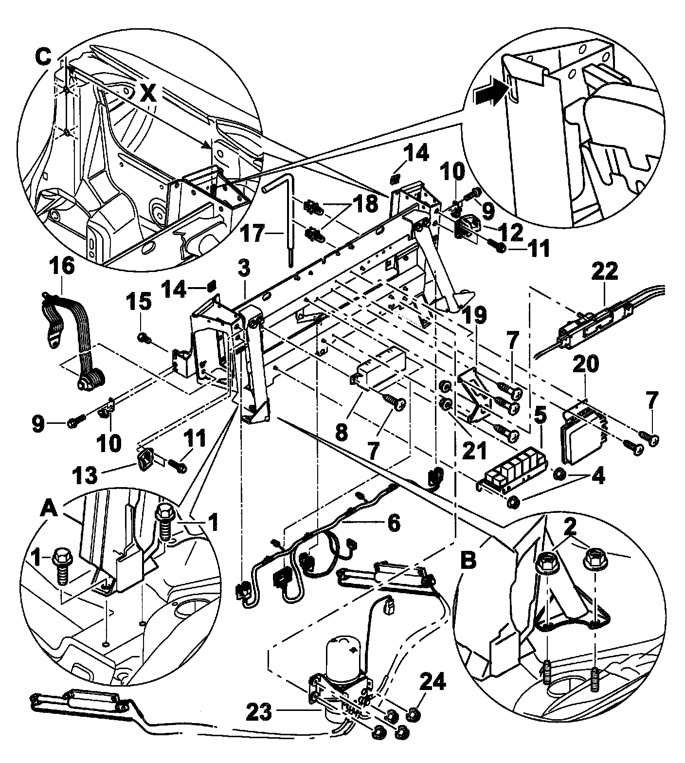
Removing And Installing The Frame For The Roll-Over Protection System - As Of Model Year 2002










NOTE:
- The frame for the roll-over protection system as of 2002 differs from the frame for the roll-over protection system up to 2001 by their different component arrangement of DME + Tiptronic control unit, relay carrier, convertible top Z drive, and Z-supports behind the frame -3-.
- The frame for roll-over protection systems as of 2001 can can only be installed in vehicles with Cabriolet rear glass window.










Tightening Torques