Curiosii for ever!: Car repair manuals for everyone.

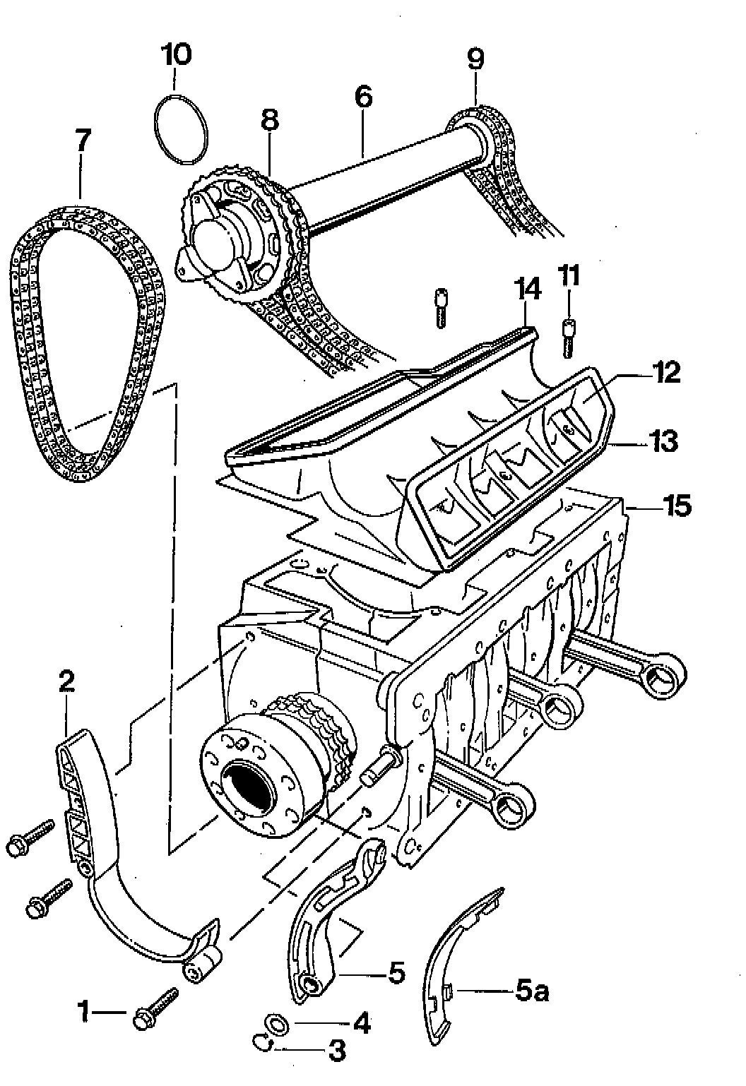
Timing Chain Guide










LEGEND
1 Hexagon Head Bolt 6 x 35 mm
2 Slide Rail
3 Circlip
4 Washer
5 Tensioning Rail
6 Intermediate Shaft
7 Chain For Intermediate Shaft Drive
8 Chain For Camshaft Drive
9 Chain For Camshaft Drive
10 O-ring 52 x 2.5 mm
11 Pan Head Screw 6 x 16 mm
12 Gasket
13 Gasket
14 Oil Separator
15 Bearing Housing