Curiosii for ever!
: Car repair manuals for everyone.
Home
>>
Porsche
>>
2002
>>
Boxster (986) F6-2.7L
>>
Repair and Diagnosis
>>
Body and Frame
>>
Seats
>>
Power Seat Switch
>>
Service and Repair
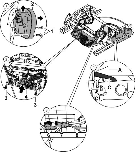
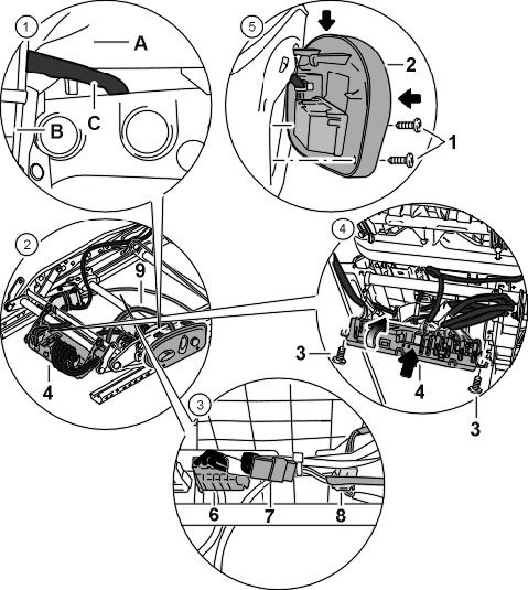
Power Seat Switch: Service and Repair
Removing And Installing Switch For Seat Adjustment
Removing switch for seat adjustment
Installing switch for seat adjustment