Curiosii for ever!
: Car repair manuals for everyone.
Home
>>
Porsche
>>
1987
>>
911 Carrera Targa F6-3164cc 3.2L
>>
Repair and Diagnosis
>>
Diagrams
>>
Exploded Views
>>
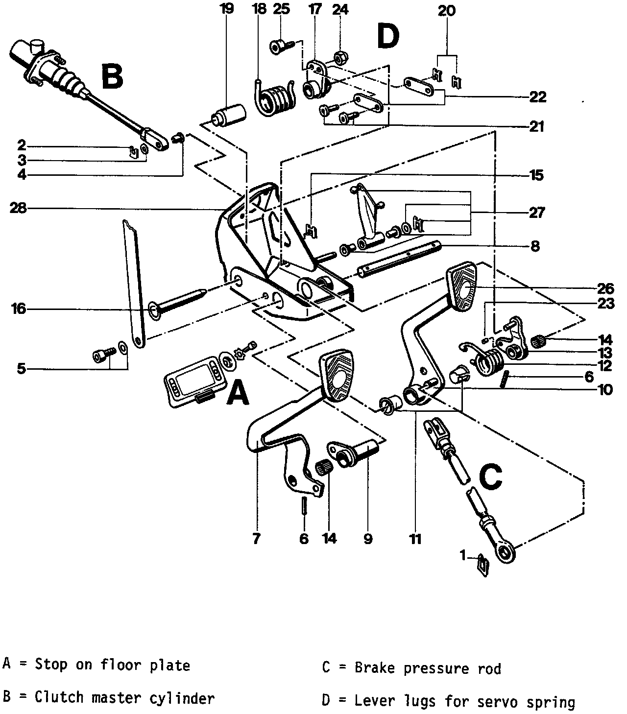
Clutch Pedal Assembly
Clutch Pedal Assembly