Curiosii for ever!
: Car repair manuals for everyone.
Home
>>
Porsche
>>
1985
>>
911 Carrera Targa F6-3164cc 3.2L
>>
Repair and Diagnosis
>>
Specifications
>>
Electrical Specifications
>>
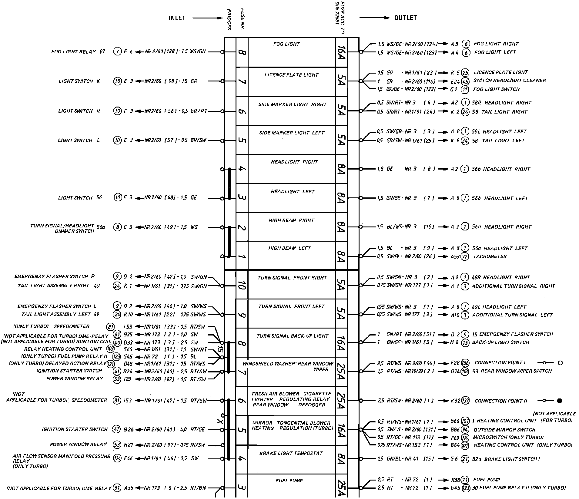
Fuse
Fuse
�'.Connection and Equipment Fuses: