Engine Short Block - Installation Modifications
87porsche04Subject: Short Block
Installation Modifications
Model
944, 944T, 924S
Group
1
Part Identifier
1003
Number
8702
January 28, 1987
When installing replacement short block Part Number 944 100 902 01 into 1986 or earlier model cars, some additional parts and modifications are necessary.
Parts required:
1 944 107 025 01 Dipstick
1 944 101 027 05 Dipstick housing
1 944 107 911 00 Spacer
1 944 102 216 01 Stud
1 944 102 243 00 Shouldered nut
Modify the following: (Engines up to 1987)
To ensure proper fit of rear toothed belt cover in the area of the oil pump, grind or file cover material away until clearance is obtained.
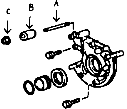
Remove 10 x 45 mm hex bolt at top of oil pump and install stud 944 102 216 01 (Arrow A) using Loctite 270. Place spacer (Arrow B) 944 107 911 00 over stud and install shouldered nut 944 102 243 00 (Arrow C) with collar facing oil pump and torque to 32.5 ft. lbs. (45 N-m).
When short engine, Part Number 944 100 902 01 is installed in cars up to 85/2, coolant temperature sensor 928 606 201 01 must also be used (different threads). In addition, a new oil separator, Part Number 944 107 180 08, must be used (larger holes).
For additional parts information, refer to Parts Bulletin Group 1, Number D1.