Curiosii for ever!
: Car repair manuals for everyone.
Home
>>
Pontiac
>>
2009
>>
Solstice L4-2.4L
>>
Repair and Diagnosis
>>
Transmission and Drivetrain
>>
Automatic Transmission/Transaxle
>>
Transmission Mount
>>
Service and Repair
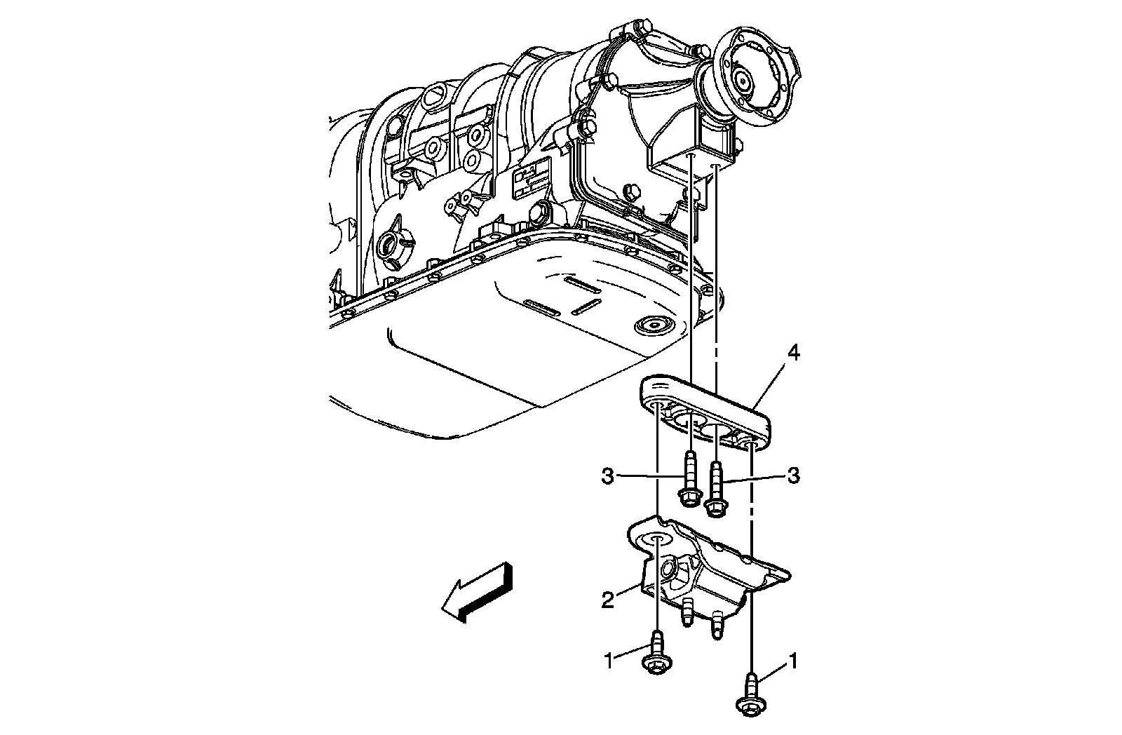
Transmission Mount: Service and Repair
Transmission Rear Mount Replacement