Curiosii for ever!: Car repair manuals for everyone.

Electrical Diagrams



ENGINE CONTROLS SCHEMATICS

Power, Ground, Data Link, and MIL







5-Volt and Low Reference







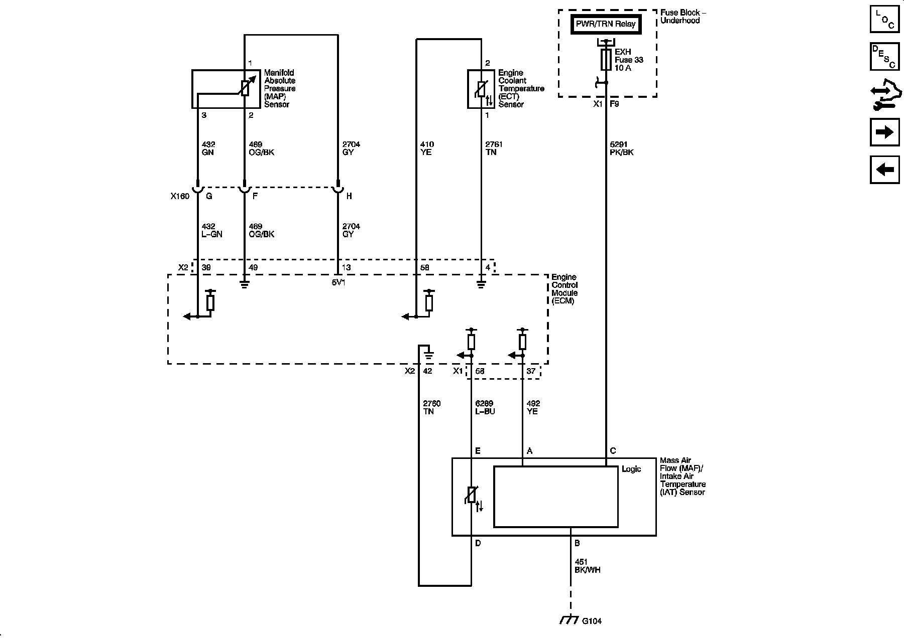
Engine Data Sensors - Pressure and Temperature







Engine Data Sensors - Oxygen Sensors







Engine Data Sensors - Electronic Throttle Controls







Ignition Controls - Sensors







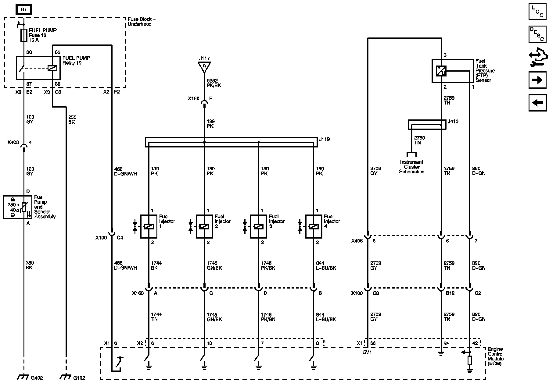
Fuel Controls - Fuel Pump Controls and Fuel Injectors







Ignition Controls - Ignition System







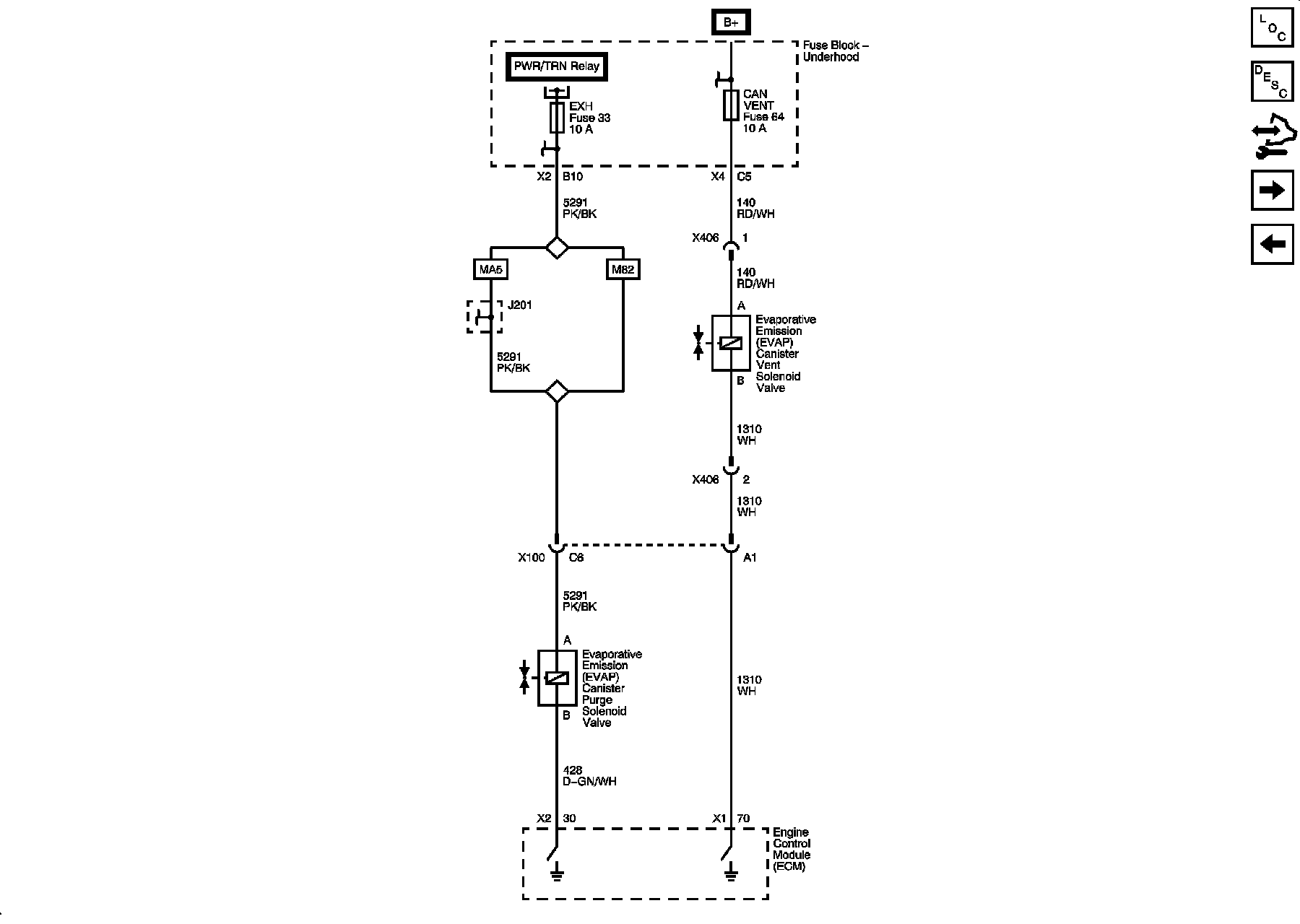
Fuel Controls - EVAP Controls







Controlled/Monitored Subsystem References







Locations: The locations for the Connectors, Grounds, Splices, and Grommets shown within these diagrams can be found via their numbers at Vehicle Locations. Locations