Curiosii for ever!
: Car repair manuals for everyone.
Home
>>
Pontiac
>>
2009
>>
Solstice L4-2.4L
>>
Repair and Diagnosis
>>
Diagrams
>>
Electrical Diagrams
>>
Starting and Charging
>>
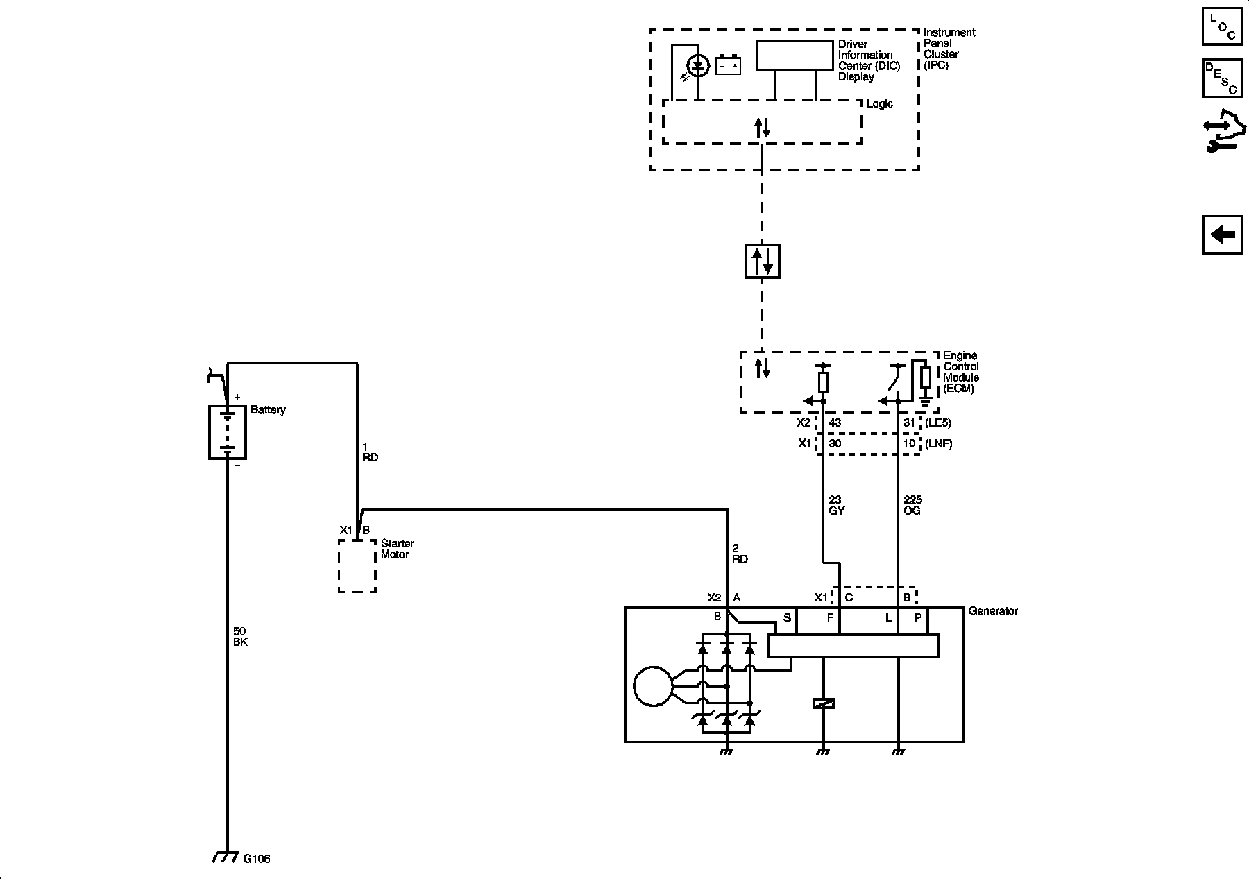
System Diagram
System Diagram
Starting and Charging
Schematics
Starting
Charging