Curiosii for ever!
: Car repair manuals for everyone.
Home
>>
Pontiac
>>
2009
>>
Solstice L4-2.0L Turbo
>>
Repair and Diagnosis
>>
Heating and Air Conditioning
>>
Evaporator Temperature Sensor / Switch
>>
Service and Repair
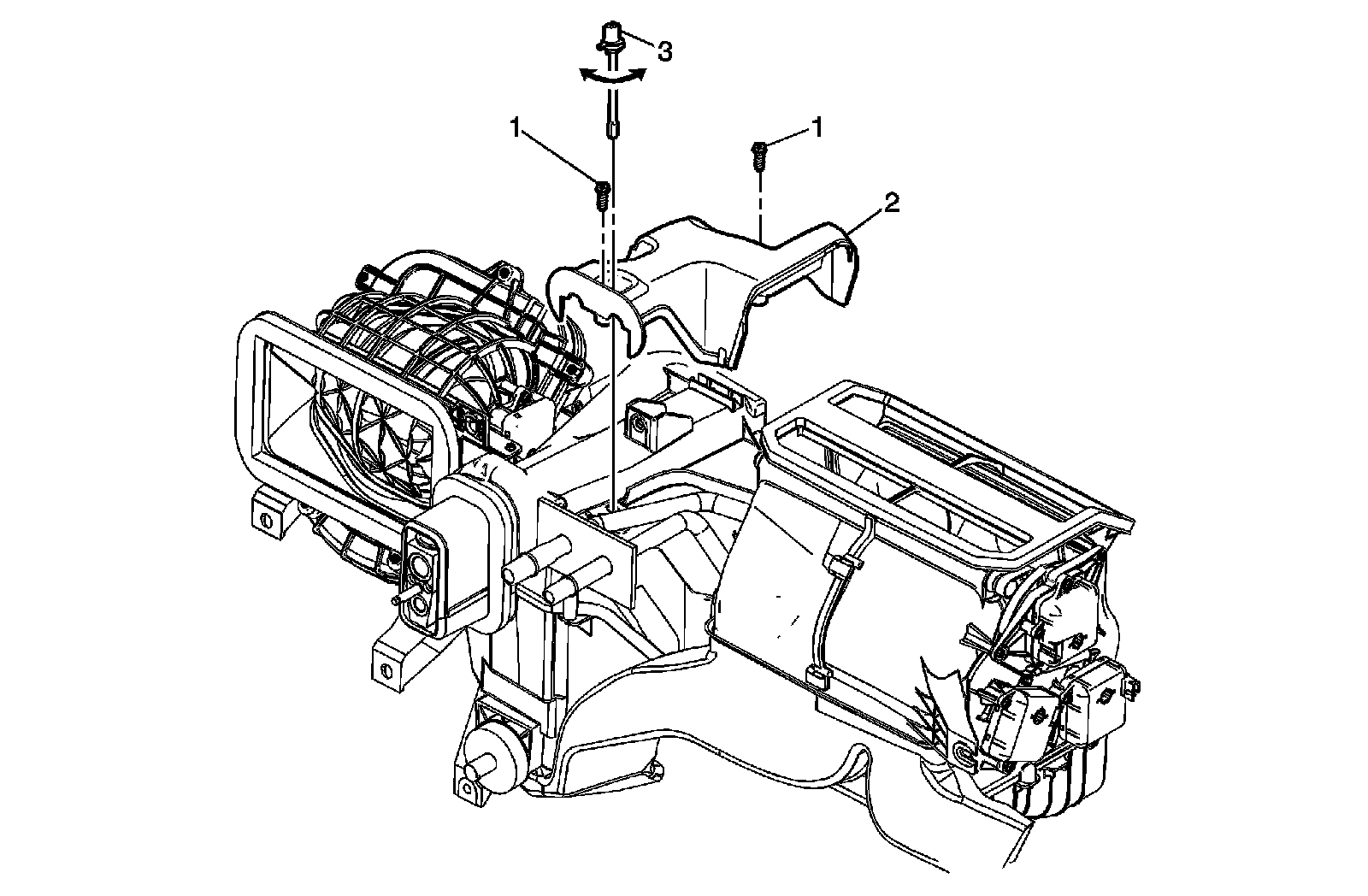
Evaporator Temperature Sensor / Switch: Service and Repair
Evaporator Air Temperature Sensor Replacement