Curiosii for ever!: Car repair manuals for everyone.

Electrical Diagrams



ENGINE CONTROLS SCHEMATICS

Module Power, Ground and Serial Data







Engine Data Sensors - 5-Volt and Low Reference







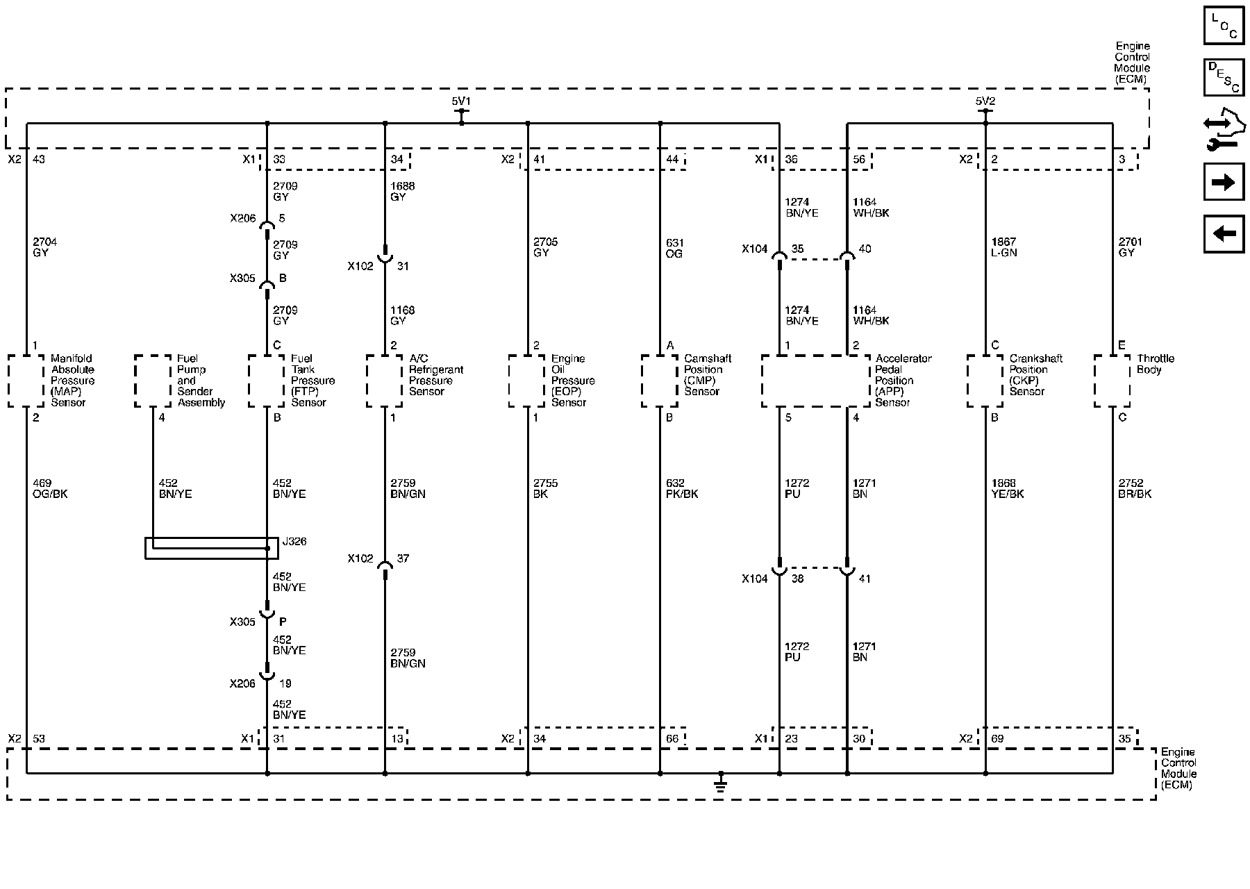
Engine Data Sensors - Pressure and Temperature







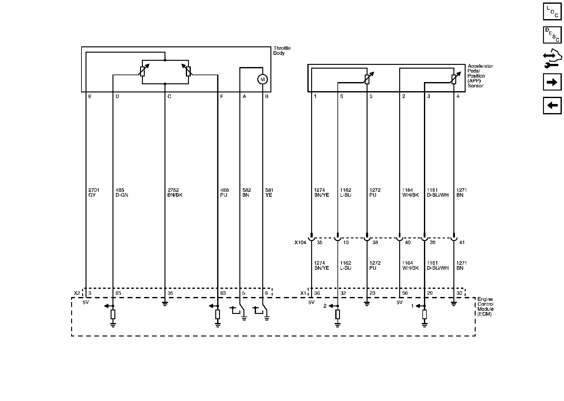
Engine Data Sensors - Throttle Controls







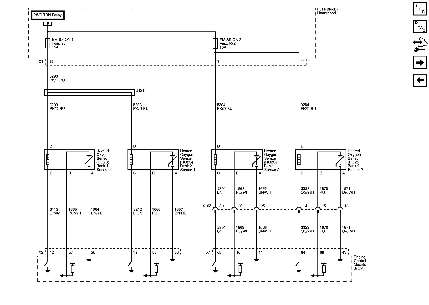
Engine Data Sensors - Oxygen Sensors







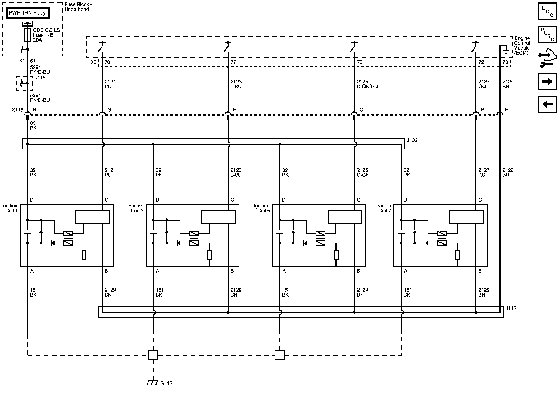
Ignition Controls - Ignition System Coils 1, 3, 5, and 7







Ignition Controls - Ignition System Coils 2, 4, 6, and 8







Ignition Controls - Sensors







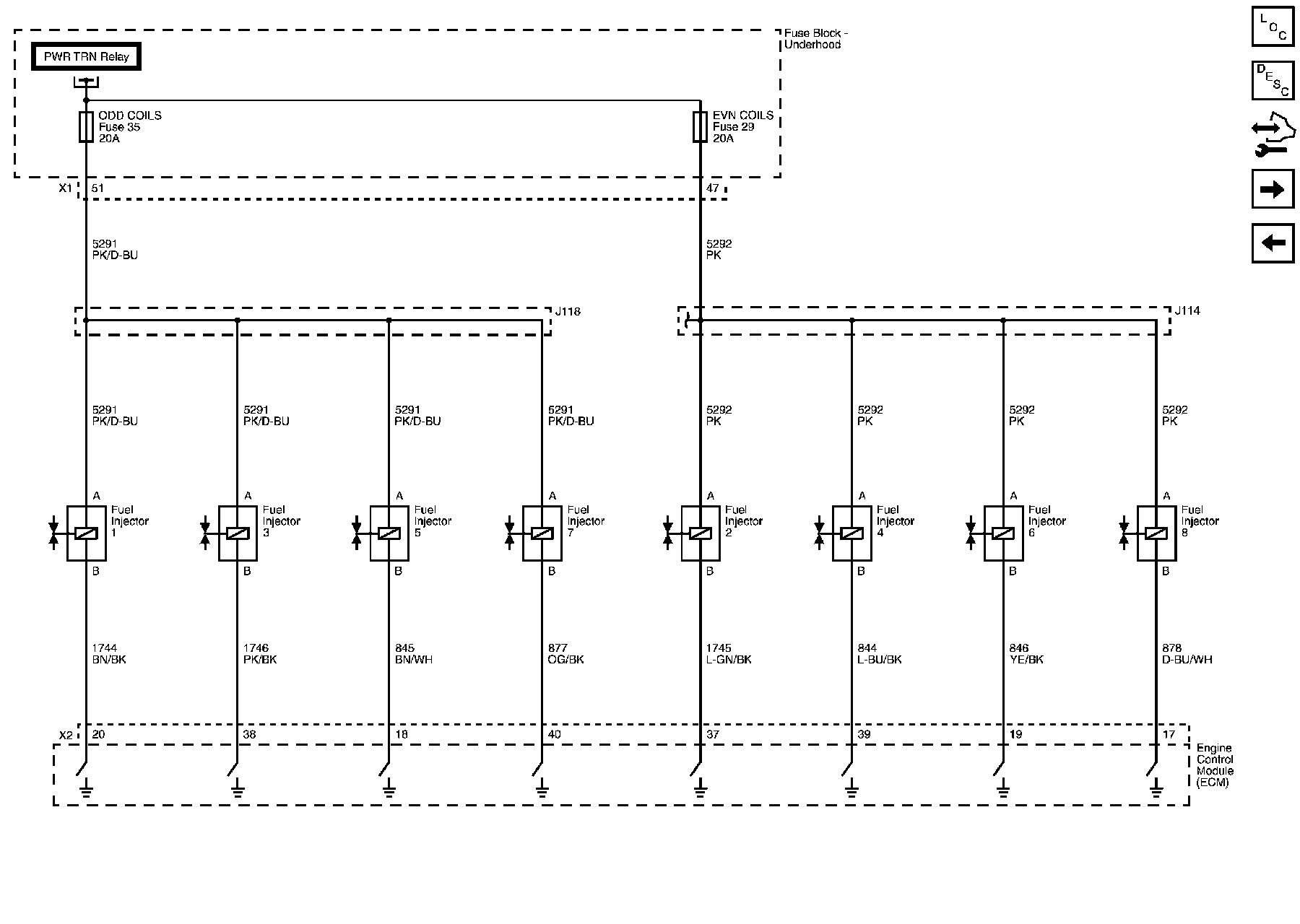
Fuel Controls - Fuel Injectors







Fuel Controls - Fuel Pump and EVAP Controls







Controlled/Monitored Subsystem References







Locations: The locations for the Connectors, Grounds, Splices, and Grommets shown within these diagrams can be found via their numbers at Vehicle Locations. Locations