Curiosii for ever!
: Car repair manuals for everyone.
Home
>>
Pontiac
>>
2009
>>
G8 V8-6.2L
>>
Repair and Diagnosis
>>
Diagrams
>>
Electrical Diagrams
>>
Locks
>>
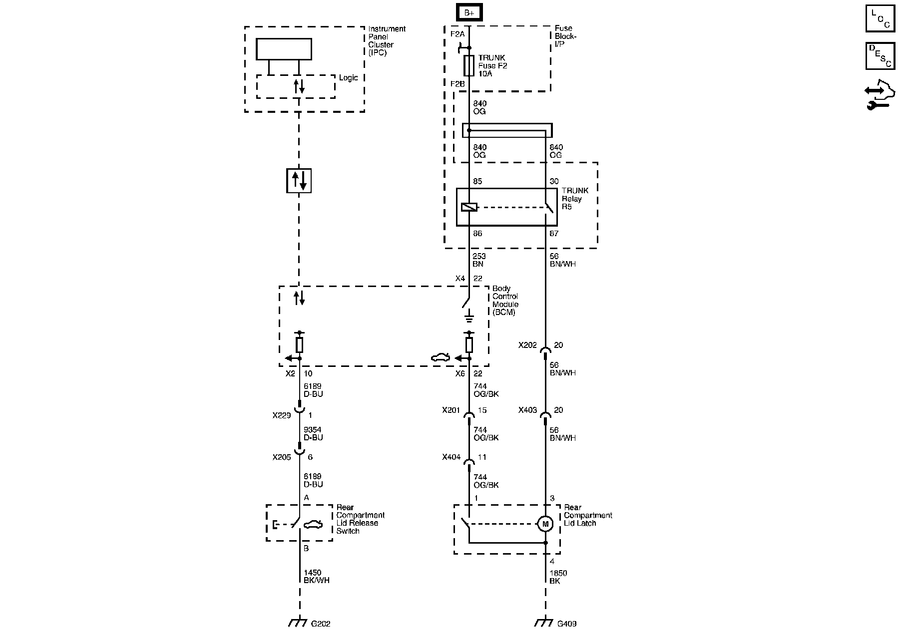
Release Systems Schematics
Release Systems Schematics
Release Systems Schematics
Release Systems Schematics