Curiosii for ever!: Car repair manuals for everyone.

Electrical Diagrams



ENGINE CONTROLS SCHEMATICS

Module Power, Ground, Serial Data, and MIL







5-Volt and Low References







Engine Data Sensors - Pressure, Temperature, and Throttle Controls







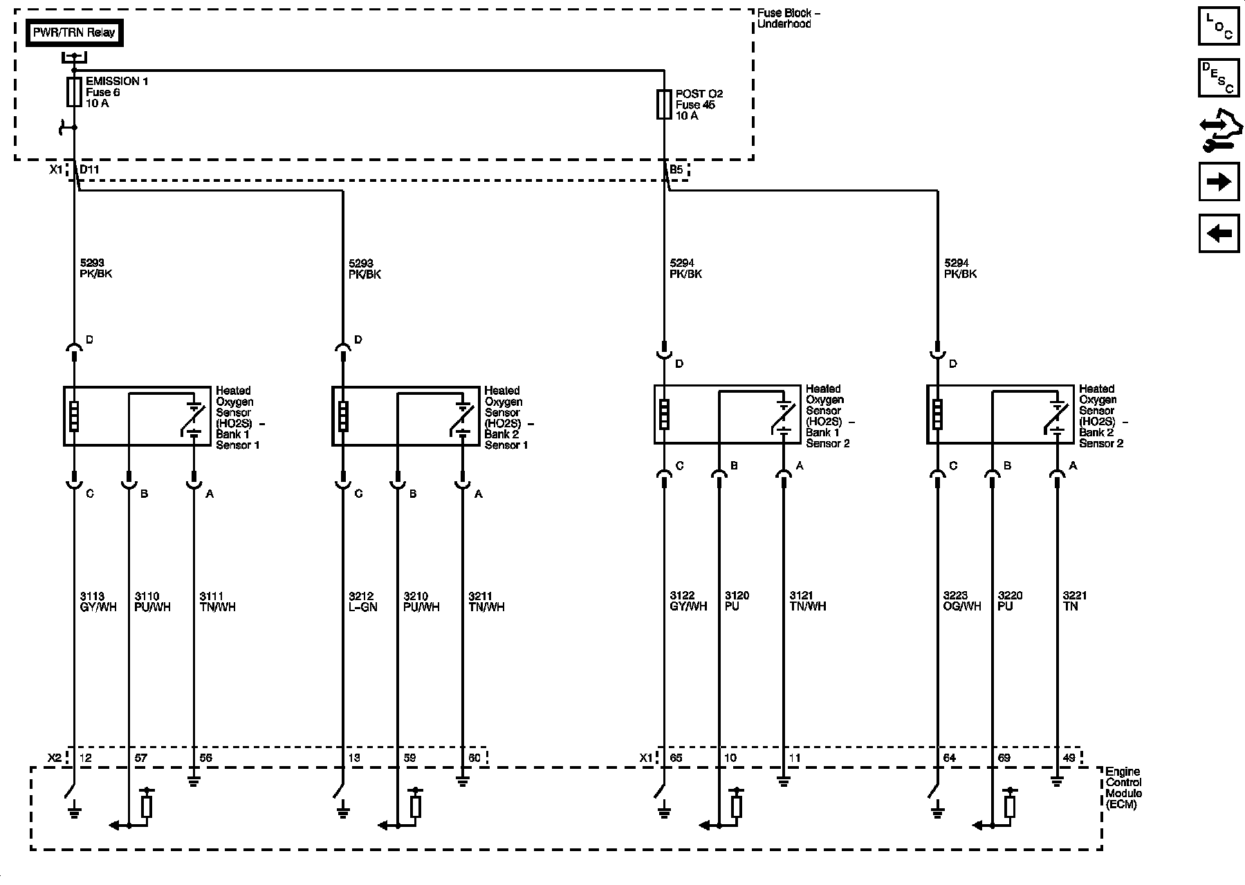
Engine Data Sensors - HO2S







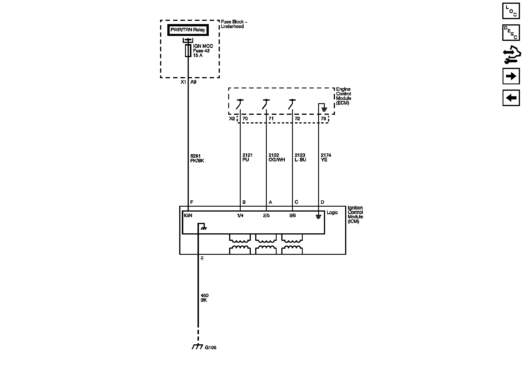
Ignition Controls - Ignition System







Ignition Controls - Sensors/Actuators







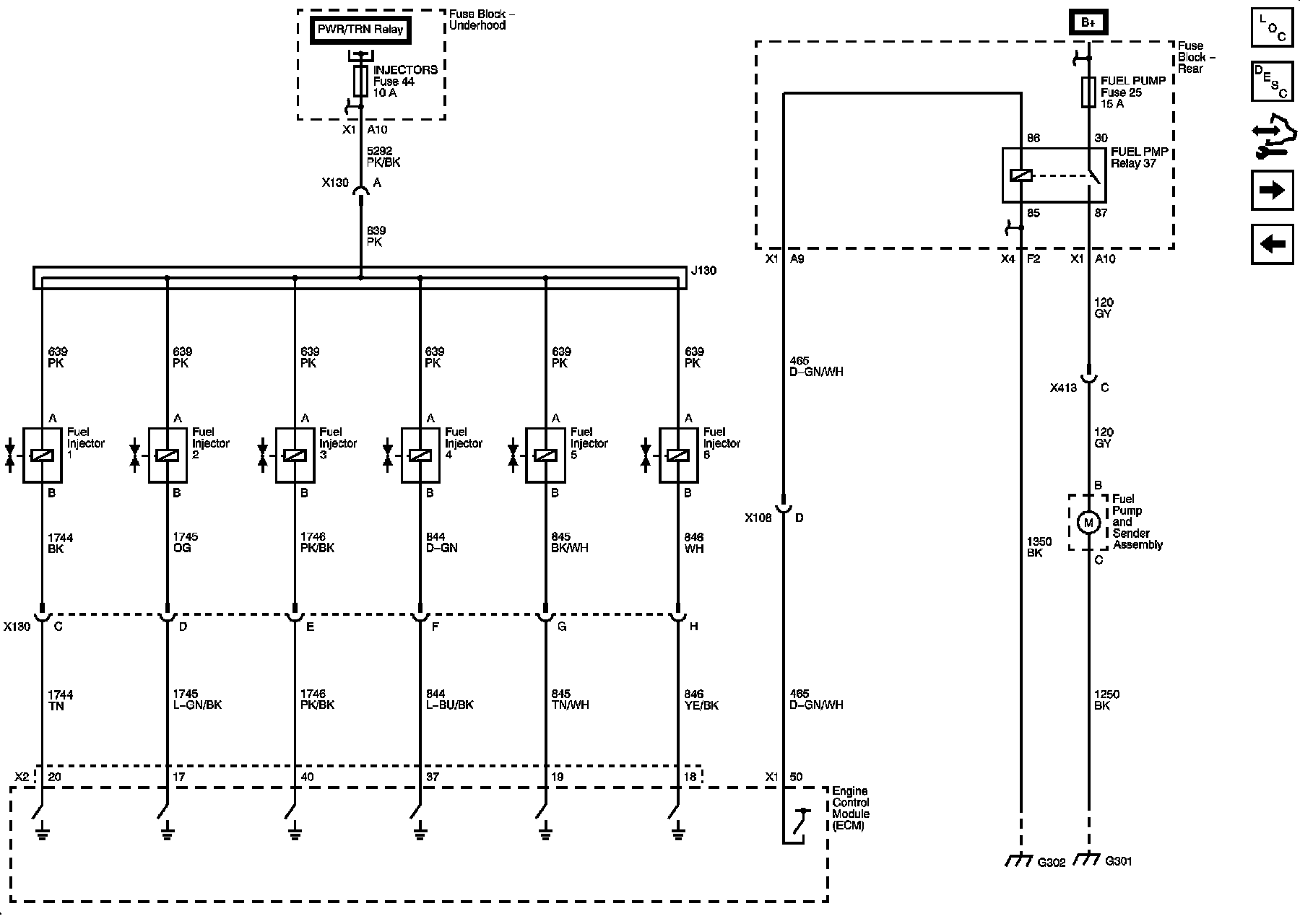
Fuel Controls - Fuel Injectors and Fuel Pump Controls







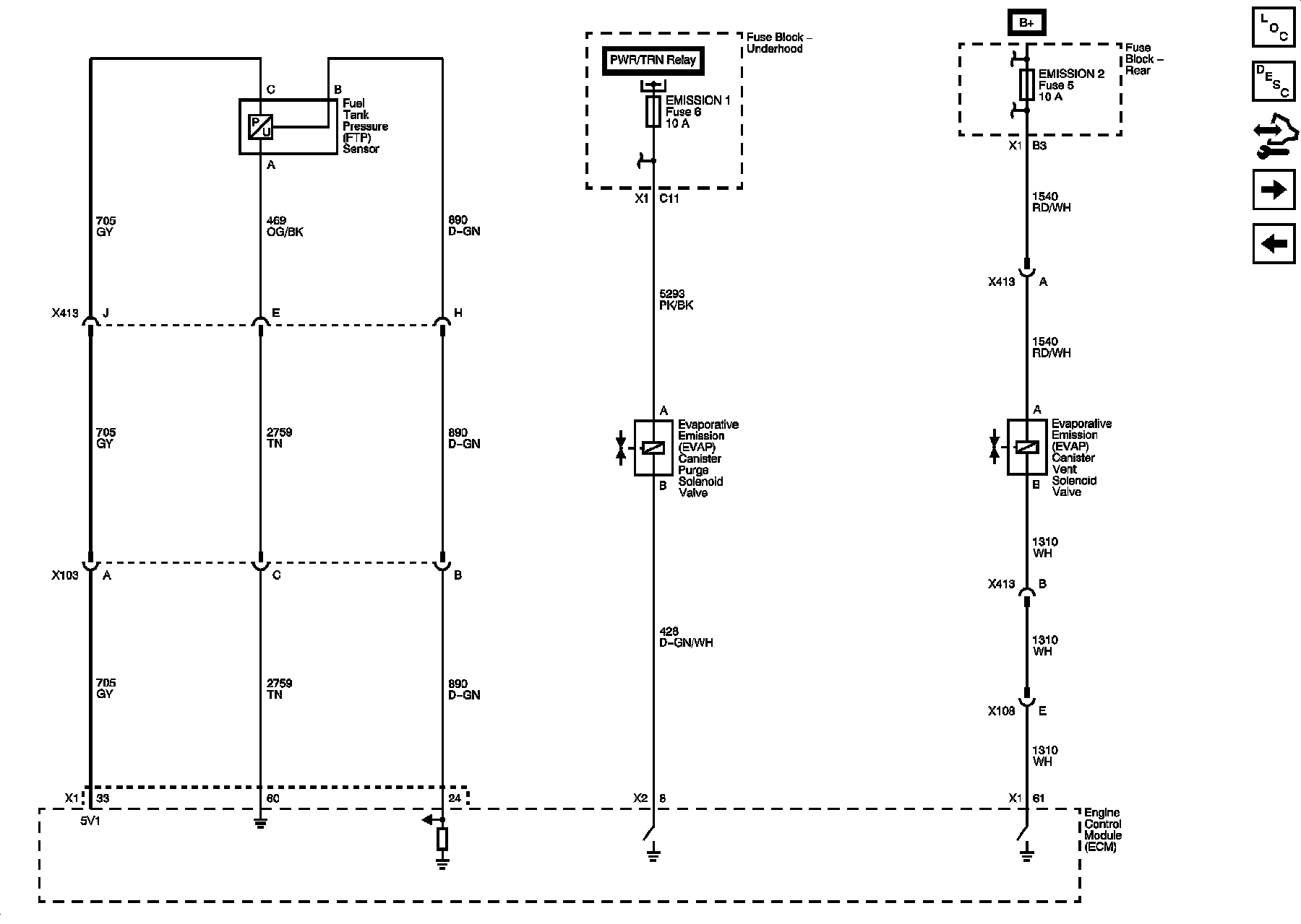
Fuel Controls - EVAP Controls







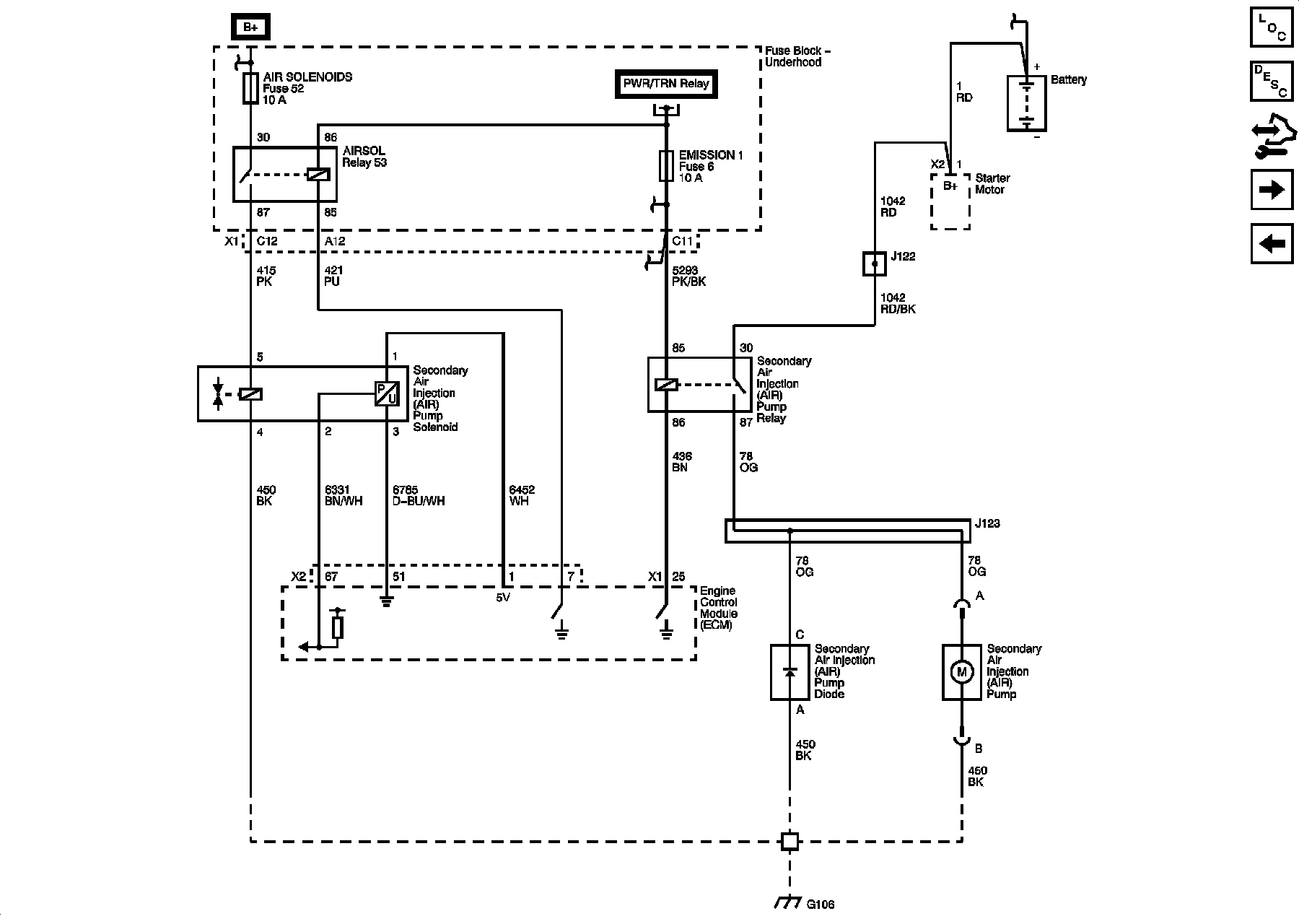
Secondary Air Injection (AIR) (NU6)







Controlled/Monitored Subsystem References







Locations: The locations for the Connectors, Grounds, Splices, and Grommets shown within these diagrams can be found via their numbers at Vehicle Locations. Locations