Curiosii for ever!: Car repair manuals for everyone.

Mass Airflow Sensor with Intake Air Temperature Sensor Replacement (NT7)




Mass Airflow Sensor with Intake Air Temperature Sensor Replacement (NT7)

Removal Procedure




1. Remove the positive crankcase ventilation (PCV) fresh air tube from the air cleaner intake duct.




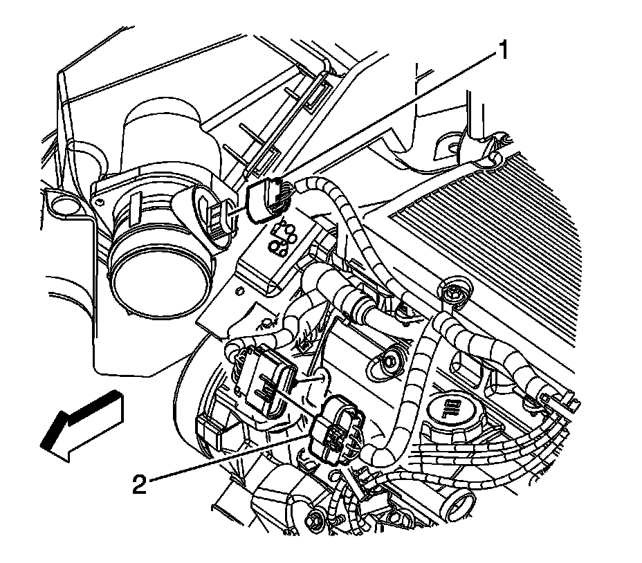
2. Disconnect the mass air flow (MAF) sensor electrical connector (1).




3. Loosen the clamps and remove the air cleaner intake duct with the MAF sensor from the throttle body and the air cleaner housing cover.
4. Loosen the clamp and remove the MAF sensor from the air cleaner intake duct.

Installation Procedure





Caution: Refer to Fastener Caution (Fastener Caution).

1. Install the MAF sensor to the air cleaner intake duct.

Tighten the clamp to 2 Nm (18 lb in).

2. Install the air cleaner intake duct with the MAF sensor to the throttle body and the air cleaner housing cover.

Tighten the clamps to 2 Nm (18 lb in).




3. Connect the MAF sensor electrical connector (1).




4. Install the PCV fresh air tube to the air cleaner intake duct.
5. Start and idle the engine.
6. Inspect the air intake duct for leaks.