Curiosii for ever!: Car repair manuals for everyone.

Procedures




Folding Top Hydraulic System Bleeding

Warning: Refer to Eye Protection Warning (Eye Protection Warning).


Note:
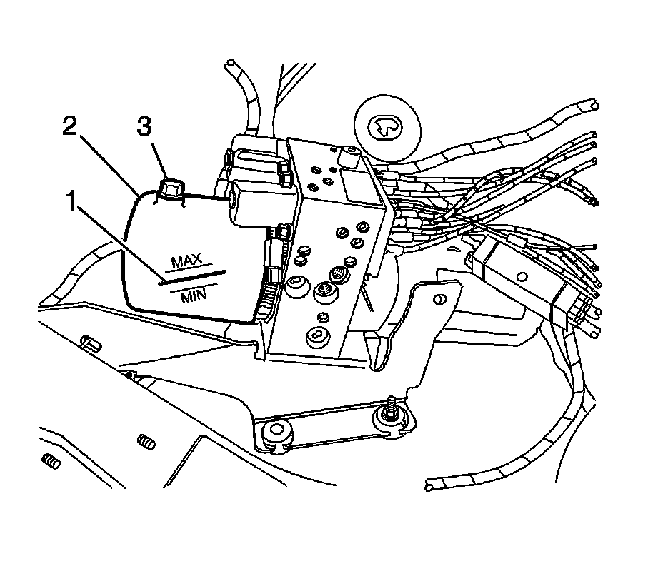
* When servicing the hydraulic system do not allow the fluid level to drop below the minimum indicator line on the reservoir, or pump damage may occur.
* Inspect the hydraulic fluid level with the vehicle parked on a level surface, the folding top in the close position, and the storage compartment lid open.
* The hydraulic system is self-bleeding and does not require any type of conventional bleeding procedures.
* When new, the power folding top hydraulic fluid is golden clear. As the system is cycled, it picks up the carbon black from the numerous O-ring seals used in the system. The carbon black acts like a dye and causes the fluid to darken considerably and take on a black appearance. This is a normal occurrence and no repair attempts should be performed, as replacement fluid will also darken.
* Wait 5 minutes before separating the hydraulic cylinder lines at any connectors.




1. Inspect the fluid level, fill it to the midway point (1) on the reservoir. Refer to Folding Top Fluid Addition (Service and Repair).
2. Start the vehicle.
3. Cycle the folding top under power through one complete cycle in both directions.
4. Inspect the fluid level again and add more fluid as necessary. Refer to Folding Top Fluid Addition (Service and Repair).
5. Cycle the folding top under power through 5 complete cycles in both directions. Allow 5 minutes between each cycle.
6. Inspect the folding top for proper operation.