Curiosii for ever!
: Car repair manuals for everyone.
Home
>>
Pontiac
>>
2009
>>
G6 L4-2.4L
>>
Repair and Diagnosis
>>
Windows and Glass
>>
Windows
>>
Diagrams
>>
Electrical Diagrams
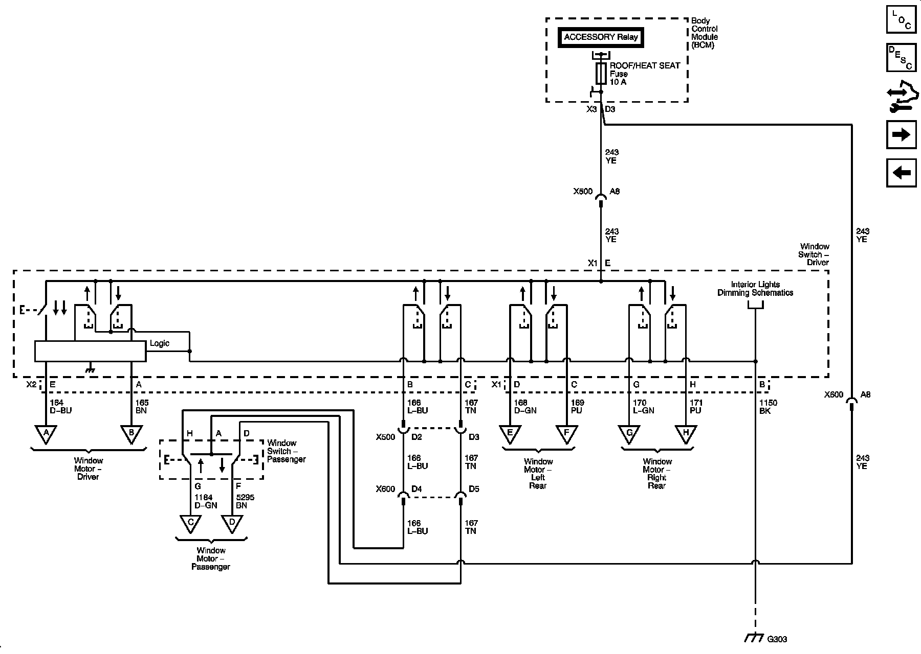
Electrical Diagrams
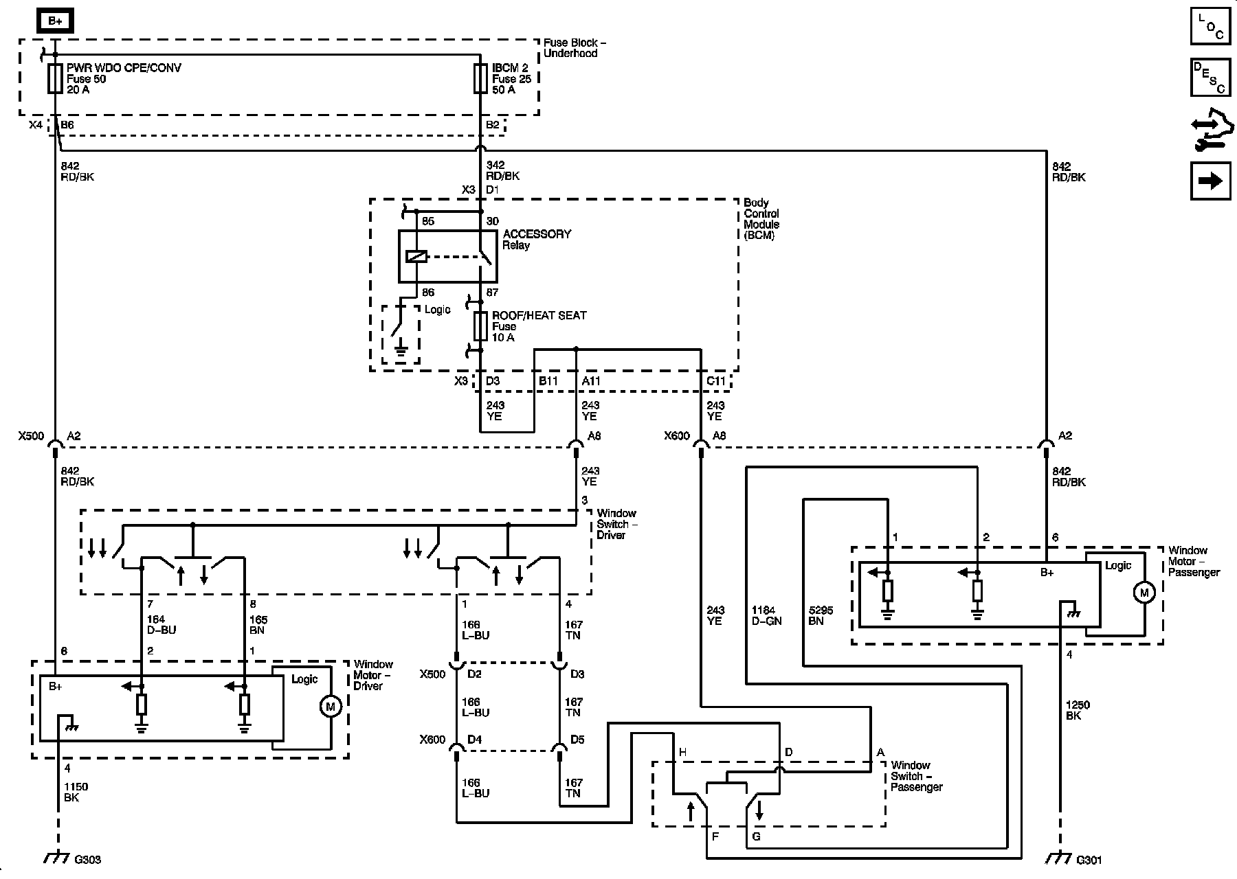
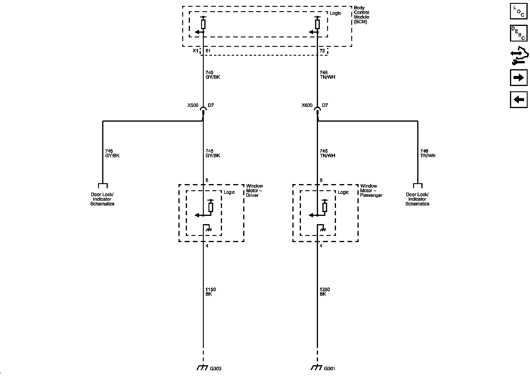
Moveable Window Schematics
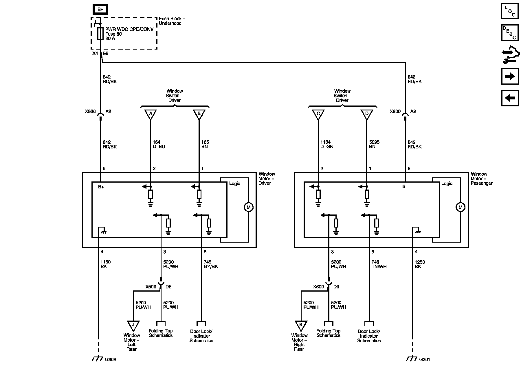
Window Motors - Coupe
Ajar Switches - Coupe
Sedan
Window Switches - Convertible
Front Window Motors - Convertible
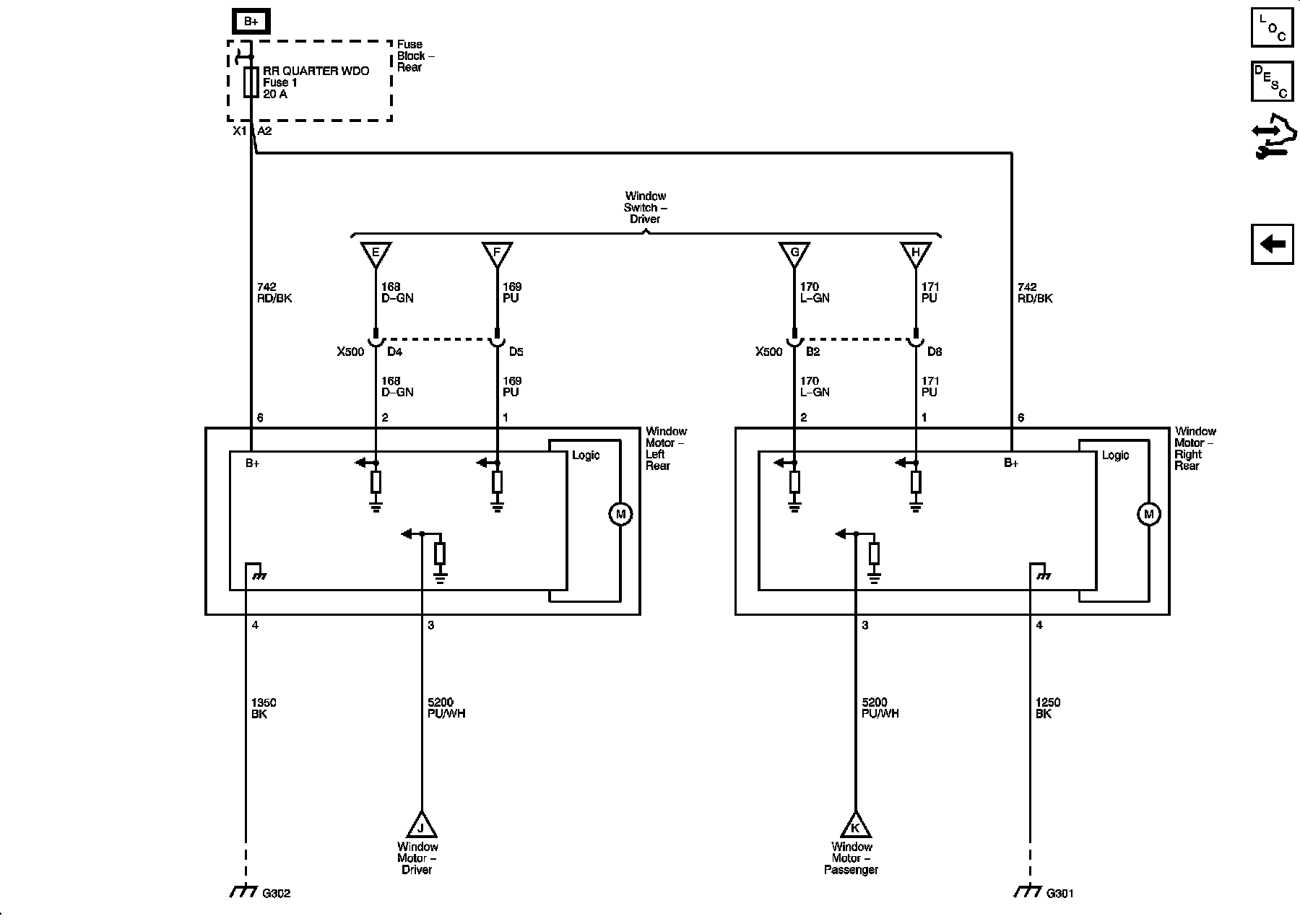
Rear Window Motors - Convertible