Curiosii for ever!: Car repair manuals for everyone.

Electrical Diagrams




Data Communication Schematics

Power, Ground, High Speed GMLAN Serial Data





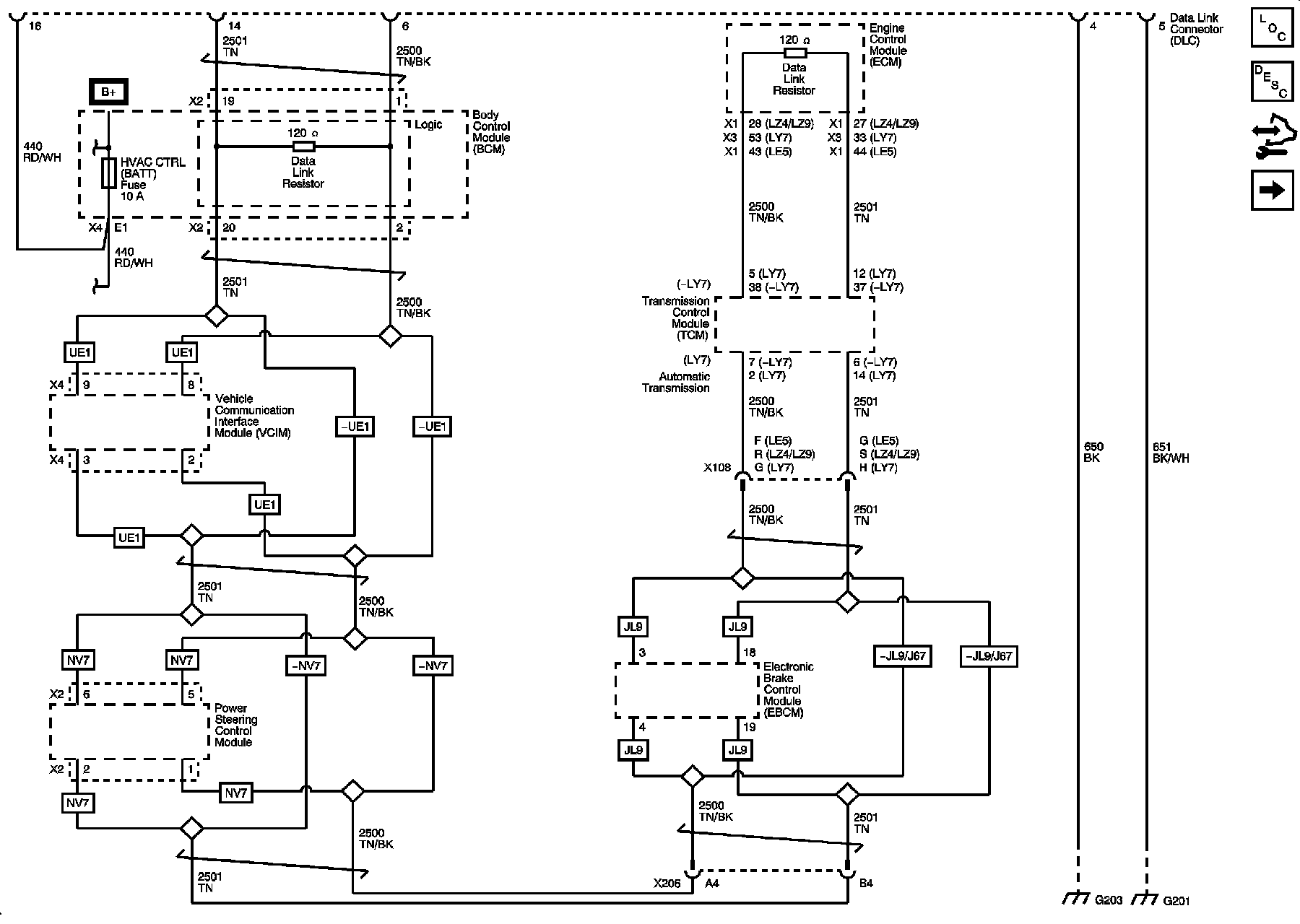
Low Speed GMLAN Serial Data (1 of 2)





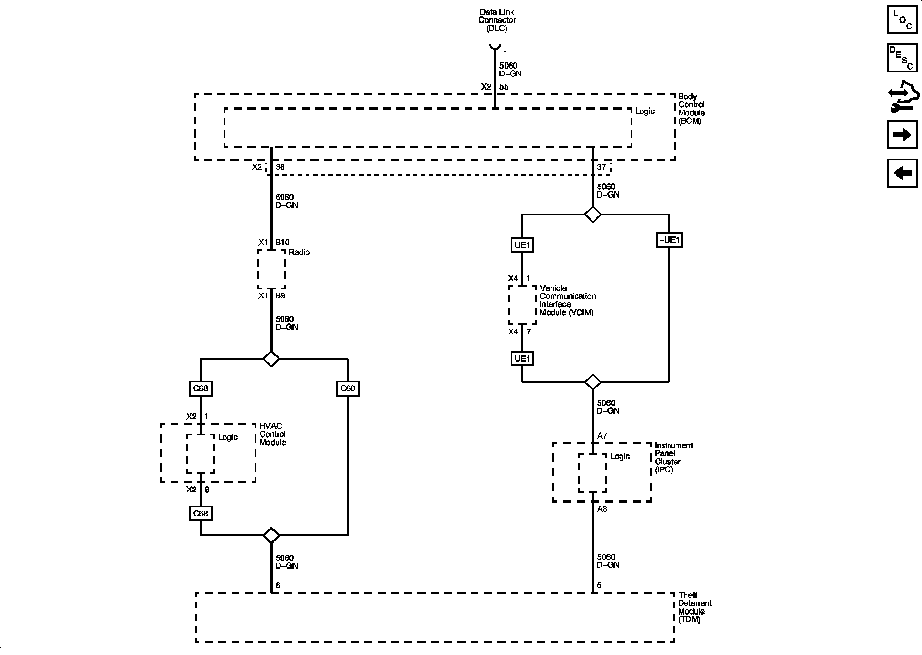
Low Speed Serial Data (2 of 2)