Curiosii for ever!
: Car repair manuals for everyone.
Home
>>
Pontiac
>>
2009
>>
G6 L4-2.4L
>>
Repair and Diagnosis
>>
Power and Ground Distribution
>>
Diagrams
>>
Electrical Diagrams
>>
Power Moding Diagrams
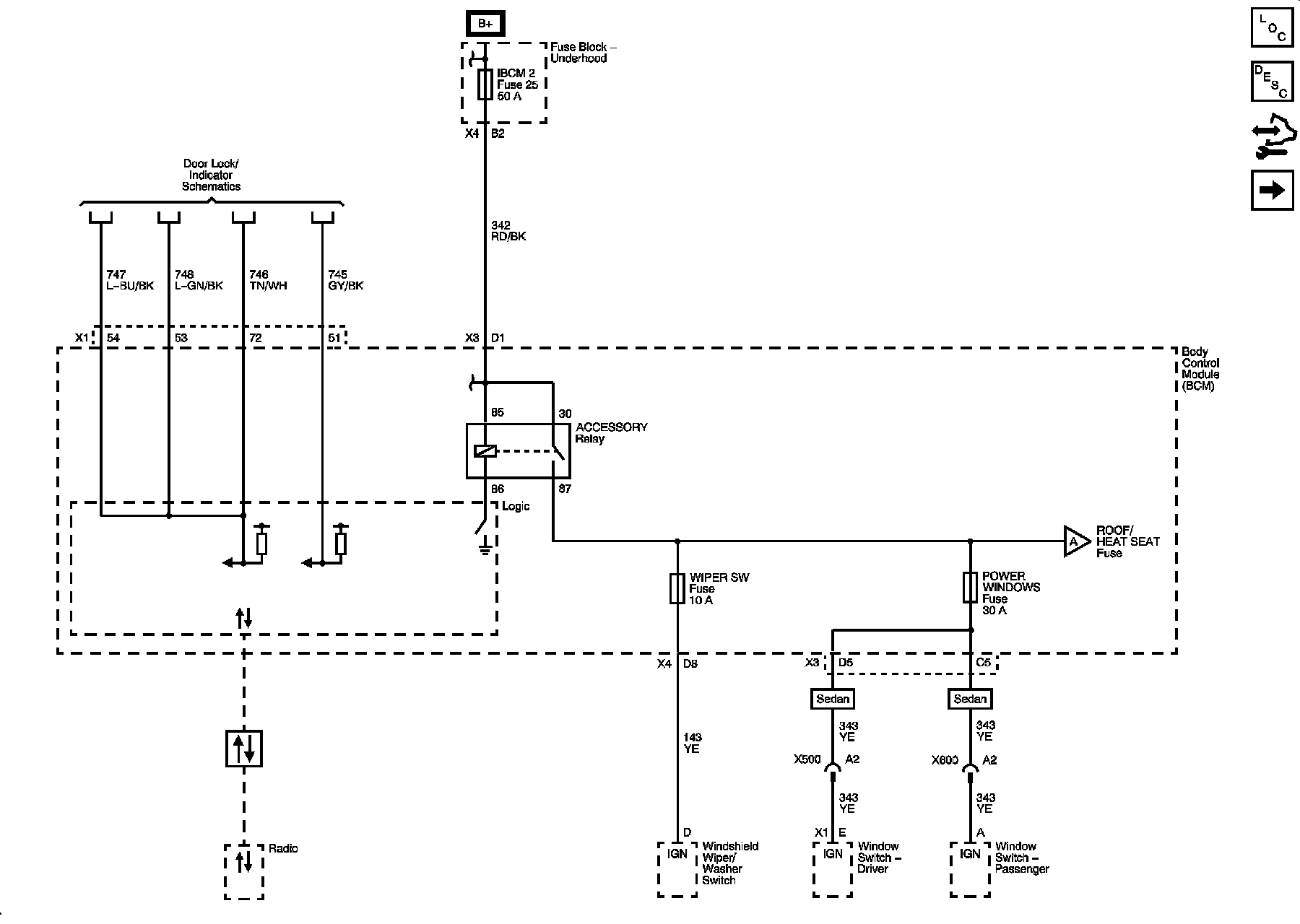
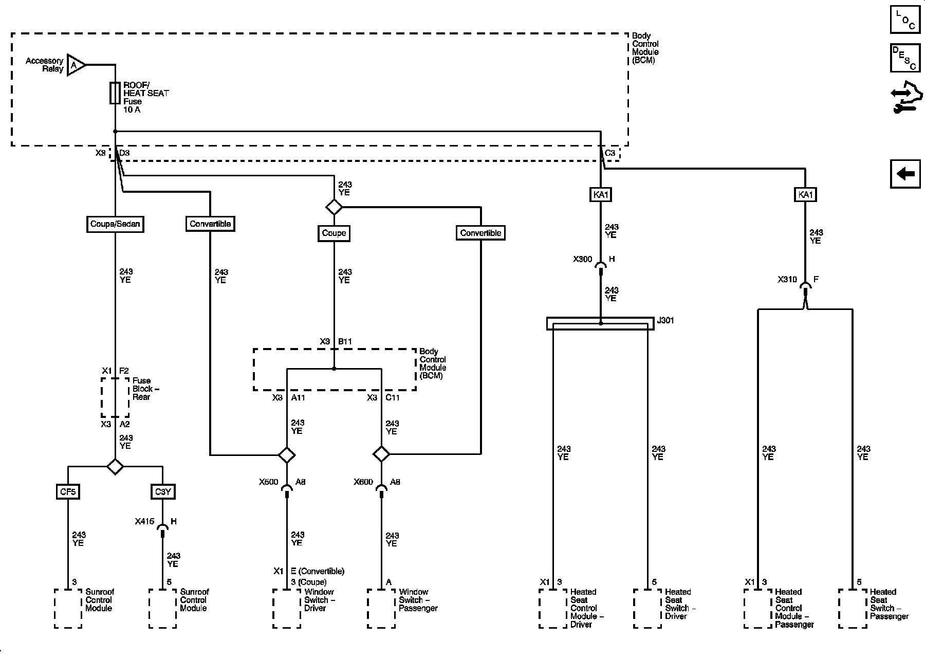
Power Moding Diagrams
Power Moding Schematics
1 of 2
2 of 2