Curiosii for ever!
: Car repair manuals for everyone.
Home
>>
Pontiac
>>
2009
>>
G6 L4-2.4L
>>
Repair and Diagnosis
>>
Diagrams
>>
Electrical Diagrams
>>
Transmission Control Systems
>>
4T45-E Automatic Transaxle
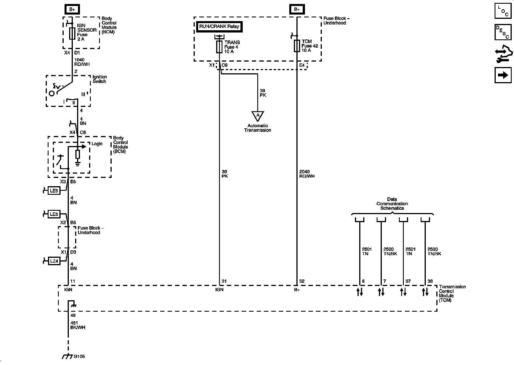
4T45-E Automatic Transaxle
Automatic Transmission Controls Schematics
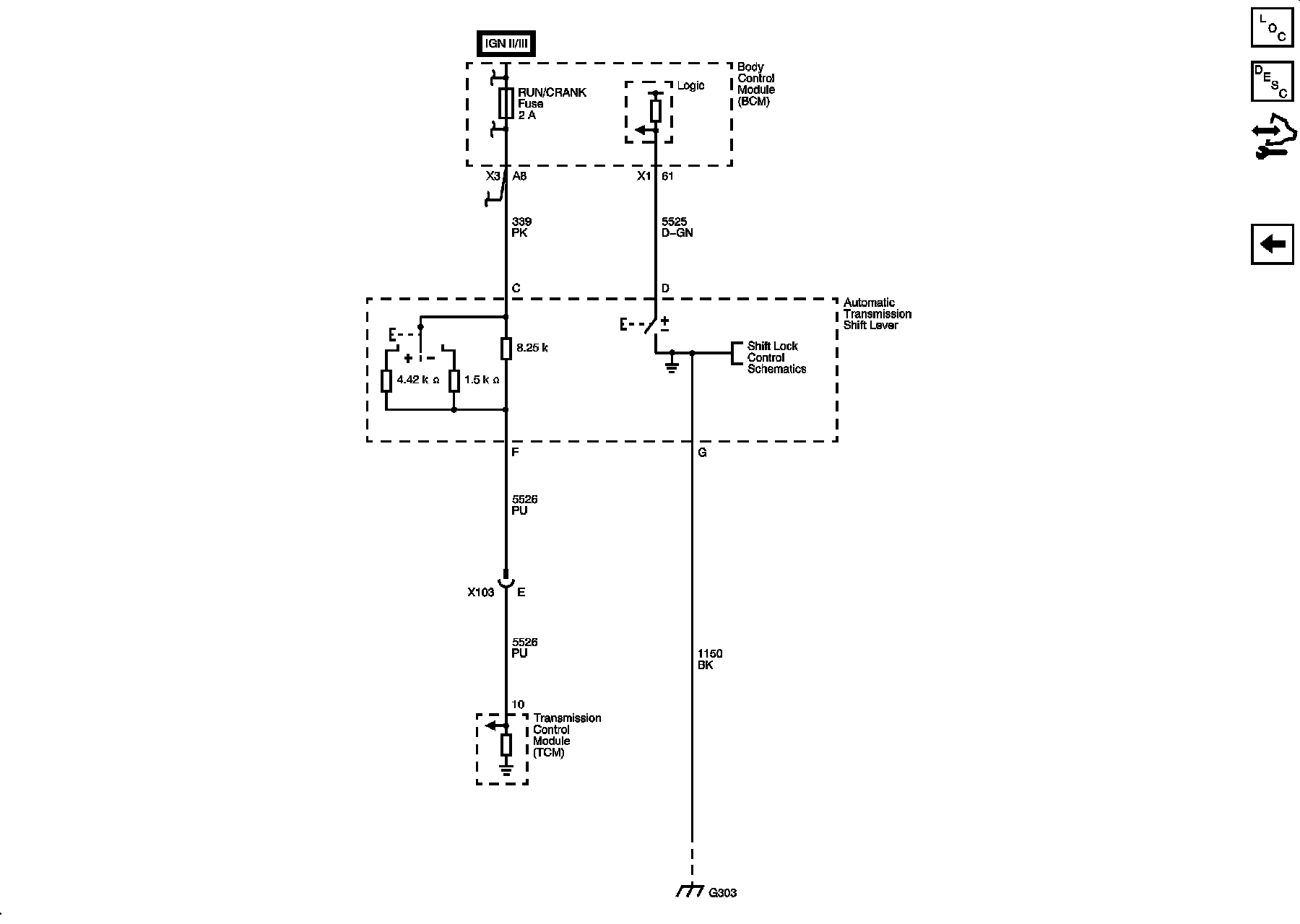
Power, Ground, and Serial Data
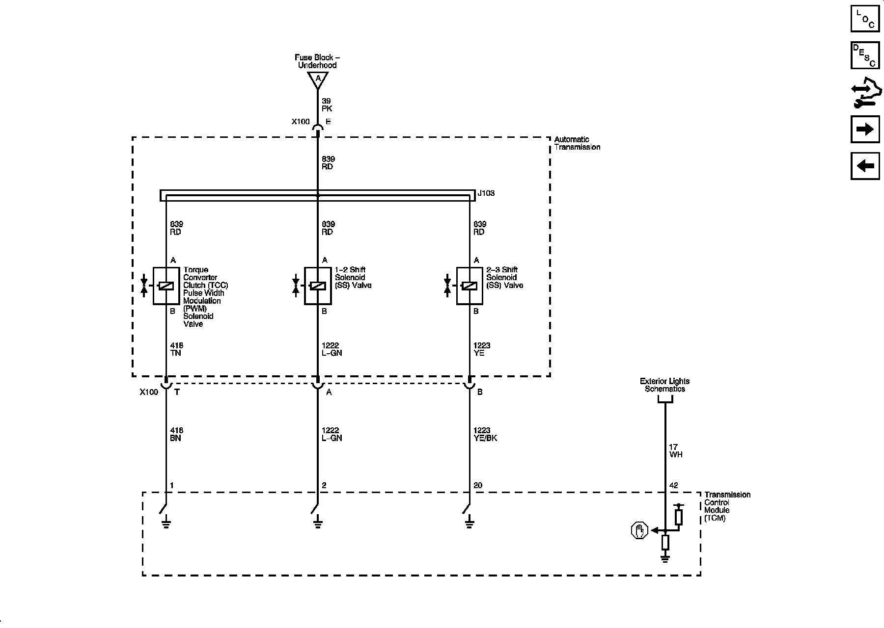
Shift/TCC Solenoids
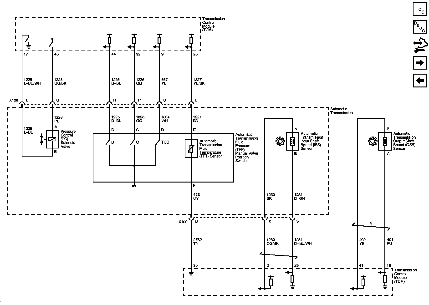
ISS, OSS, PC Solenoid, and TFP Switches
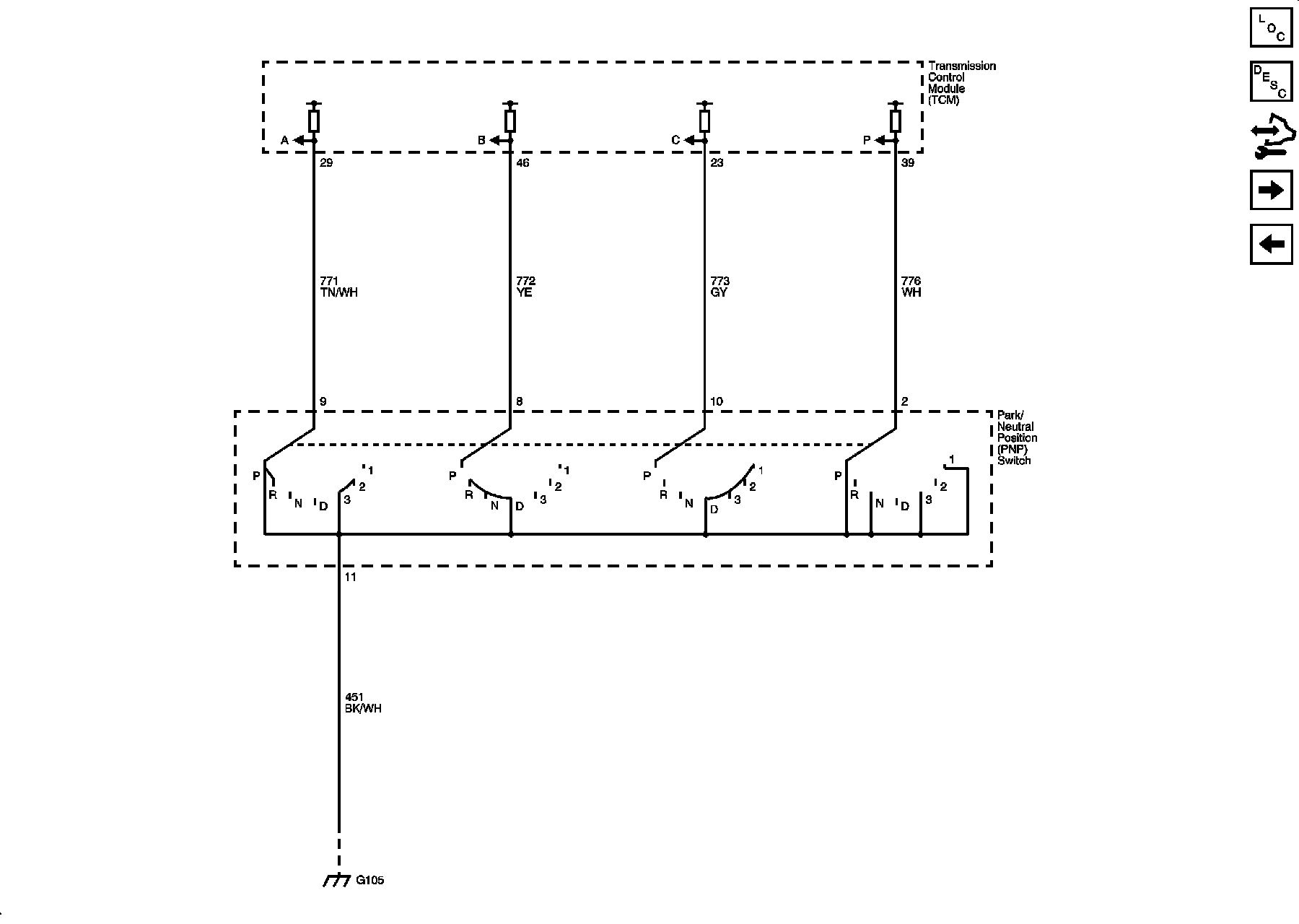
PNP Switch
Tap Up/Tap Down Switch (LZ4)