Curiosii for ever!: Car repair manuals for everyone.

Electrical Diagrams



ENGINE CONTROLS SCHEMATICS

Power, Ground, MIL, Communication







5-Volt and Low Reference Bussing







Engine Data Sensors - Pressure, Temperature, MAF/IAT







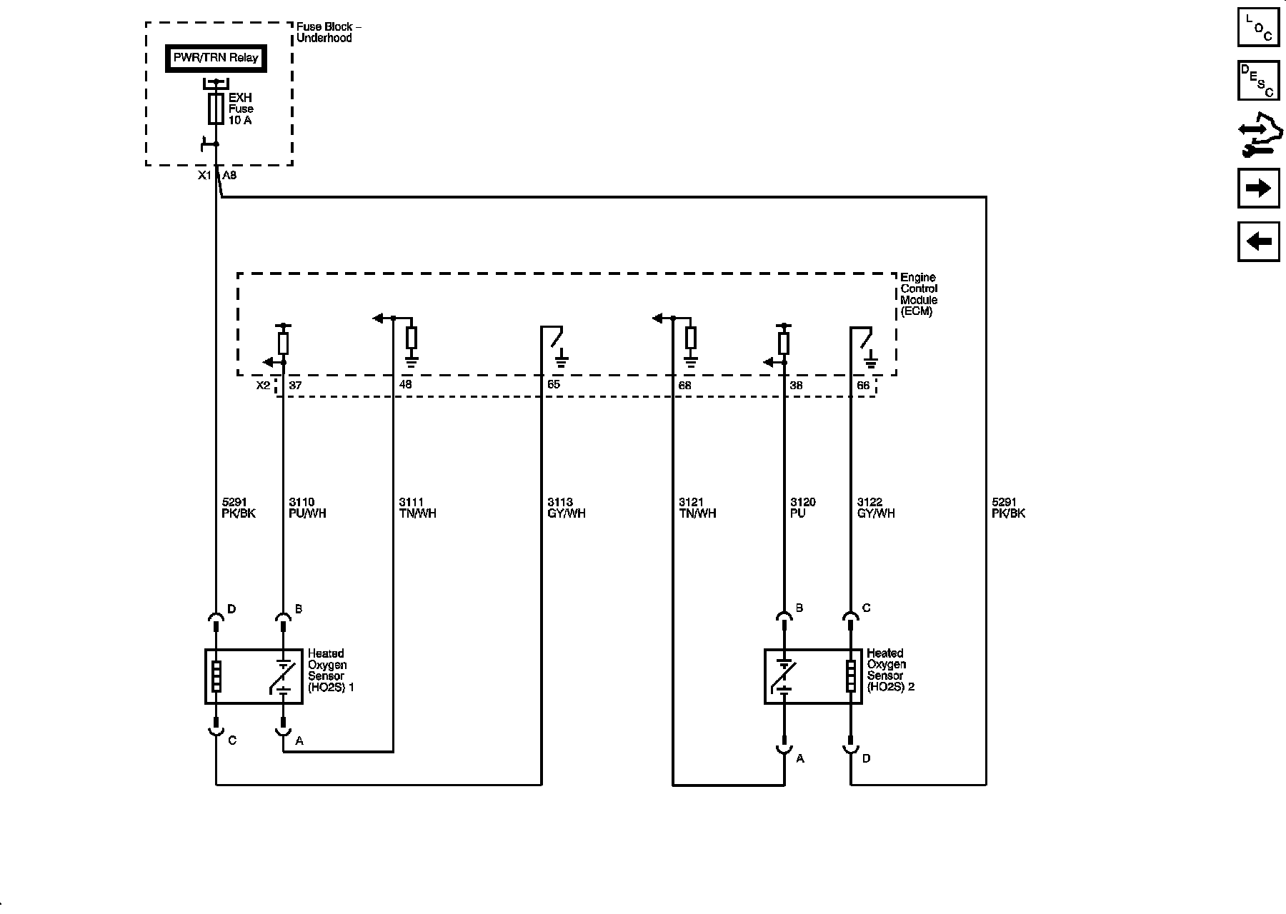
Engine Data Sensors - Heated Oxygen Sensors (HO2S)







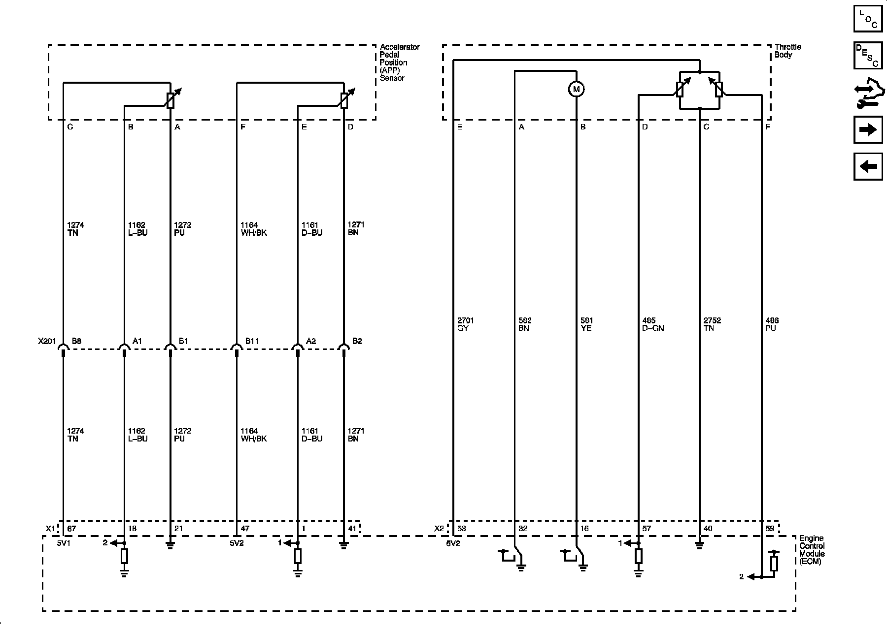
Engine Data Sensors - APP, TAC







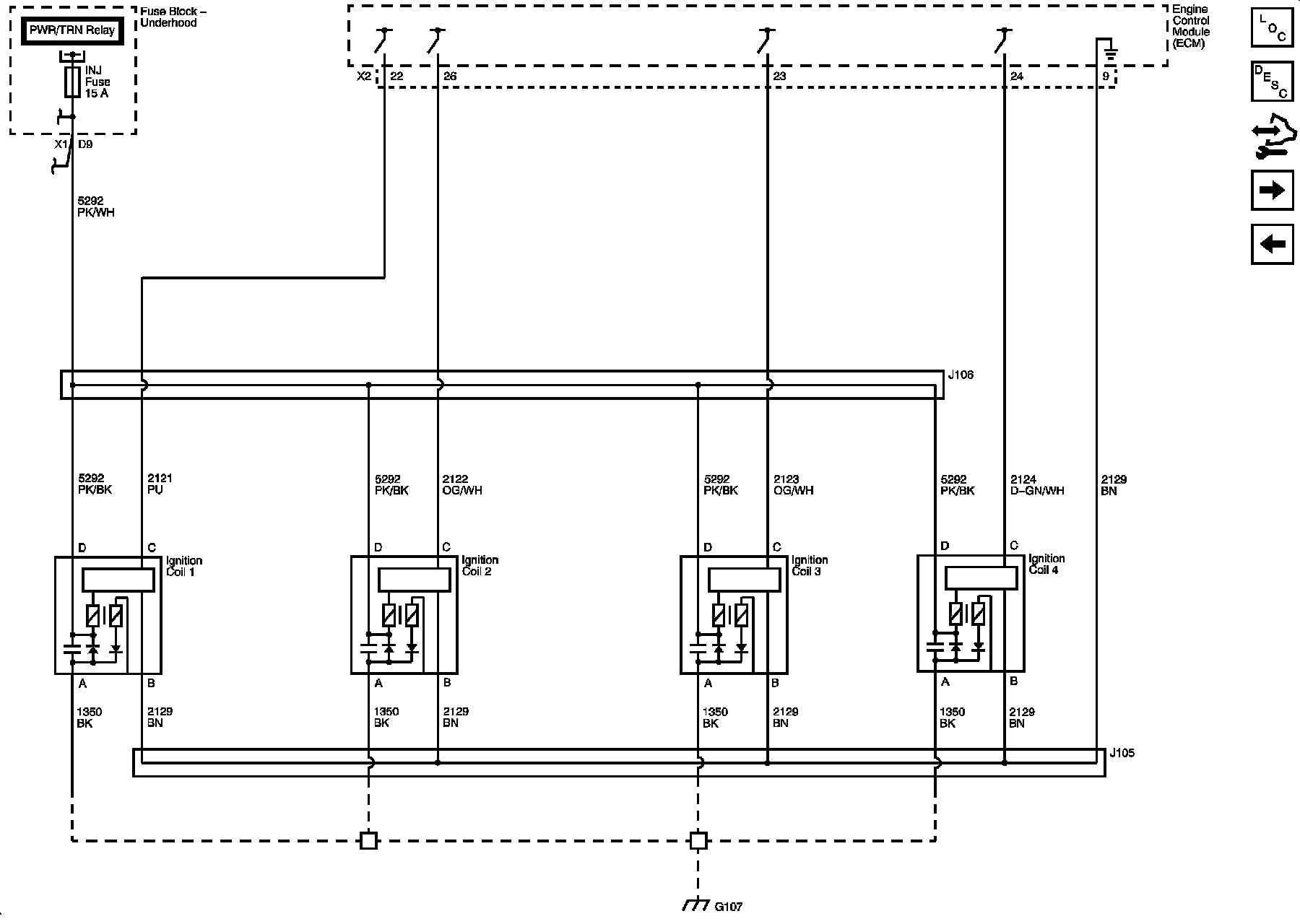
Ignition Controls - Ignition System







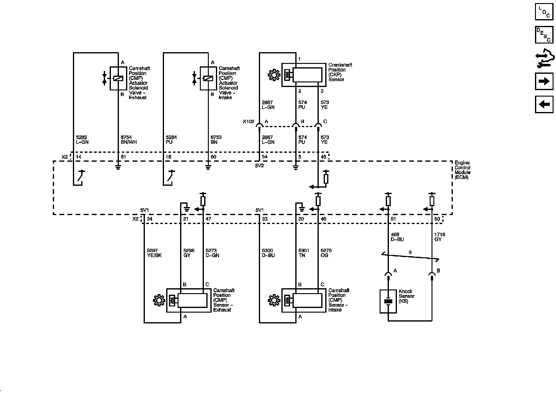
Ignition Controls - Sensors







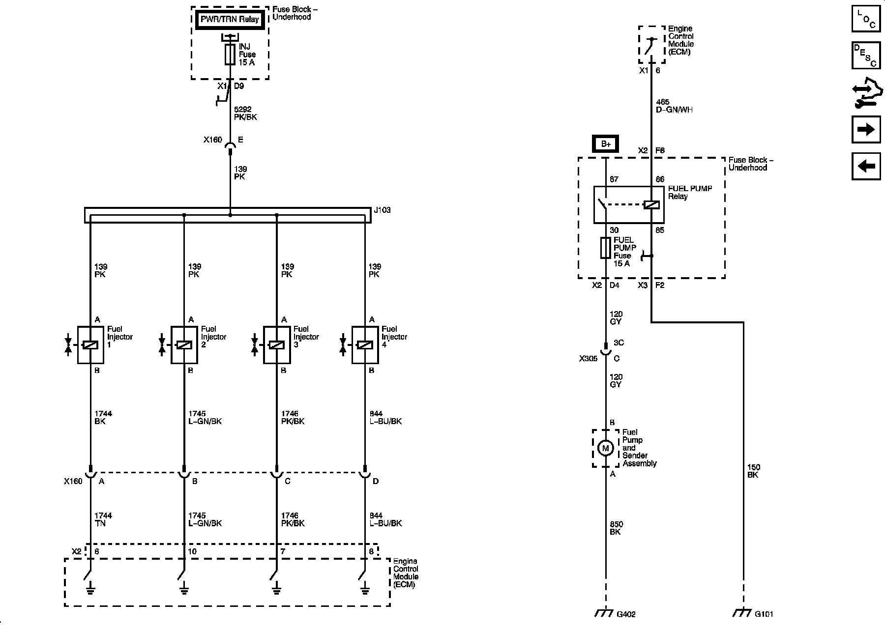
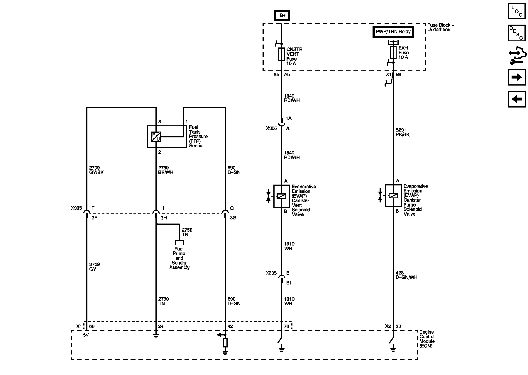
Fuel Controls, Injectors







EVAP Controls







Controlled/Monitored Subsystem References







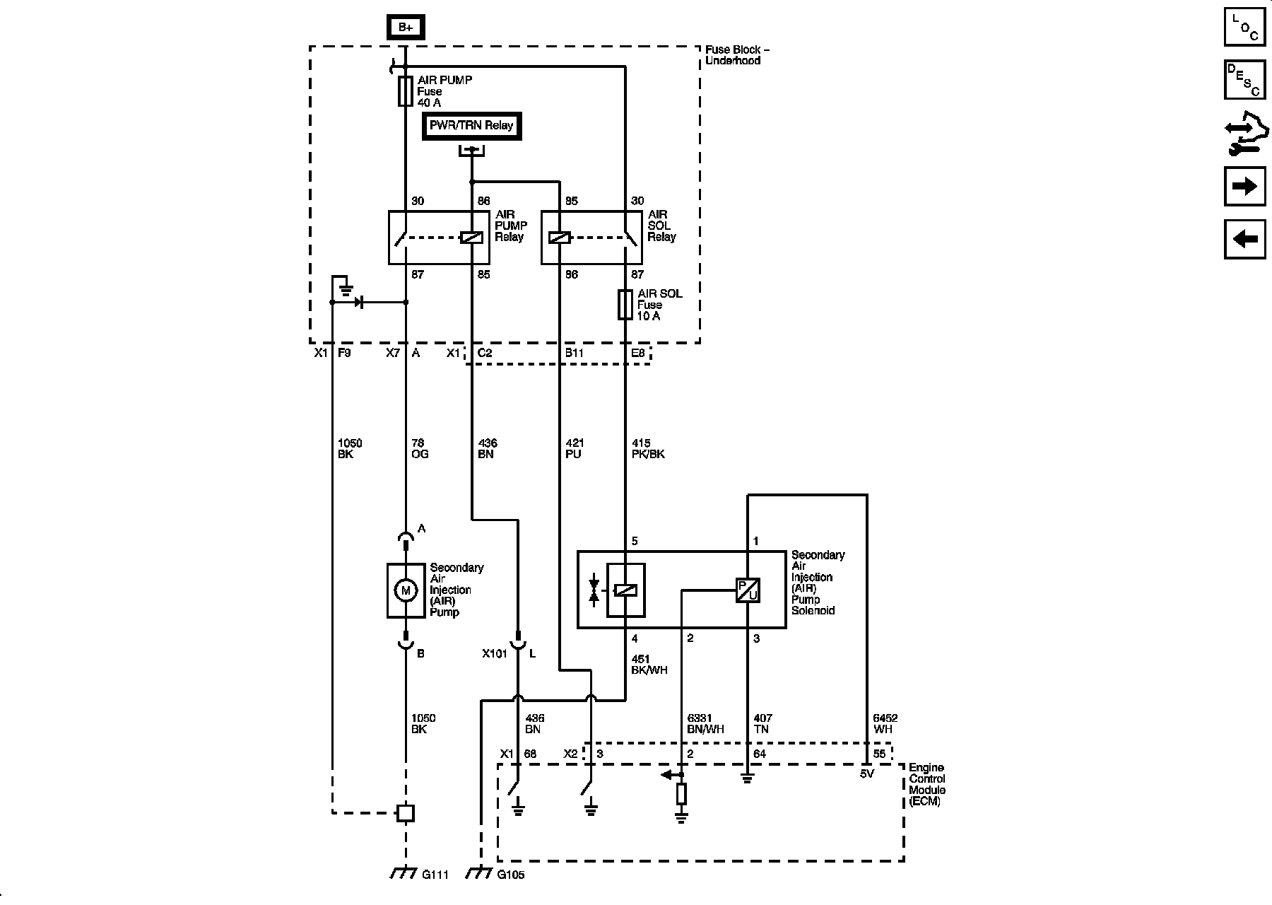
Secondary Air Injection (AIR) System - NU6







Locations: The locations for the Connectors, Grounds, Splices, and Grommets shown within these diagrams can be found via their numbers at Vehicle Locations. Locations