Curiosii for ever!
: Car repair manuals for everyone.
Home
>>
Pontiac
>>
2009
>>
G5 L4-2.2L
>>
Repair and Diagnosis
>>
Power and Ground Distribution
>>
Diagrams
>>
Electrical Diagrams
>>
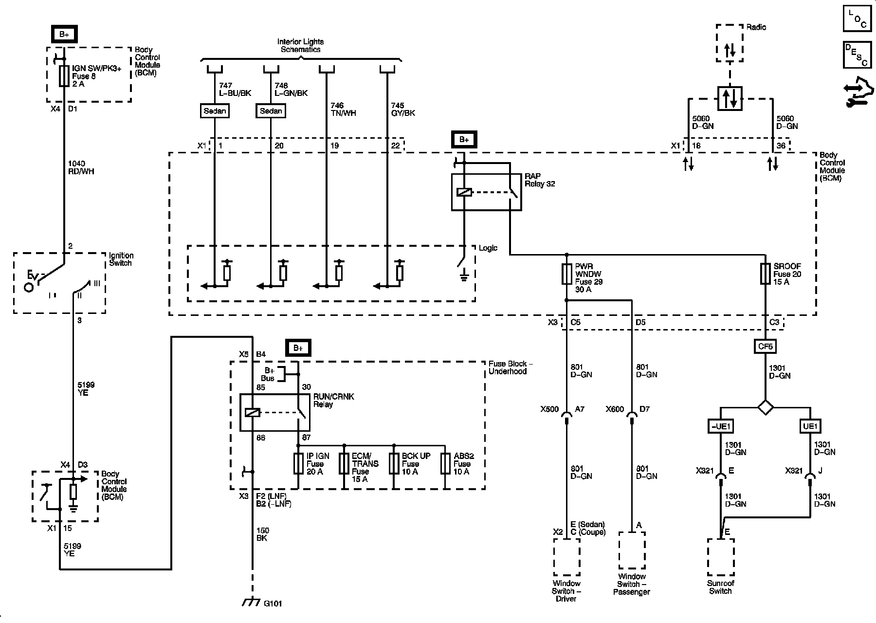
Power Moding Diagrams
Power Moding Diagrams
Power Moding Schematics