Curiosii for ever!
: Car repair manuals for everyone.
Home
>>
Pontiac
>>
2009
>>
G5 L4-2.2L
>>
Repair and Diagnosis
>>
Diagrams
>>
Electrical Diagrams
>>
Seat Temperature Element
Seat Temperature Element
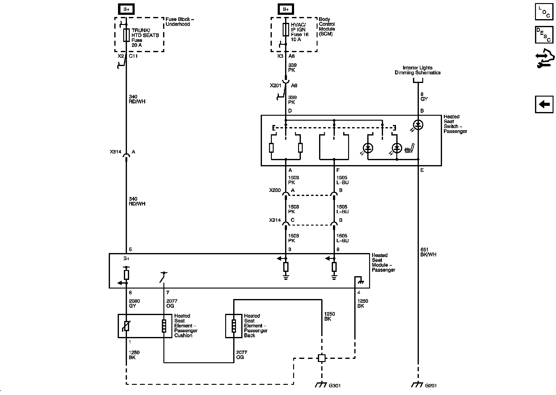
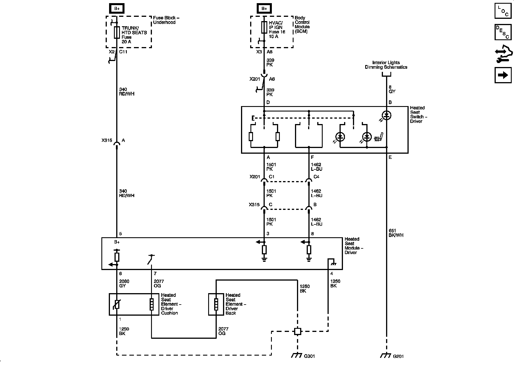
Heated/Cooled Seat Schematics
Heated Seat - Driver
Heated Seat - Passenger