Curiosii for ever!
: Car repair manuals for everyone.
Home
>>
Pontiac
>>
2009
>>
G5 L4-2.2L
>>
Repair and Diagnosis
>>
Diagrams
>>
Electrical Diagrams
>>
Powertrain Management
>>
Computers and Control Systems
>>
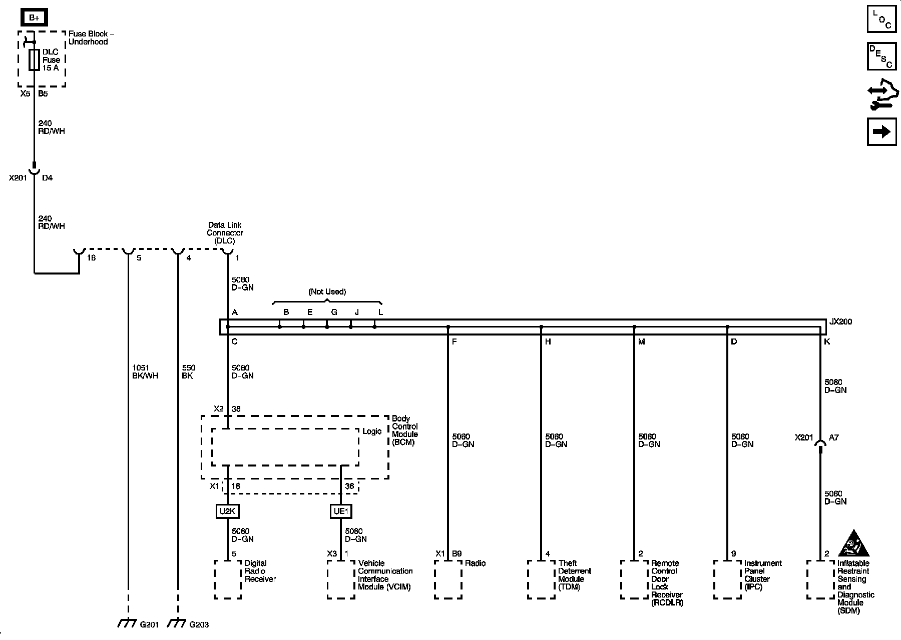
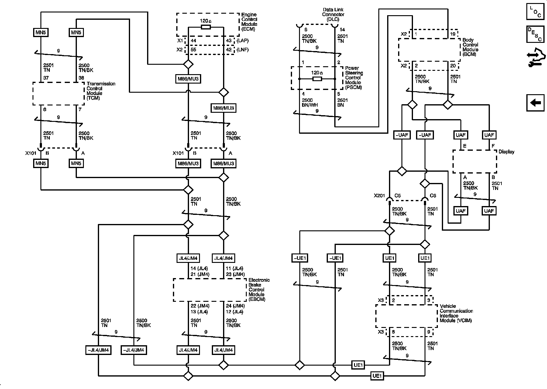
Information Bus
Information Bus
Data Communication Schematics
Power, Ground, Low Speed GMLAN
High Speed GMLAN