Curiosii for ever!
: Car repair manuals for everyone.
Home
>>
Pontiac
>>
2009
>>
G5 L4-2.2L
>>
Repair and Diagnosis
>>
Body and Frame
>>
Interior Moulding / Trim
>>
Console
>>
Service and Repair
>>
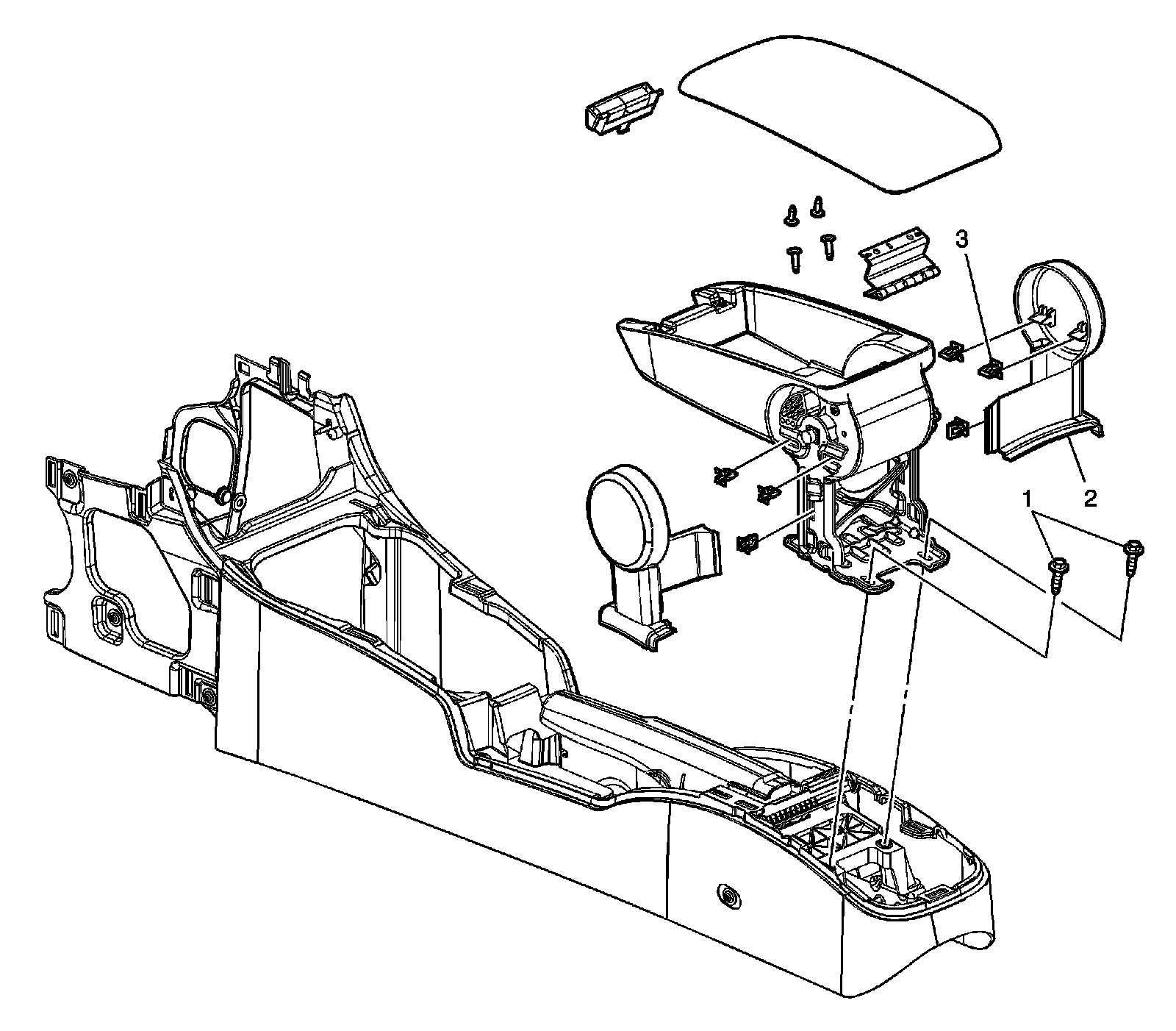
Front Floor Console Armrest Support Anchor Plate Replacement
Front Floor Console Armrest Support Anchor Plate Replacement
Front Floor Console Armrest Support Anchor Plate Replacement