Curiosii for ever!
: Car repair manuals for everyone.
Home
>>
Pontiac
>>
2008
>>
Solstice L4-2.4L
>>
Repair and Diagnosis
>>
Windows and Glass
>>
Windows
>>
Diagrams
>>
Electrical Diagrams
Electrical Diagrams
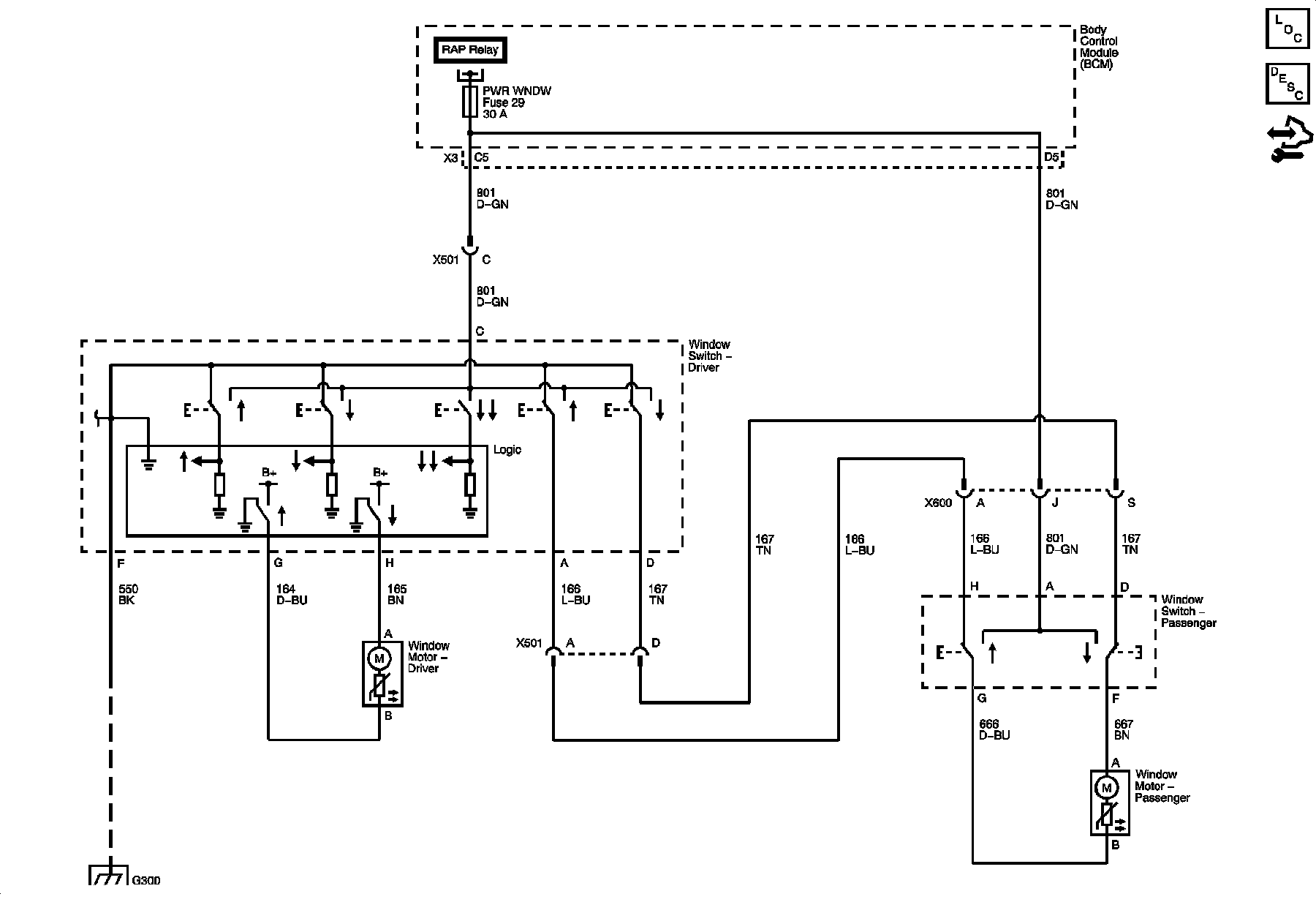
Moveable Window Schematics