Curiosii for ever!
: Car repair manuals for everyone.
Home
>>
Pontiac
>>
2008
>>
Solstice L4-2.4L
>>
Repair and Diagnosis
>>
Powertrain Management
>>
Computers and Control Systems
>>
Information Bus
>>
Diagrams
>>
Electrical Diagrams
Electrical Diagrams
Data Communication Schematics
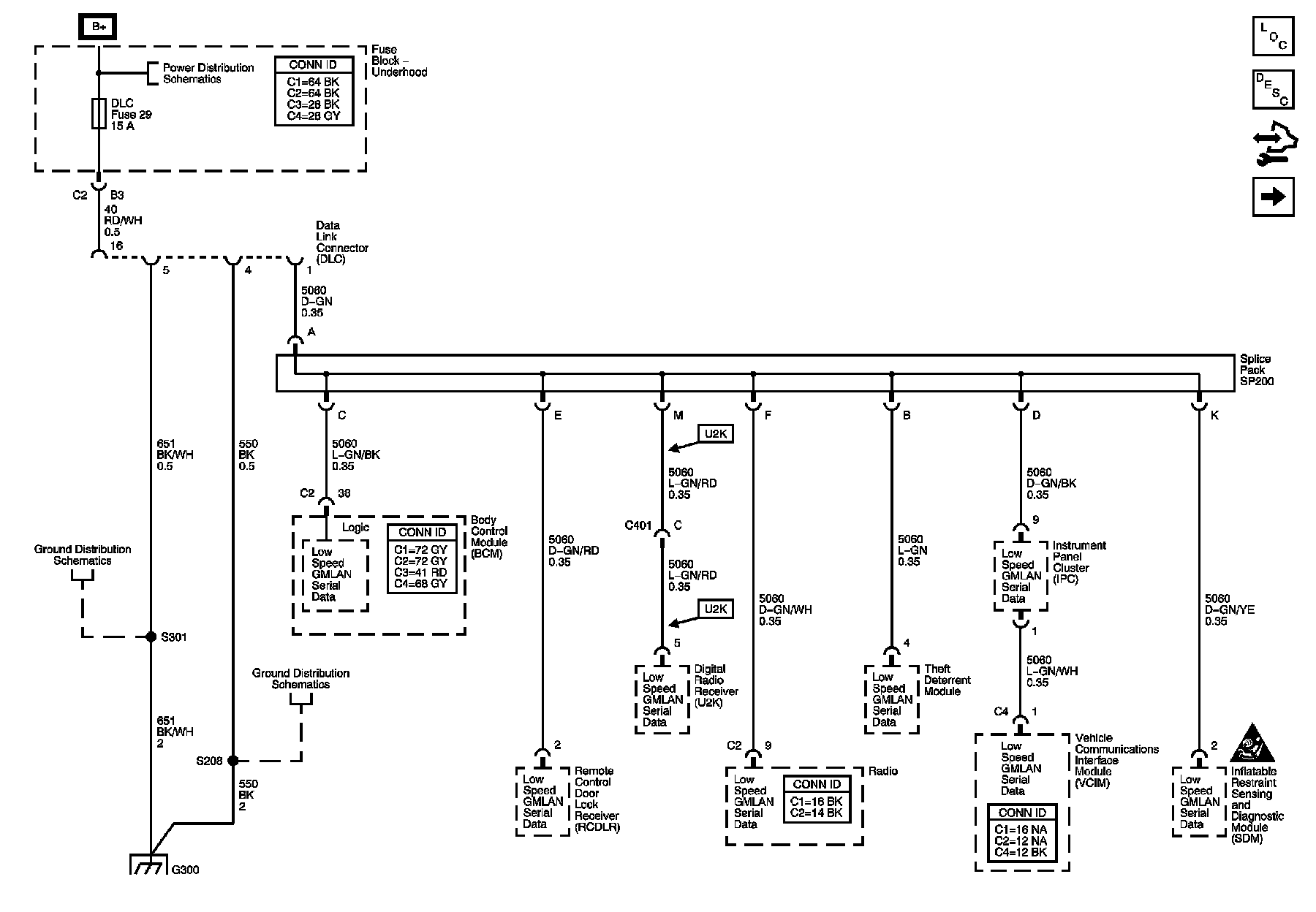
Low Speed LAN
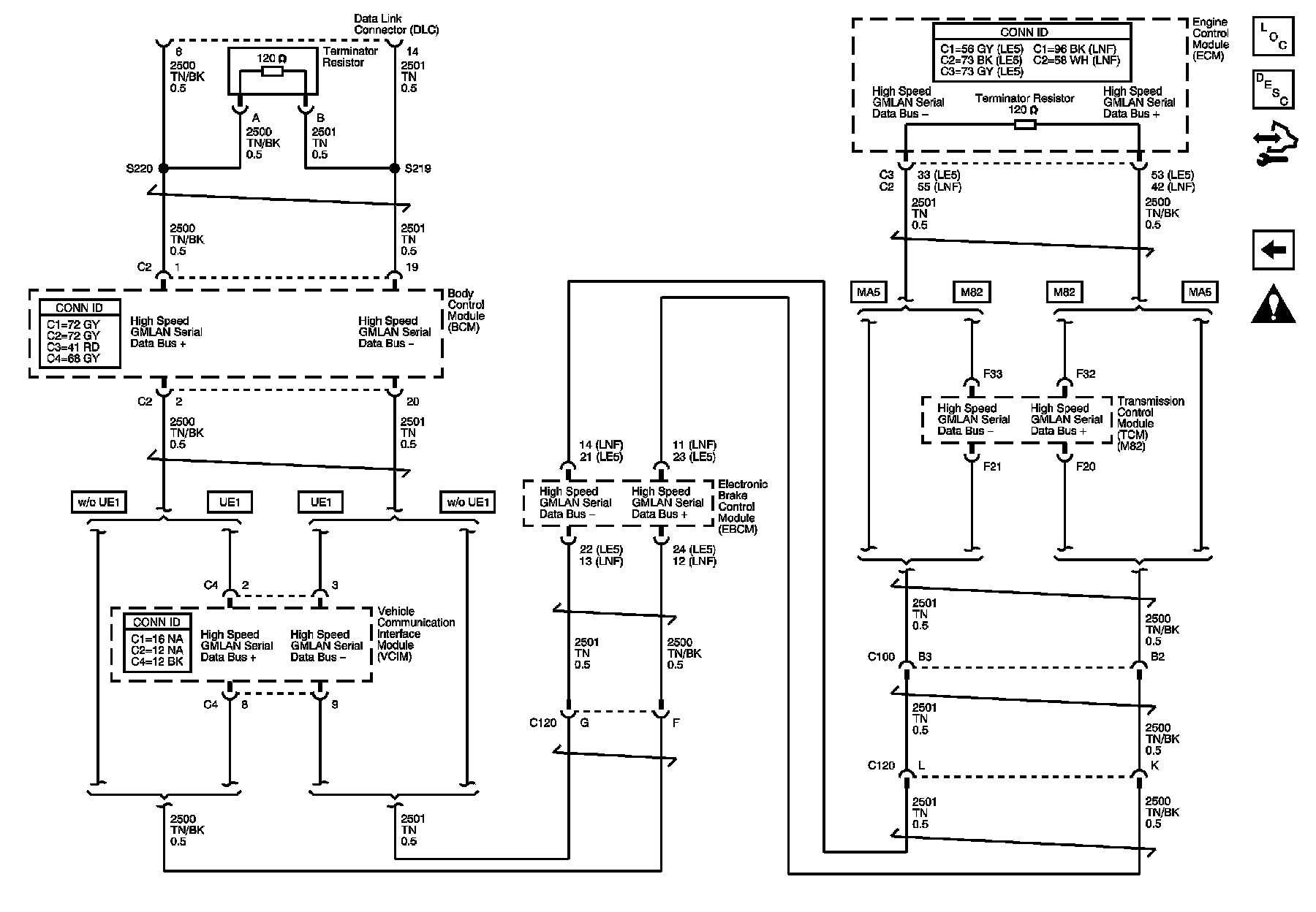
High Speed LAN