Curiosii for ever!
: Car repair manuals for everyone.
Home
>>
Pontiac
>>
2008
>>
Solstice L4-2.4L
>>
Repair and Diagnosis
>>
Diagrams
>>
Electrical Diagrams
>>
Locks
>>
Door Lock/Indicator Schematics
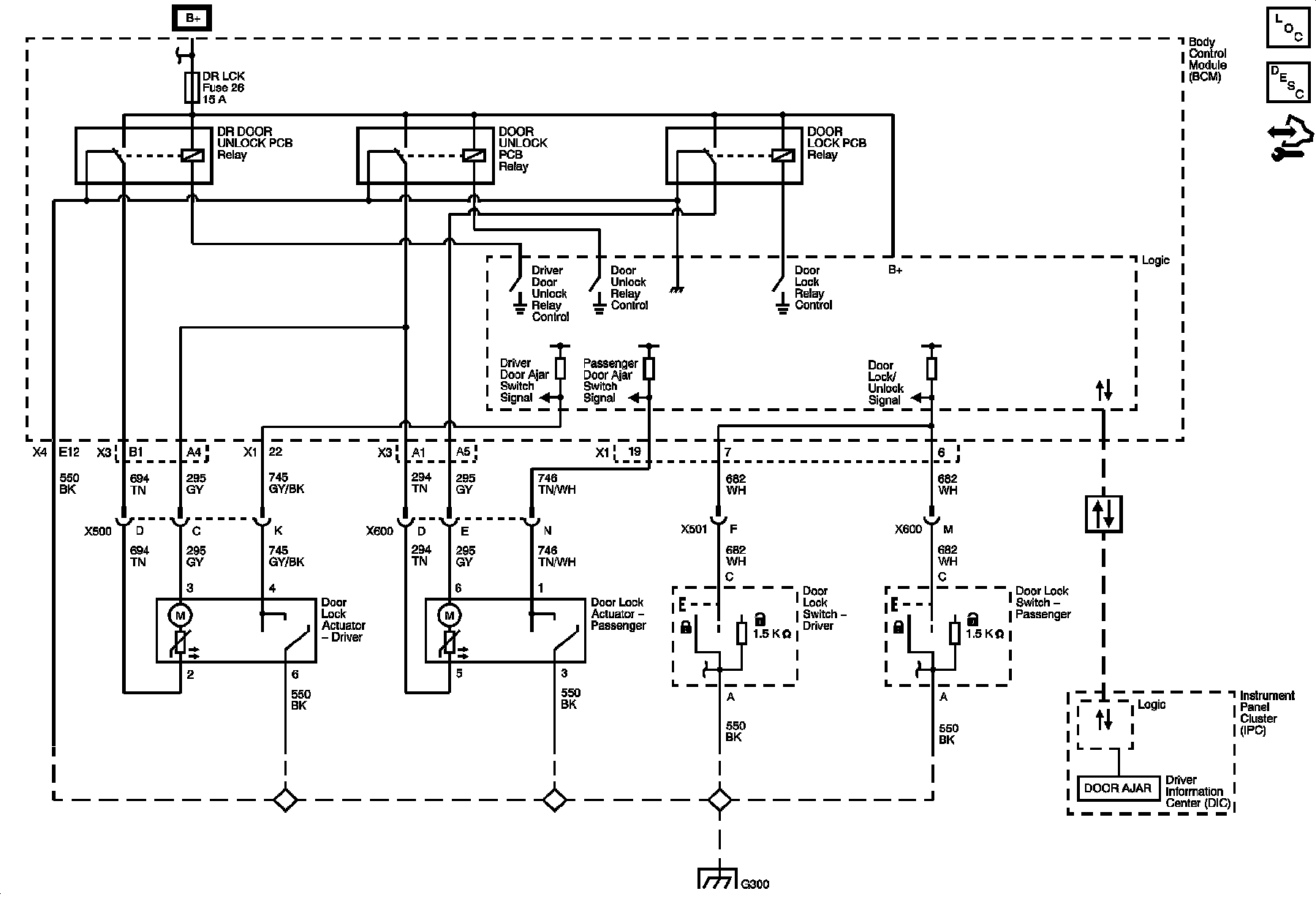
Door Lock/Indicator Schematics
Door Lock/Indicator Schematics