Curiosii for ever!
: Car repair manuals for everyone.
Home
>>
Pontiac
>>
2008
>>
Solstice L4-2.4L
>>
Repair and Diagnosis
>>
Diagrams
>>
Electrical Diagrams
>>
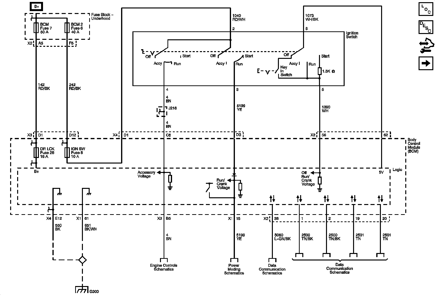
Body Control Systems
Body Control Systems
Body Control System Schematics
Power, Ground, and Data Link
Lighting System References
Brakes, Cooling System, Cruise, and Door Lock References
Defogger, Horn, Release Systems, and Wiper/Washer References