Curiosii for ever!: Car repair manuals for everyone.

Condenser HVAC: Service and Repair



Air Conditioning Condenser Replacement

Removal Procedure

1. Remove the air filter assembly. Refer to Air Cleaner Assembly Replacement (Service and Repair) , or Air Cleaner Assembly Replacement (Service and Repair) .
2. Remove the radiator air baffle and deflector. Refer to Radiator Air Upper Baffle and Deflector Replacement (Service and Repair) .
Caution: Refer to Safety Glasses Caution (Safety Glasses Warning) .
3. Recover the refrigerant. Refer to Refrigerant Recovery and Recharging (Refrigerant Recovery and Recharging) .





Important: Remove the upper radiator support brackets by raising the securing lock upwards and sliding the bracket out of the radiator slide pin.


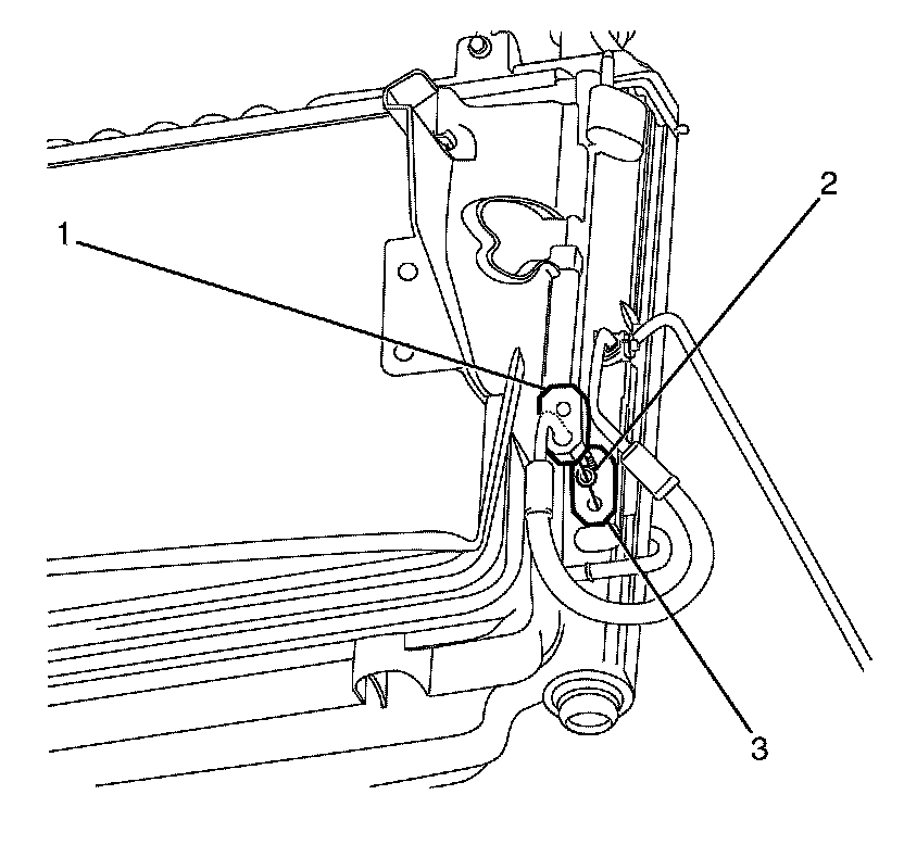
4. Remove the upper radiator support brackets (1).
Caution: Refer to Vehicle Lifting Caution (Service Precautions) .
5. Raise and support the vehicle. Refer to Lifting and Jacking the Vehicle (Service and Repair) .
6. Remove the air deflector front. Refer to Front Air Deflector Replacement (Service and Repair) .




7. Place a large suitable container under the condenser (1).
8. Disconnect the power steering cooler hoses (2) from the condenser (1).

Important: Plug or cap the power steering cooler hose (2) ends to prevent leaks and/or contamination.


9. Plug or cap the power steering cooler hose (2) ends.




10. Remove the liquid pipe to the condenser port retaining nut (1).




11. Disconnect the liquid pipe (1) from the condenser port (3).

Important: The sealing washer (2) is a single use item and must be discarded after use.


12. Remove the sealing washer (2). Refer to Sealing Washer Replacement (Sealing Washer Replacement) .
Discard the sealing washer

Important: Cover any opening of the A/C system with a suitable cap or tape immediately, to prevent absorption of moisture from the atmosphere.


13. Cap or plug the liquid pipe (1) and the condenser port (3).
14. Lower the vehicle.





Important: Gently push the radiator and condenser towards the engine to allow removal of the discharge pipe to condenser retaining nut (1).


15. Remove the discharge pipe to condenser retaining nut (1).




16. Disconnect the discharge pipe (1) from condenser (3) and position aside.
17. Remove the sealing washer (2). Refer to Sealing Washer Replacement (Sealing Washer Replacement) .
Discard the sealing washer.

Important: Cover any opening of the A/C system with a suitable cap or tape immediately, to prevent absorption of moisture from the atmosphere.


18. Cap or plug the discharge pipe (1) and the condenser (3).





Important: Gently push the radiator and condenser towards the engine to allow removal of the condenser to radiator retaining bolts (1).


19. Remove the condenser to radiator retaining bolts (1).





Important: Remove the condenser (1) by lifting it up between the radiator and radiator support.


20. Remove the condenser (1) from the engine compartment.



Installation Procedure






Important: Install the condenser (1) by lowering down between the radiator and radiator support.


1. Install the condenser (1) to the engine compartment.





Notice: Refer to Fastener Notice (Fastener Notice) .


Important: Gently push the radiator and condenser towards the engine to allow installation of the condenser to radiator retaining bolts (1).


2. Install the condenser to radiator retaining bolts (1).

Tighten the bolts to 11 N.m (97 lb in).





3. Remove the plugs or caps from the discharge pipe (1) and the condenser (3).

Important: DO NOT coat the NEW sealing washer (2) with oil, they must be fitted dry. The use of mineral oil will render the sealing washer (2) useless, as the sealing washer (2) WILL swell causing refrigerant to leak out.


4. Install a NEW sealing washer (2). Refer to Sealing Washer Replacement (Sealing Washer Replacement) .
5. Install the discharge pipe (1) to condenser (3).





Notice: Refer to Fastener Notice (Fastener Notice) .


Important: Gently push the radiator and condenser towards the engine to allow installation of the discharge pipe to condenser retaining nut (1).


6. Install the discharge pipe to condenser retaining nut (1).

Tighten the nut to 22 N.m(16 lb ft).

7. Raise the vehicle.




8. Remove the plugs or caps from the suction pipe liquid pipe (1) and the condenser port (3).

Important: DO NOT coat the NEW sealing washer (2) with oil, they must be fitted dry. The use of mineral oil will render the sealing washer (2) useless, as the sealing washer (2) WILL swell causing refrigerant to leak out.


9. Install a NEW sealing washer (2). Refer to Sealing Washer Replacement (Sealing Washer Replacement) .
10. Connect the liquid pipe (1) to the condenser port (3).




11. Install the liquid pipe to condenser port retaining nut (1).

Tighten the nut to 22 N.m(16 lb ft).





12. Remove the plug or cap at the power steering cooler hose (2) ends.
13. Connect the power steering cooler hoses (2) to the condenser (1).
14. Install the air deflector front. Refer to Front Air Deflector Replacement (Service and Repair) .
15. Lower the vehicle.




16. Install radiator upper retaining brackets (1).
17. Fill the power steering fluid reservoir as necessary. Refer to Checking and Adding Power Steering Fluid (Checking and Adding Power Steering Fluid) .
18. Evacuate and recharge the A/C system. Refer to Refrigerant Recovery and Recharging (Refrigerant Recovery and Recharging) .
19. Install the air filter assembly. Refer to Air Cleaner Assembly Replacement (Service and Repair) , or Air Cleaner Assembly Replacement (Service and Repair) .
20. Leak test the fittings of the component using Leak Testing (Leak Testing) .
21. Install the radiator air baffle and deflector. Refer to Radiator Air Upper Baffle and Deflector Replacement (Service and Repair) .