Curiosii for ever!
: Car repair manuals for everyone.
Home
>>
Pontiac
>>
2008
>>
G8 V6-3.6L
>>
Repair and Diagnosis
>>
Diagrams
>>
Electrical Diagrams
>>
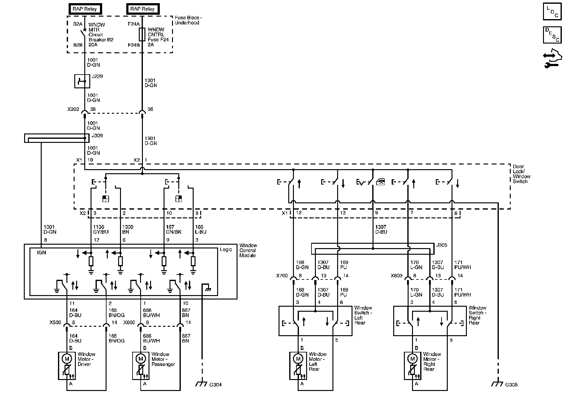
Windows
Windows
Moveable Window Schematics