Curiosii for ever!
: Car repair manuals for everyone.
Home
>>
Pontiac
>>
2008
>>
G8 V6-3.6L
>>
Repair and Diagnosis
>>
Diagrams
>>
Electrical Diagrams
>>
Powertrain Management
>>
Computers and Control Systems
>>
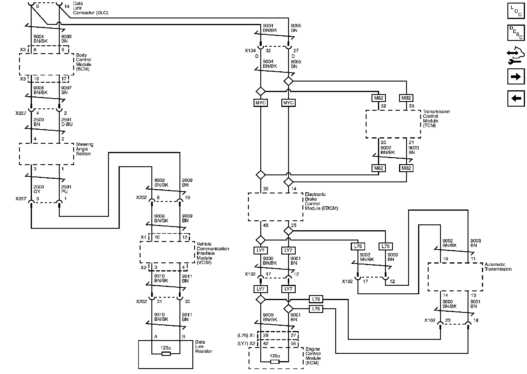
Information Bus
Information Bus
Data Communication Schematics
Low Speed Bus
High Speed Bus
Accessory Wakeup Serial Data