Curiosii for ever!: Car repair manuals for everyone.

Electrical Diagrams



Engine Controls Schematics

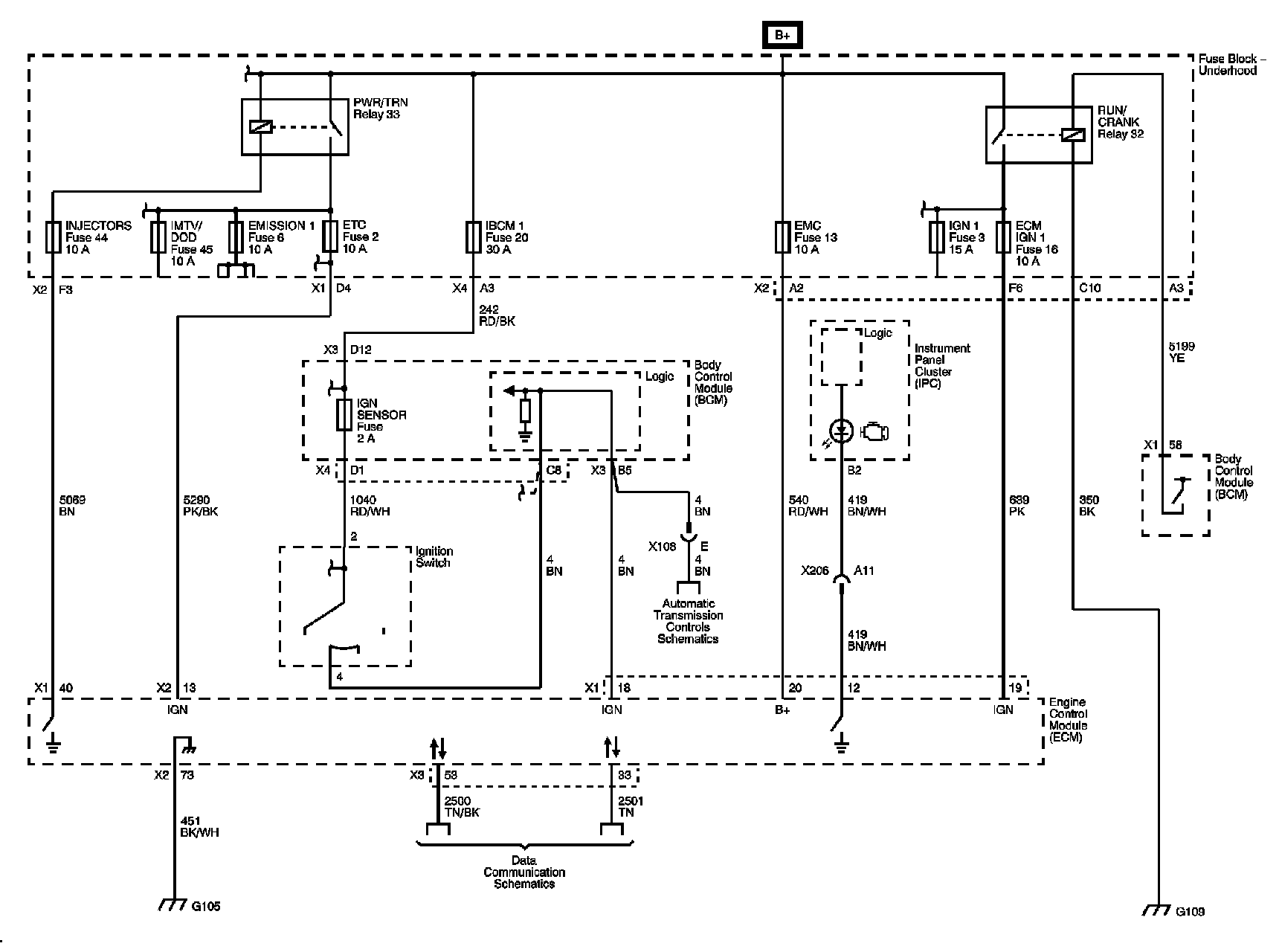
DLC, Ground, MIL and Power

Engine Controls Diagram 1:






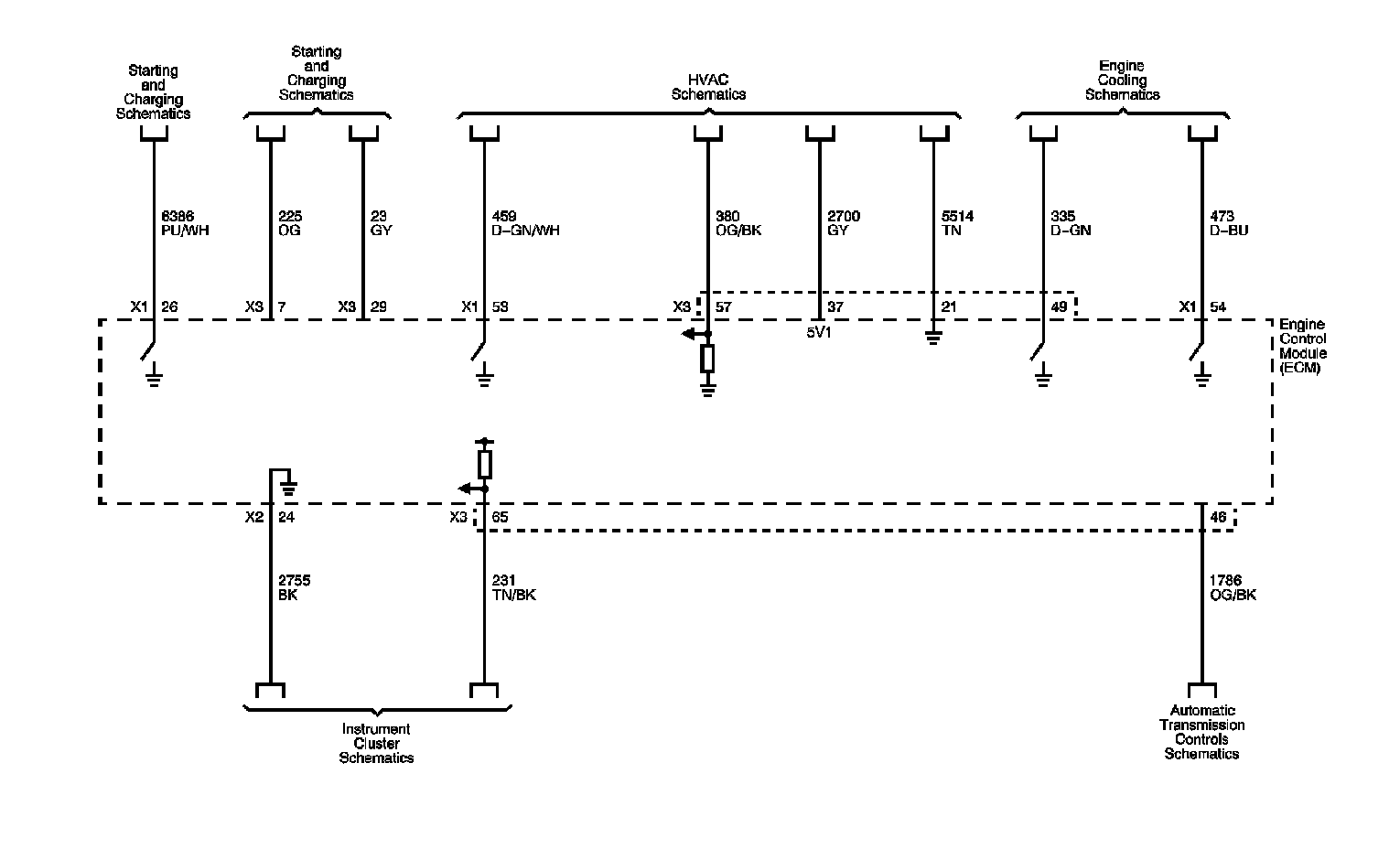
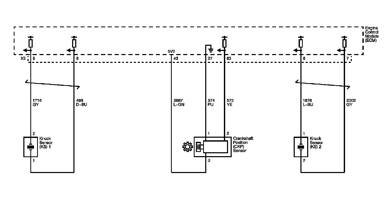
5-Volt and Low References

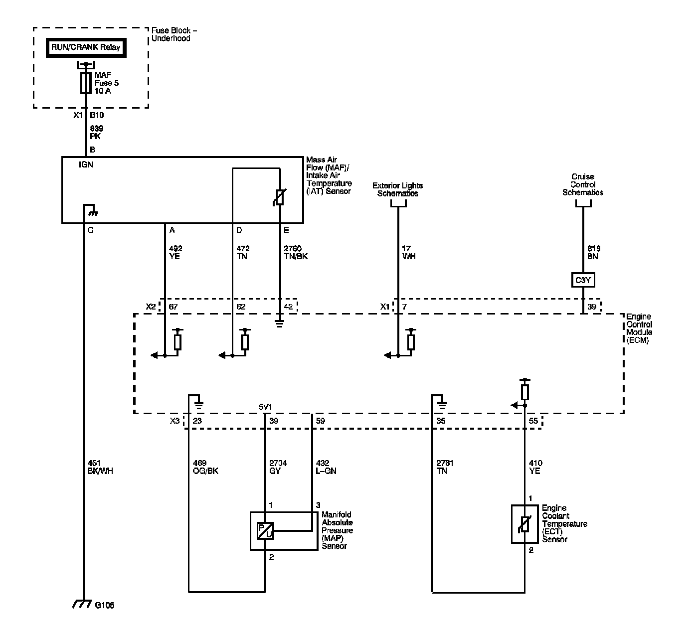
Engine Controls Diagram 2:






MAF, VSS and Extended Brake Travel Switch

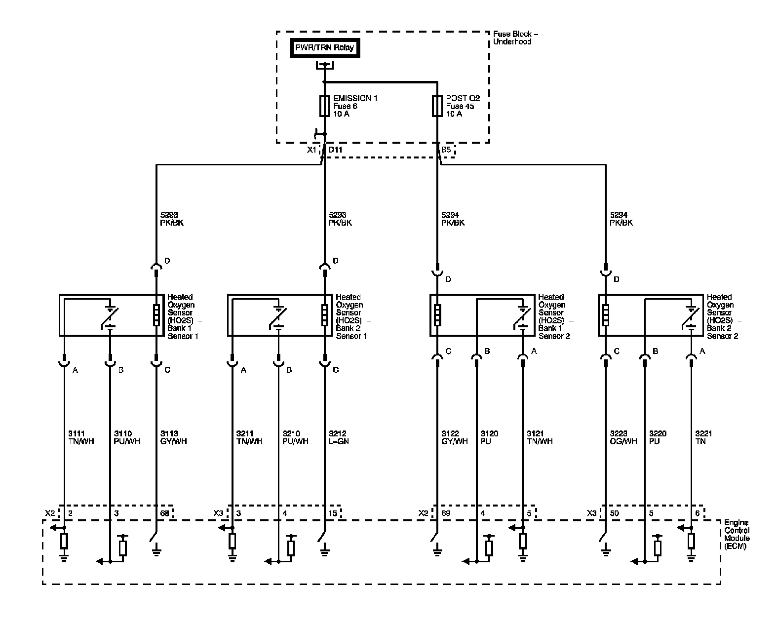
Engine Controls Diagram 3:






Heated Oxygen Sensors

Engine Controls Diagram 4:






Electronic Throttle Controls

Engine Controls Diagram 5:






Ignition System

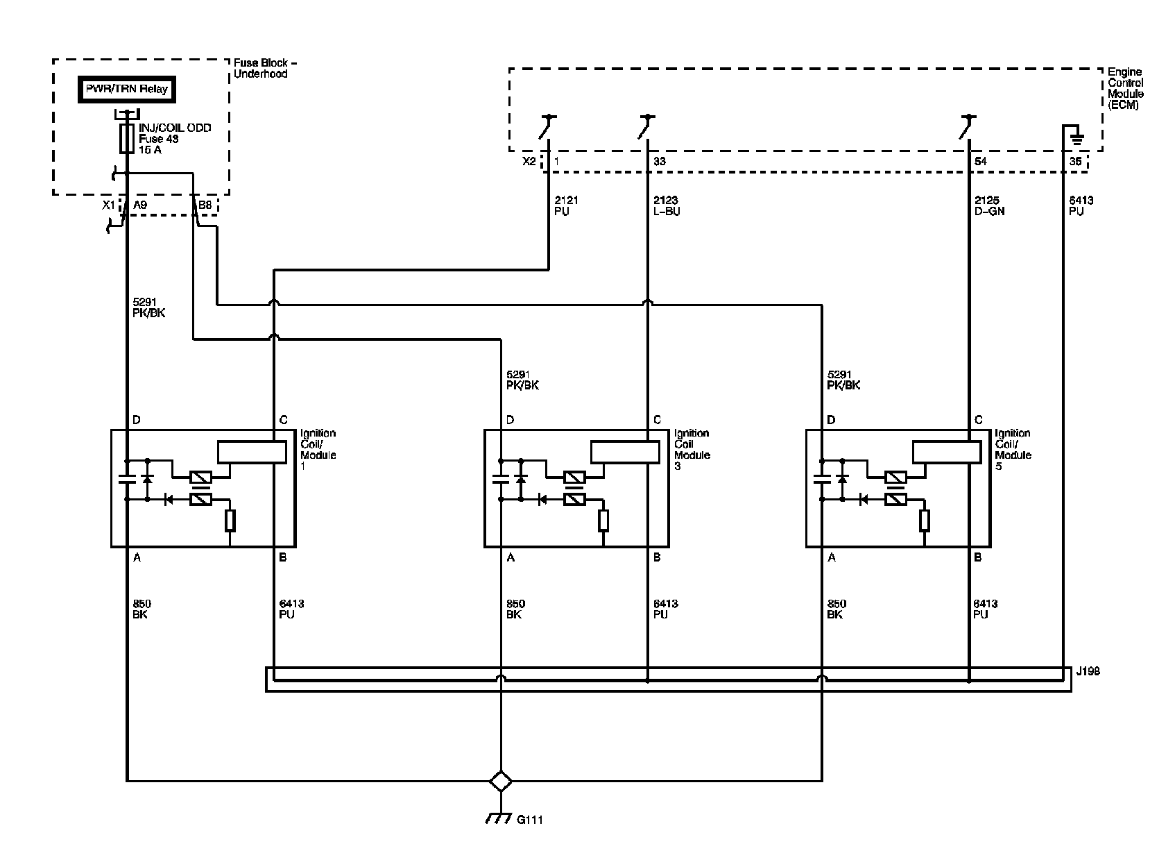
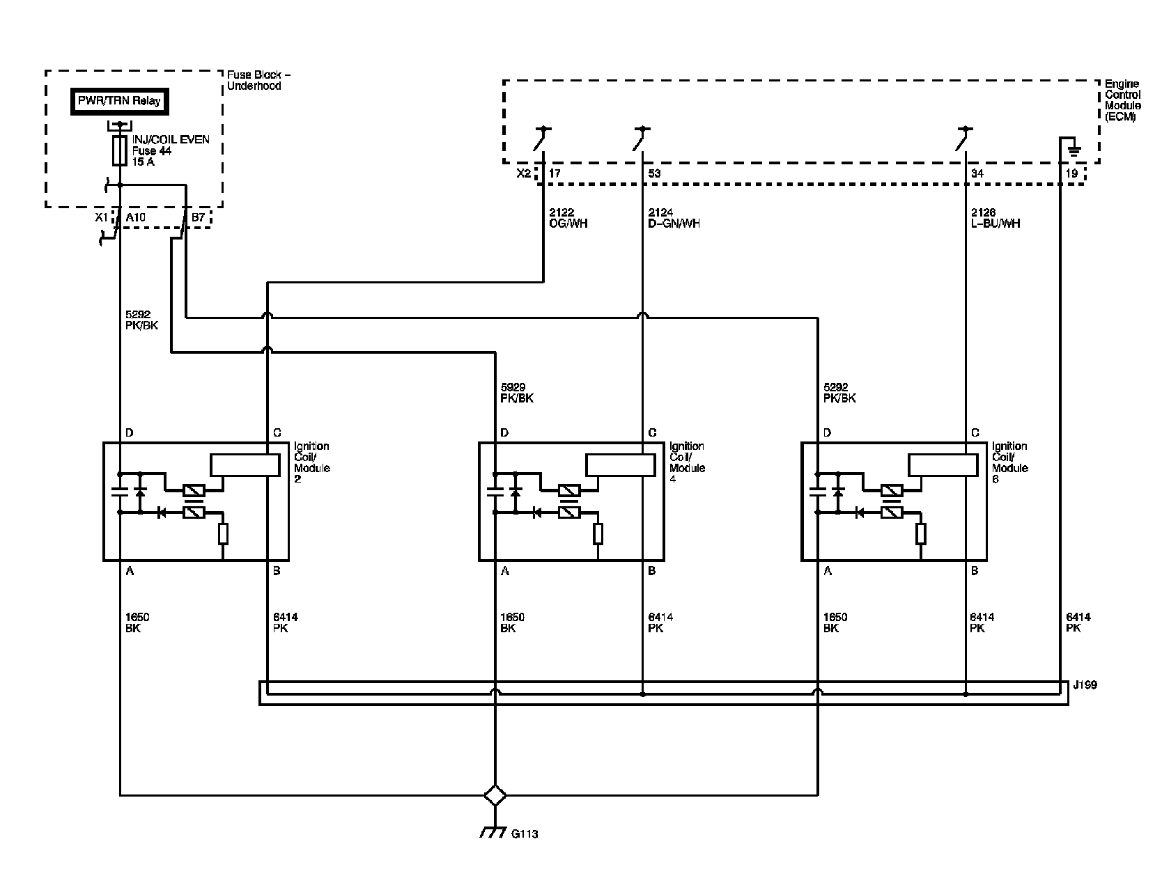
Engine Controls Diagram 6:






Bank 1 Ignition Coils

Engine Controls Diagram 7:






Bank 2 Ignition Coils

Engine Controls Diagram 8:






Camshaft Position (CMP) Sensors and Solenoids

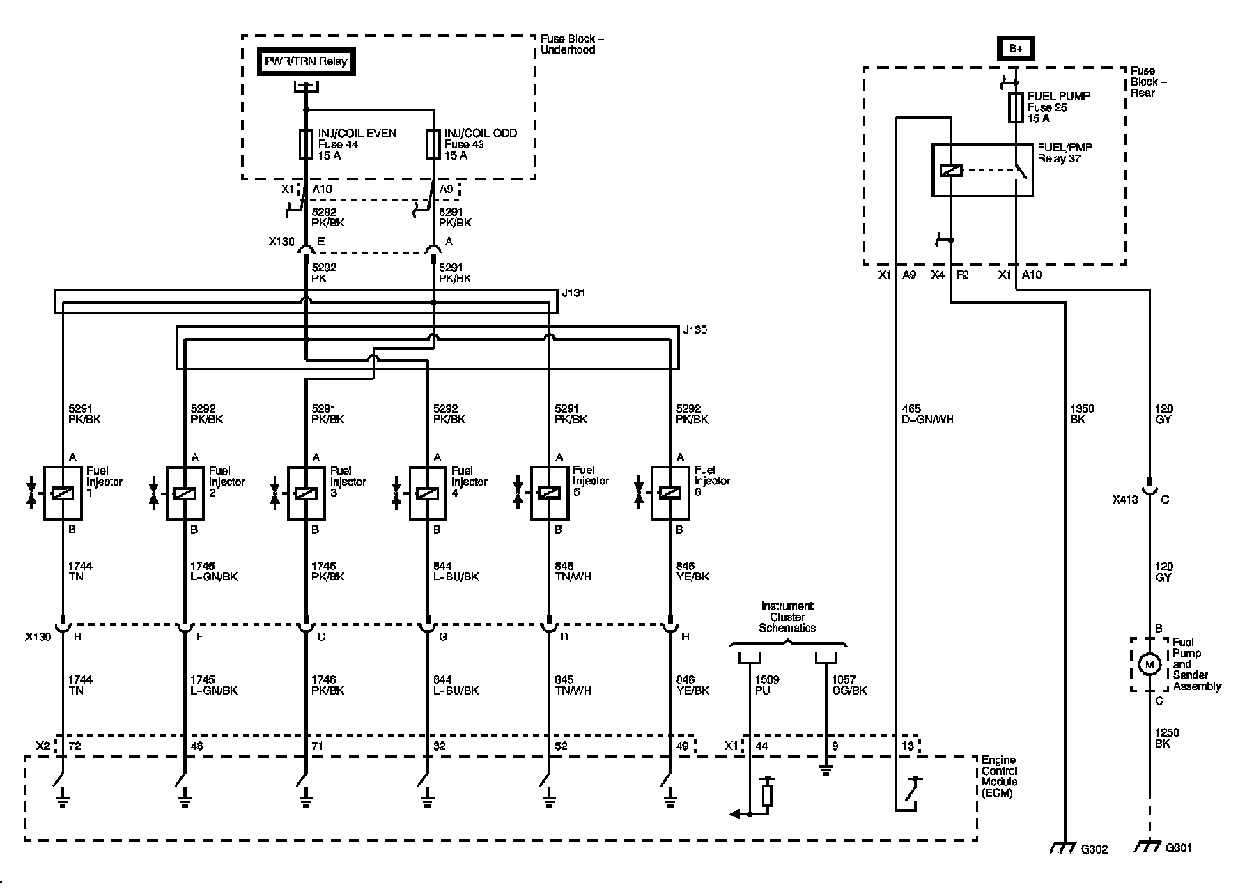
Engine Controls Diagram 9:






Fuel Injectors and Fuel Pump

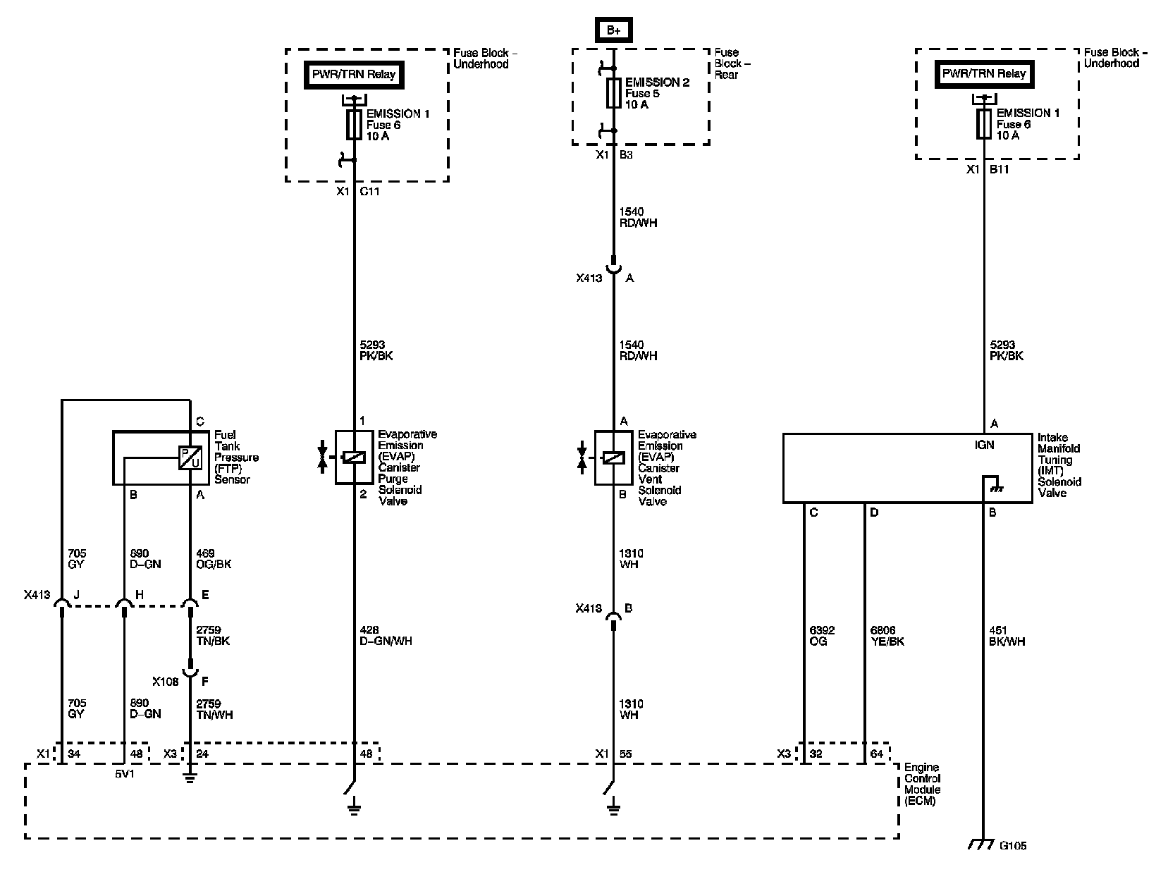
Engine Controls Diagram 10:






EVAP Controls and FTP Sensor

Engine Controls Diagram 11:






Controlled/Monitored Subsystem References

Engine Controls Diagram 12: