Windows
Moveable Window Schematics
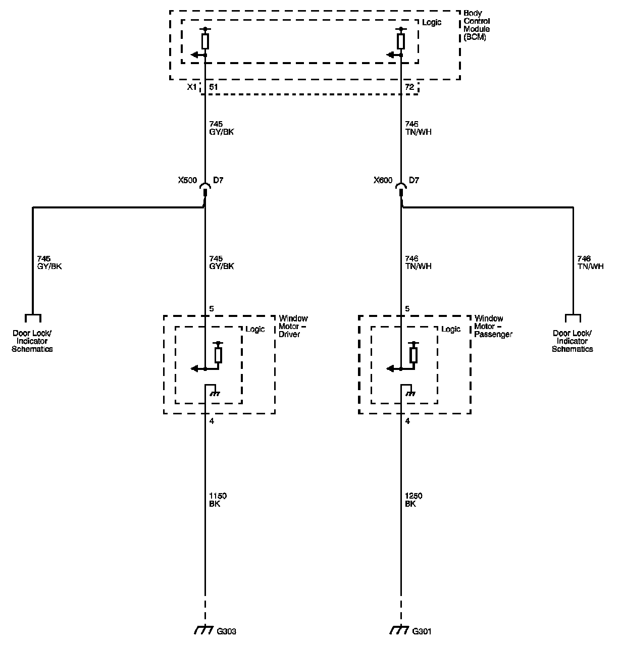
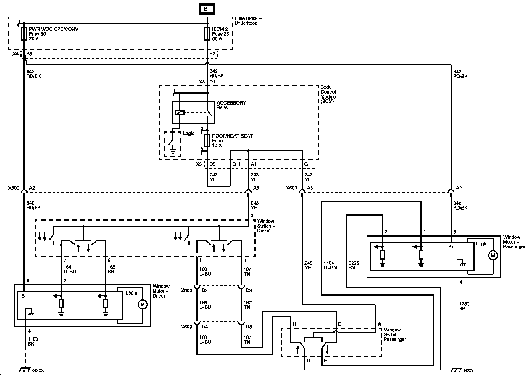
Window Motors - Coupe
Ajar Switches - Coupe
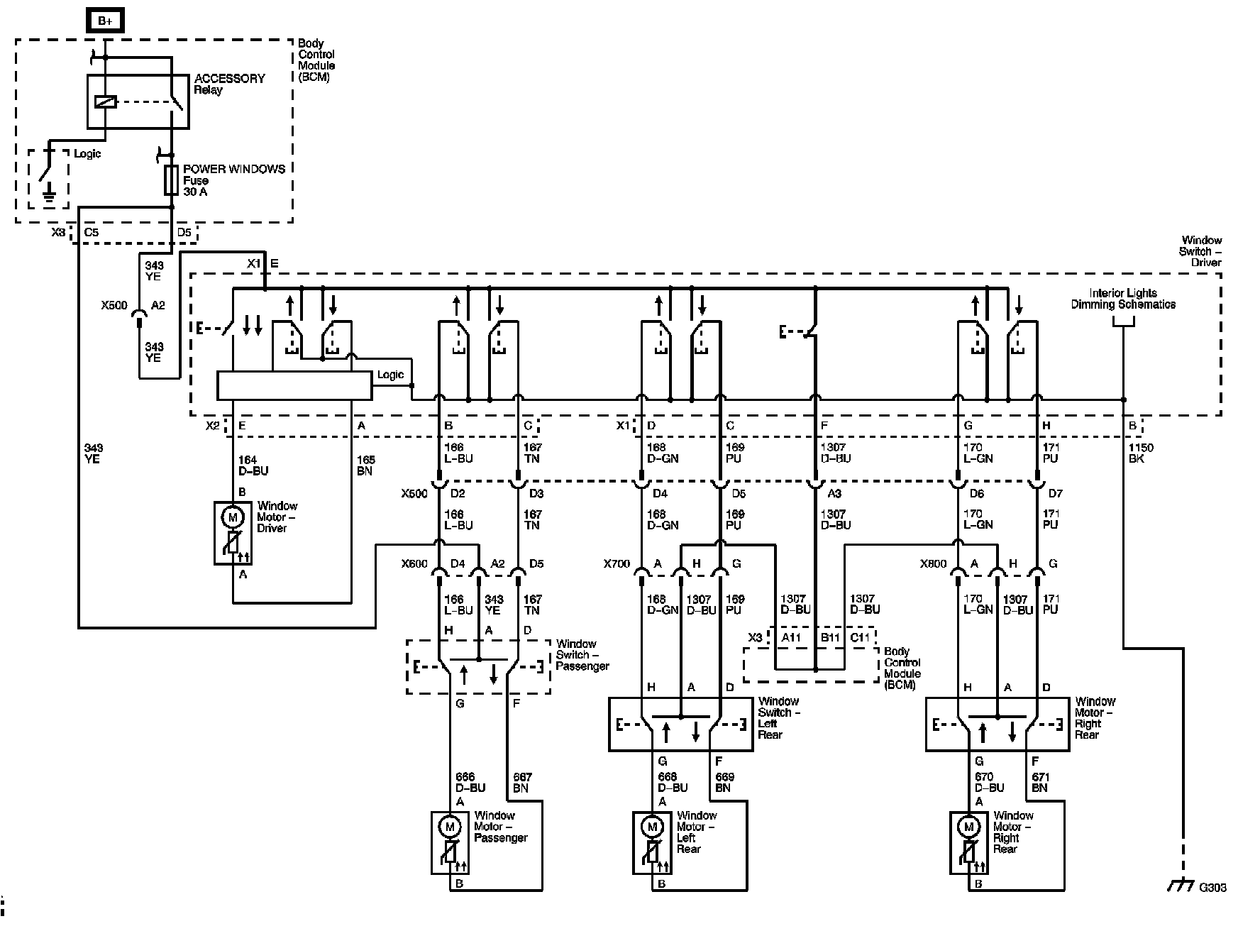
Sedan
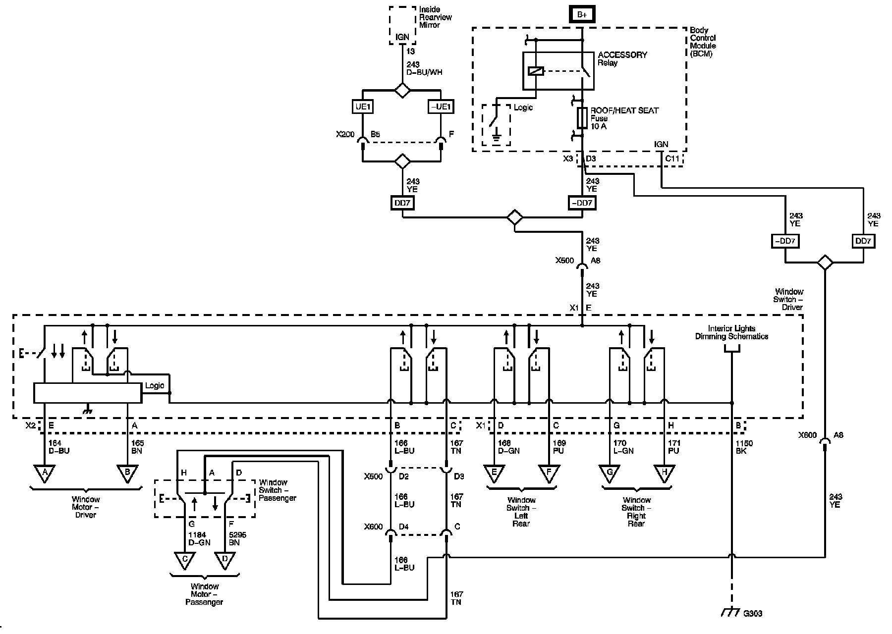
Window Switches - Convertible
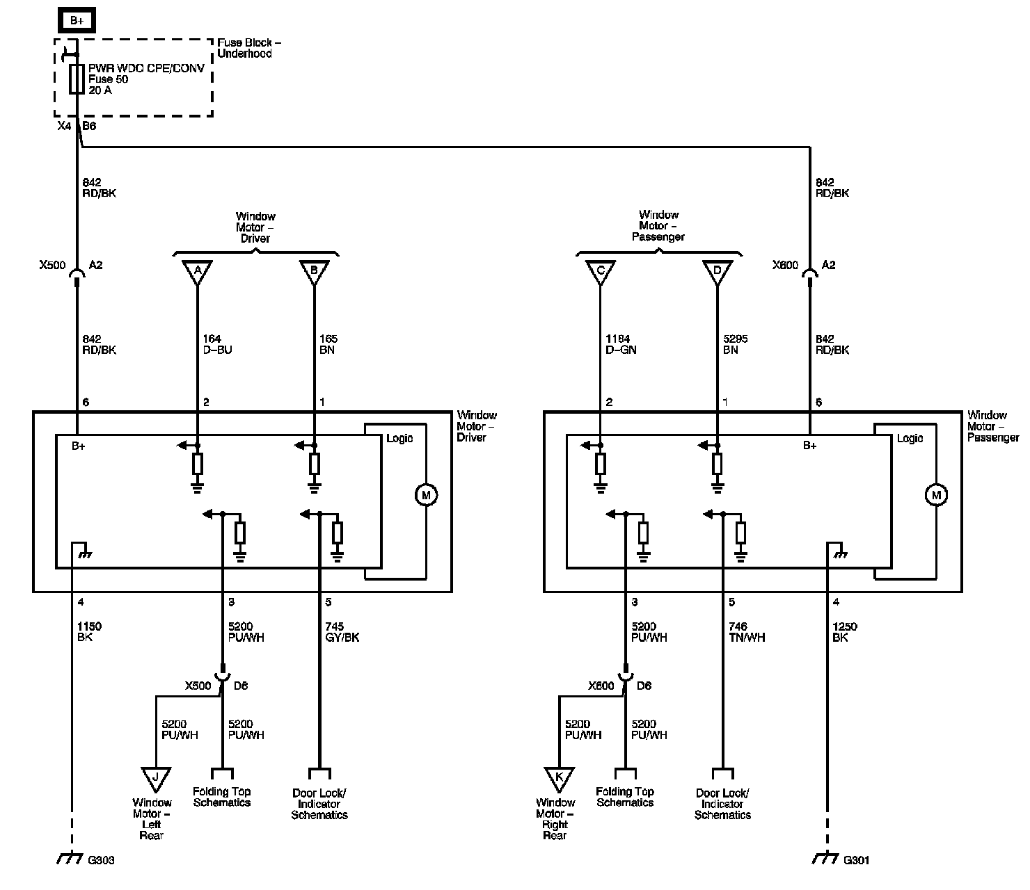
Front Window Motors - Convertible
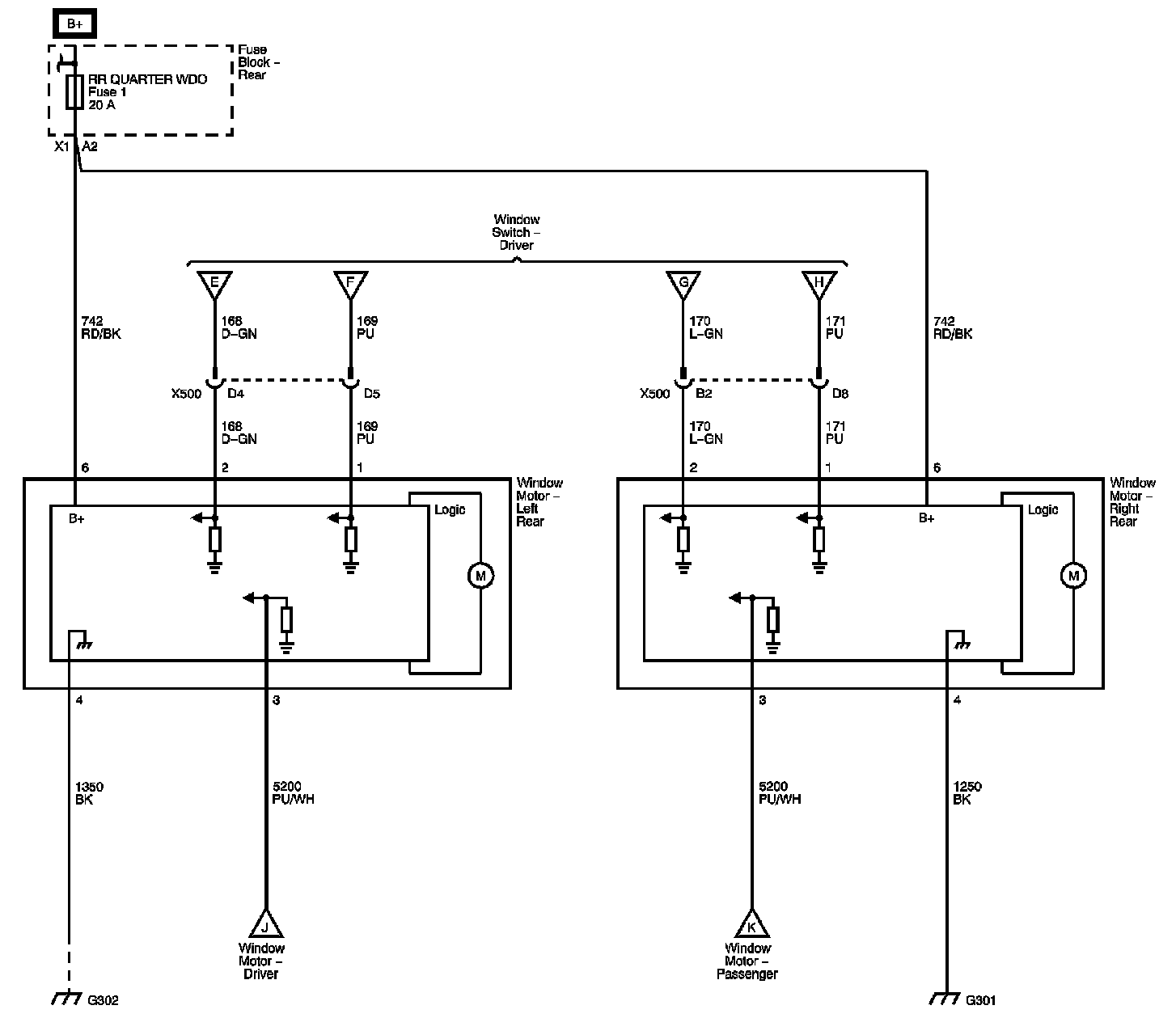
Rear Window Motors - Convertible
Locations: The locations for the Connectors, Grounds, Splices, and Grommets shown within these diagrams can be found via their numbers at Vehicle Locations. Locations