Curiosii for ever!
: Car repair manuals for everyone.
Home
>>
Pontiac
>>
2008
>>
G6 L4-2.4L
>>
Repair and Diagnosis
>>
Powertrain Management
>>
Transmission Control Systems
>>
Diagrams
>>
Electrical Diagrams
>>
4T65-E Automatic Transaxle
4T65-E Automatic Transaxle
Automatic Transmission Controls Schematics
DLC
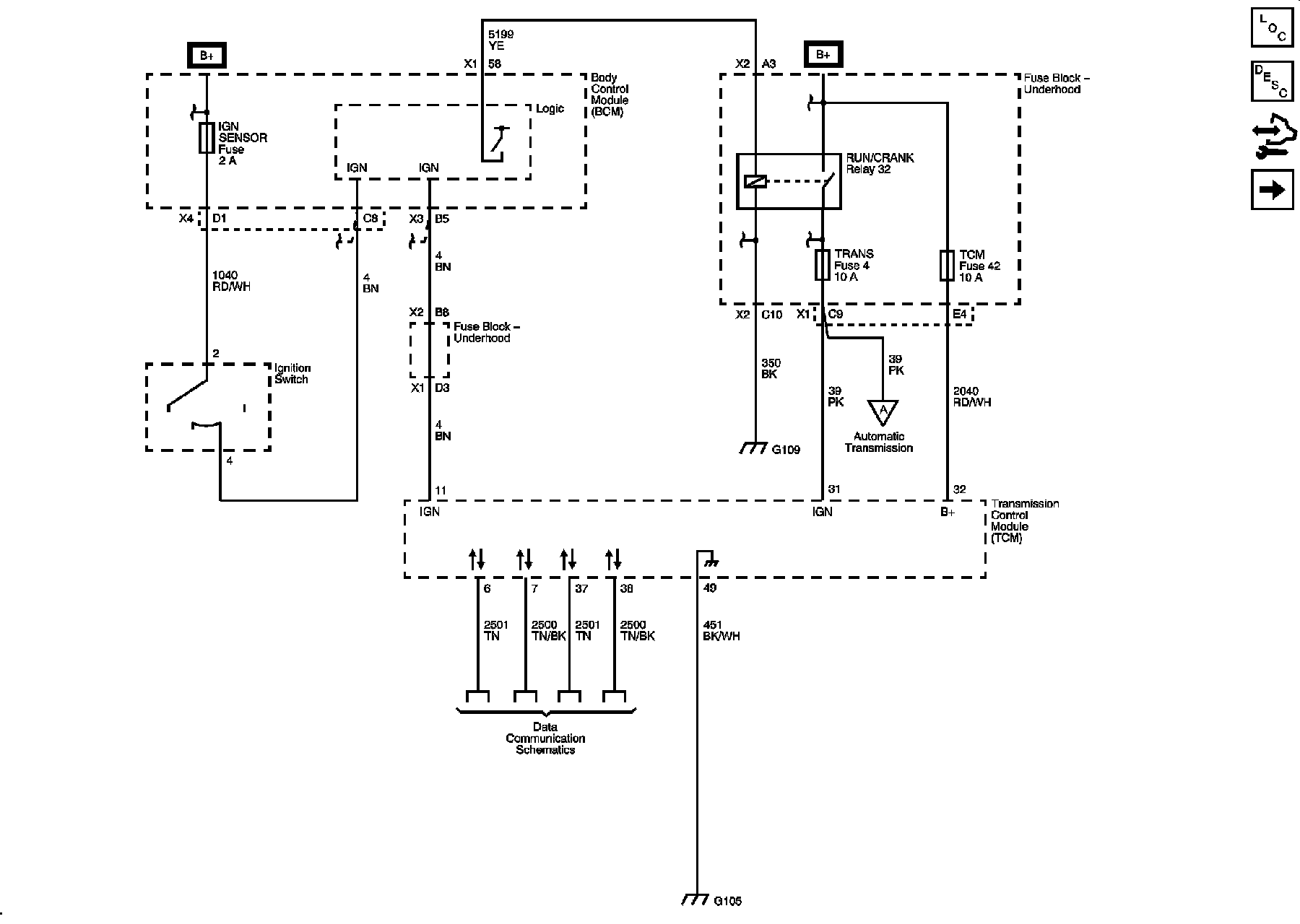
, Ground and Power
Shift Solenoids, TCC and TFT
ISS, Pressure Control and
VSS
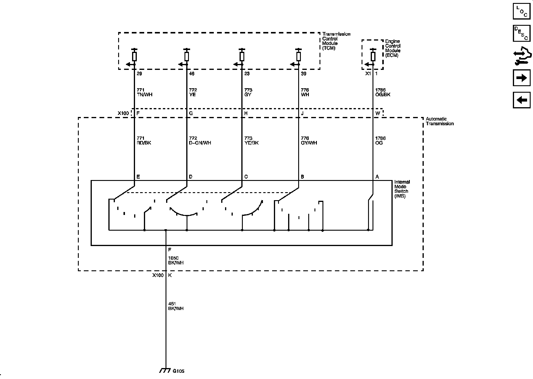
Internal Mode Switch (IMS)
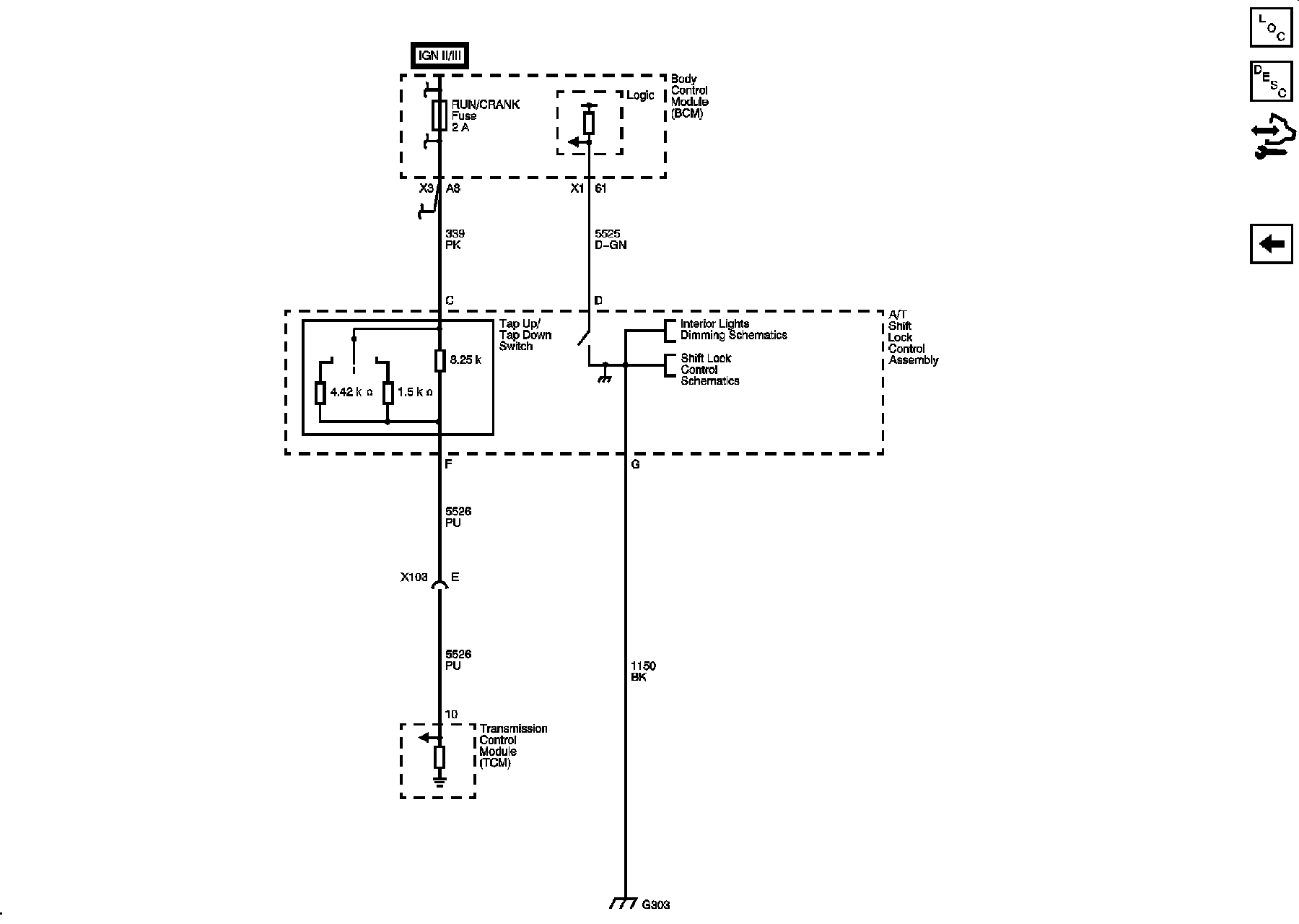
Tap Up/Tap Down Switch