Curiosii for ever!: Car repair manuals for everyone.

Electrical Diagrams



Data Communication Schematics

Power, Ground, High Speed GMLAN Serial Data






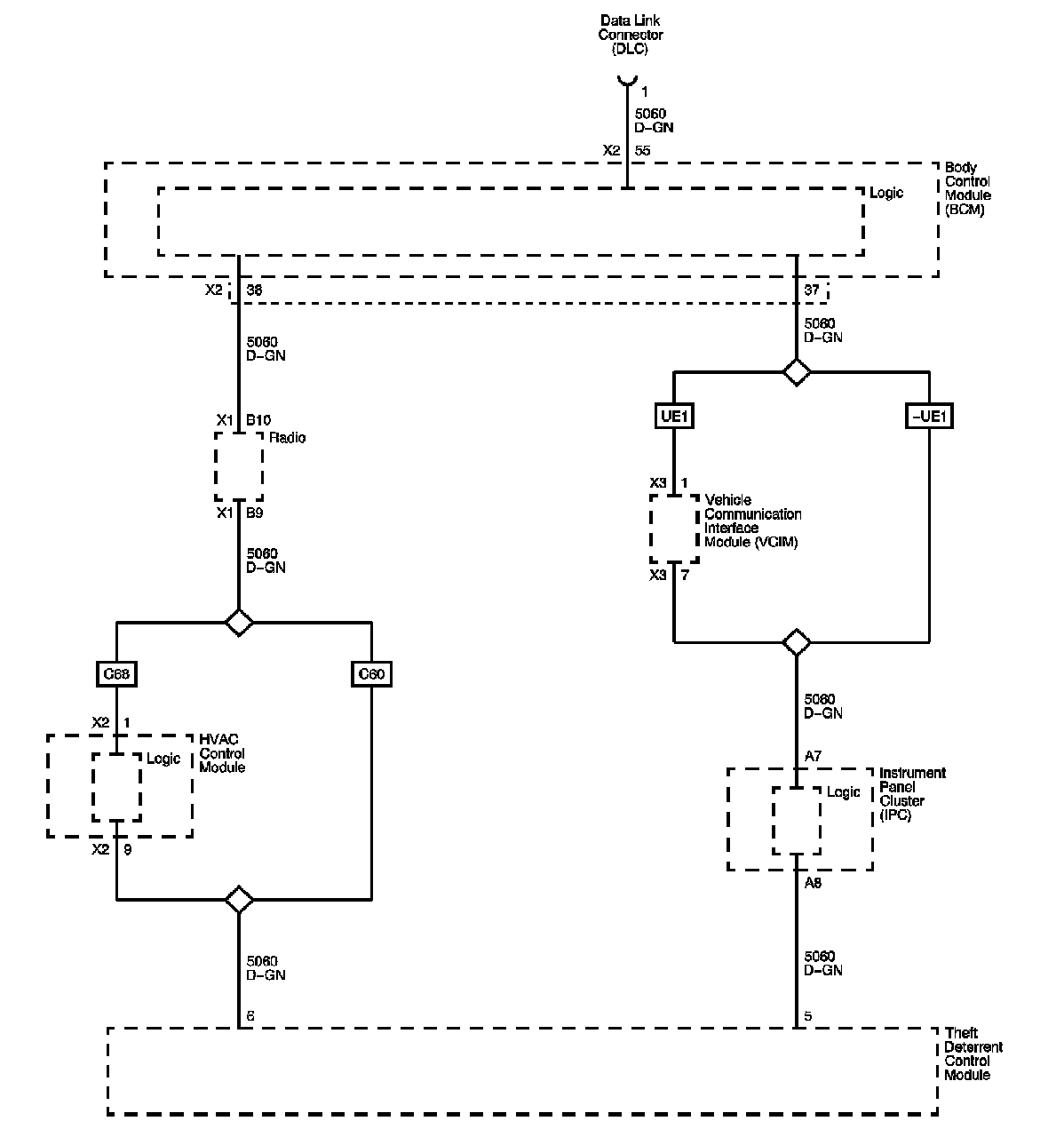
Low Speed GMLAN Serial Data (1 of 2)






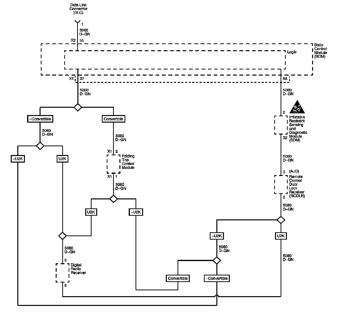
Low Speed Serial Data (2 of 2)






Locations: The locations for the Connectors, Grounds, Splices, and Grommets shown within these diagrams can be found via their numbers at Vehicle Locations. Locations