Curiosii for ever!: Car repair manuals for everyone.

System Diagram



Engine Controls Schematics

Module Power, Ground, Serial Data, and MIL

Engine Controls Diagram 1:






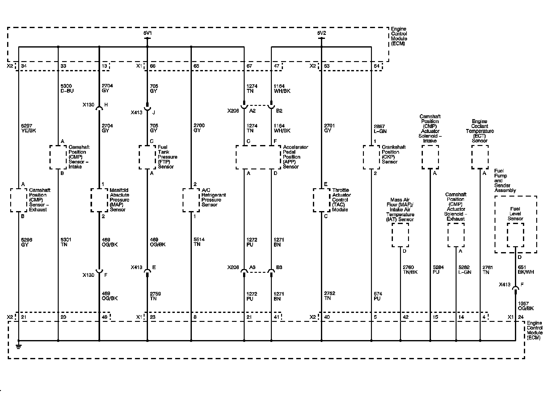
5 Volt and Low Reference

Engine Controls Diagram 2:






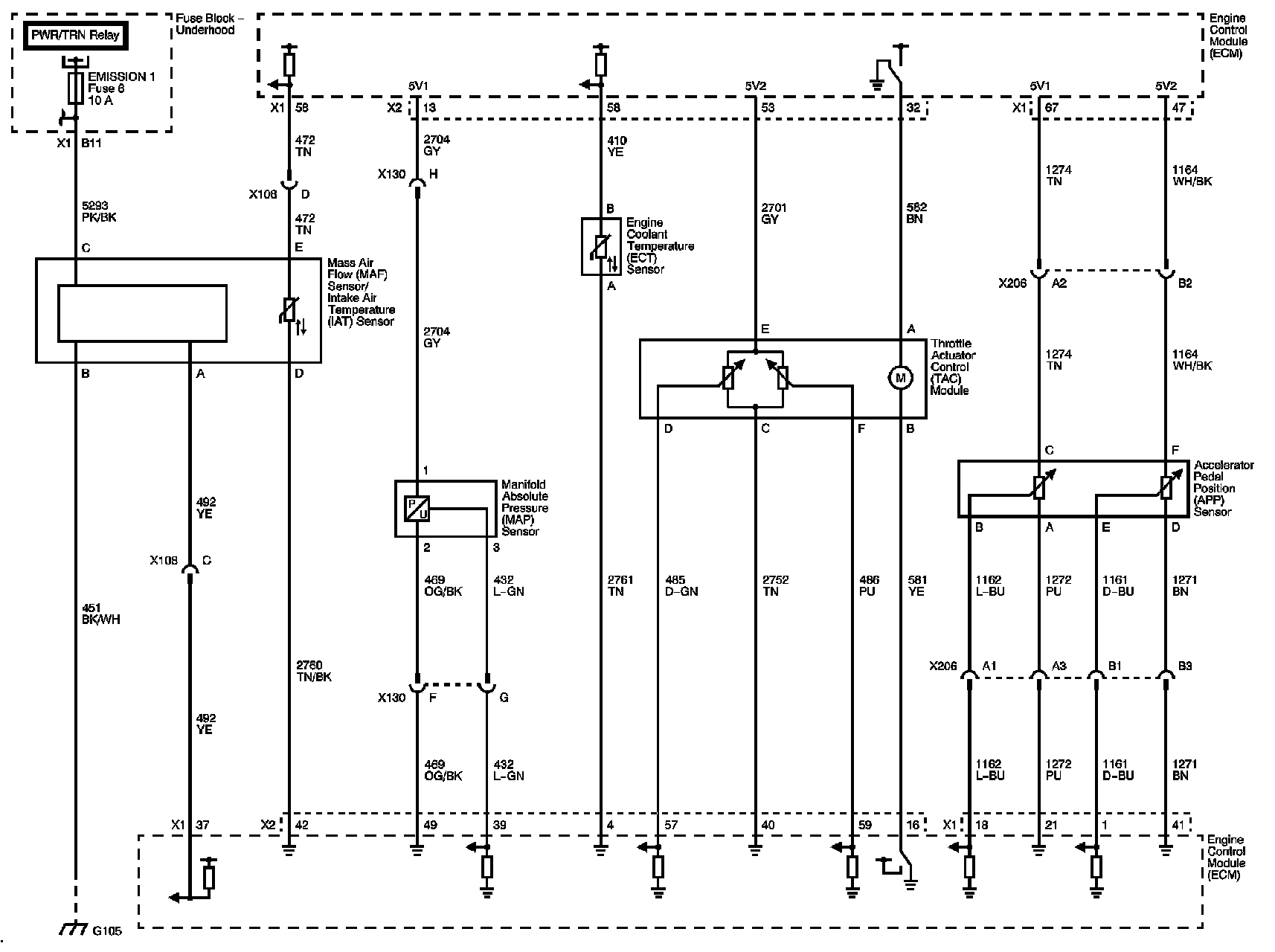
Engine Data Sensors Pressure, Temperature, and Throttle Control

Engine Controls Diagram 3:






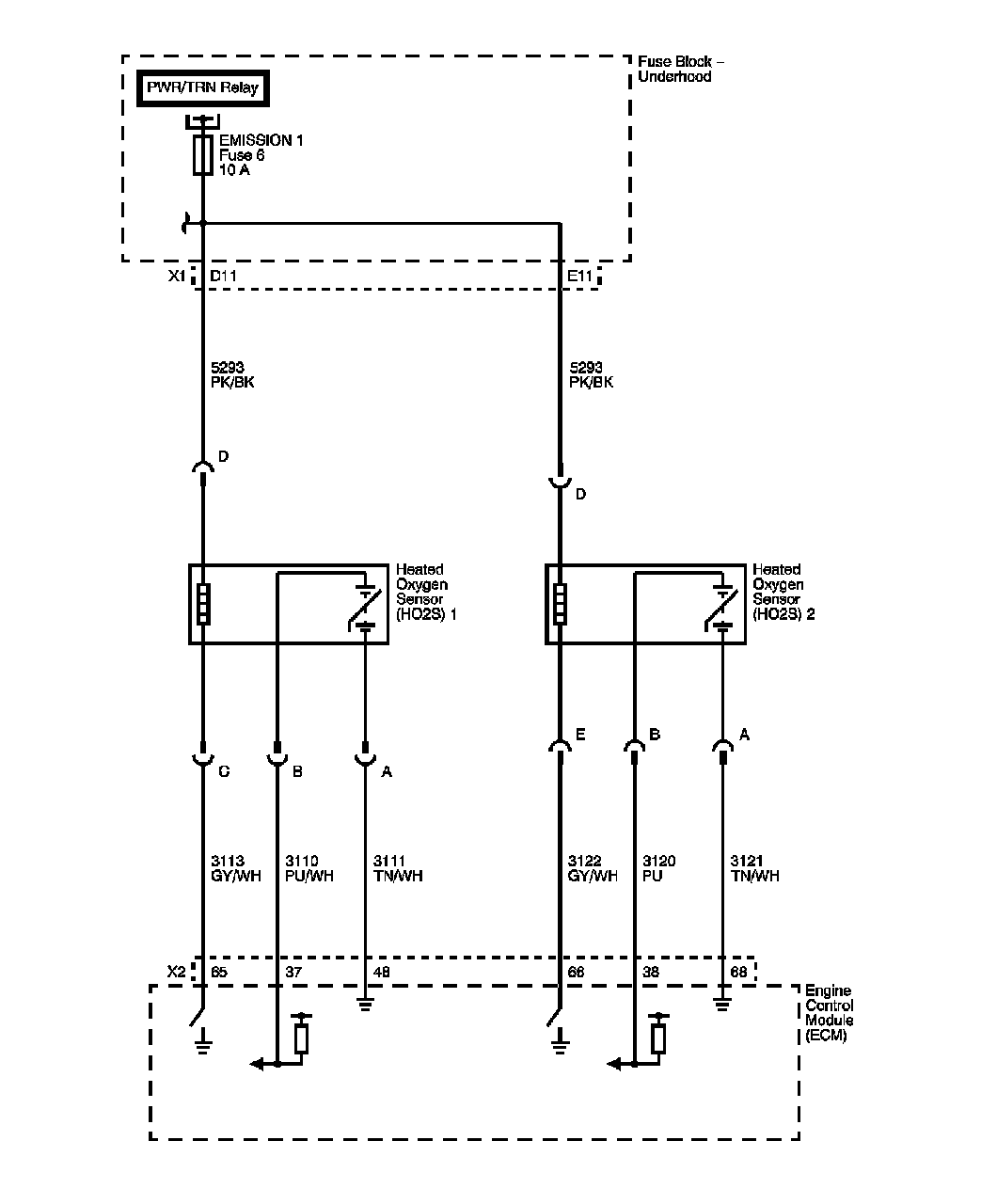
Engine Data Sensors - HO2S

Engine Controls Diagram 4:






Ignition Controls - Ignition System

Engine Controls Diagram 5:






Ignition Controls - Sensors

Engine Controls Diagram 6:






Fuel Controls - Fuel Injectors and Fuel Pump Controls

Engine Controls Diagram 7:






Fuel Controls - EVAP Controls

Engine Controls Diagram 8:






Monitored/Controlled Subsystem References

Engine Controls Diagram 9: