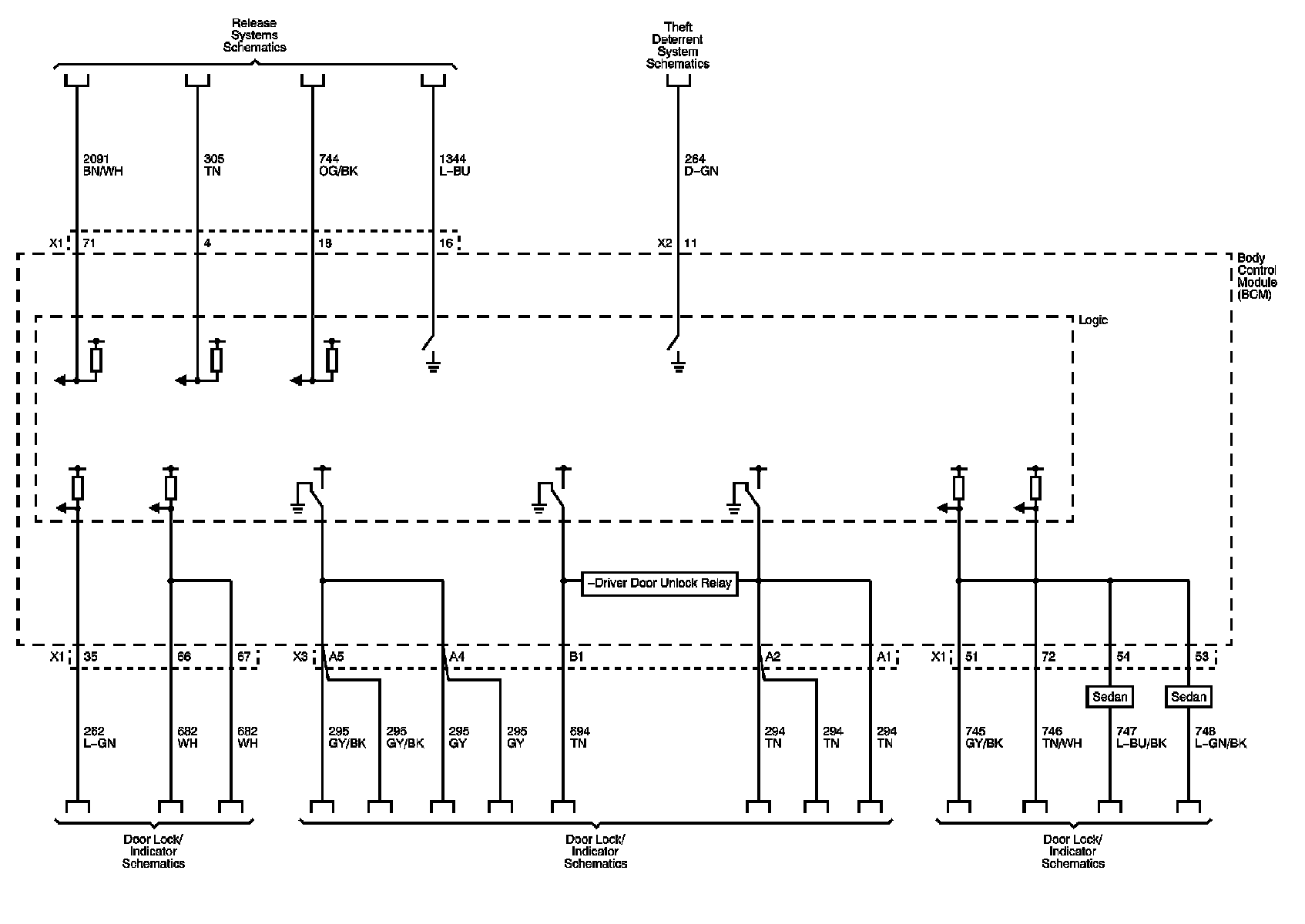
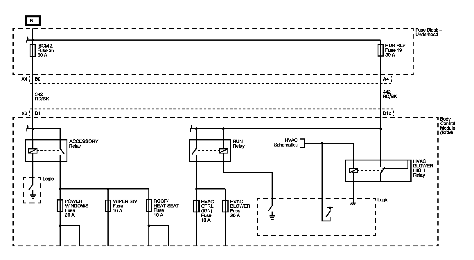
Body Control Systems
Body Control System Schematics
Power, Ground, and DLC
ACCESSORY, HVAC BLOWER HIGH and RUN Relays
Controlled/Monitored Subsystem References (1 of 3)
Controlled/Monitored Subsystem References (2 of 3)
Controlled/Monitored Subsystem References (3 of 3)
Locations: The locations for the Connectors, Grounds, Splices, and Grommets shown within these diagrams can be found via their numbers at Vehicle Locations. Locations