Curiosii for ever!: Car repair manuals for everyone.

Electrical Diagrams



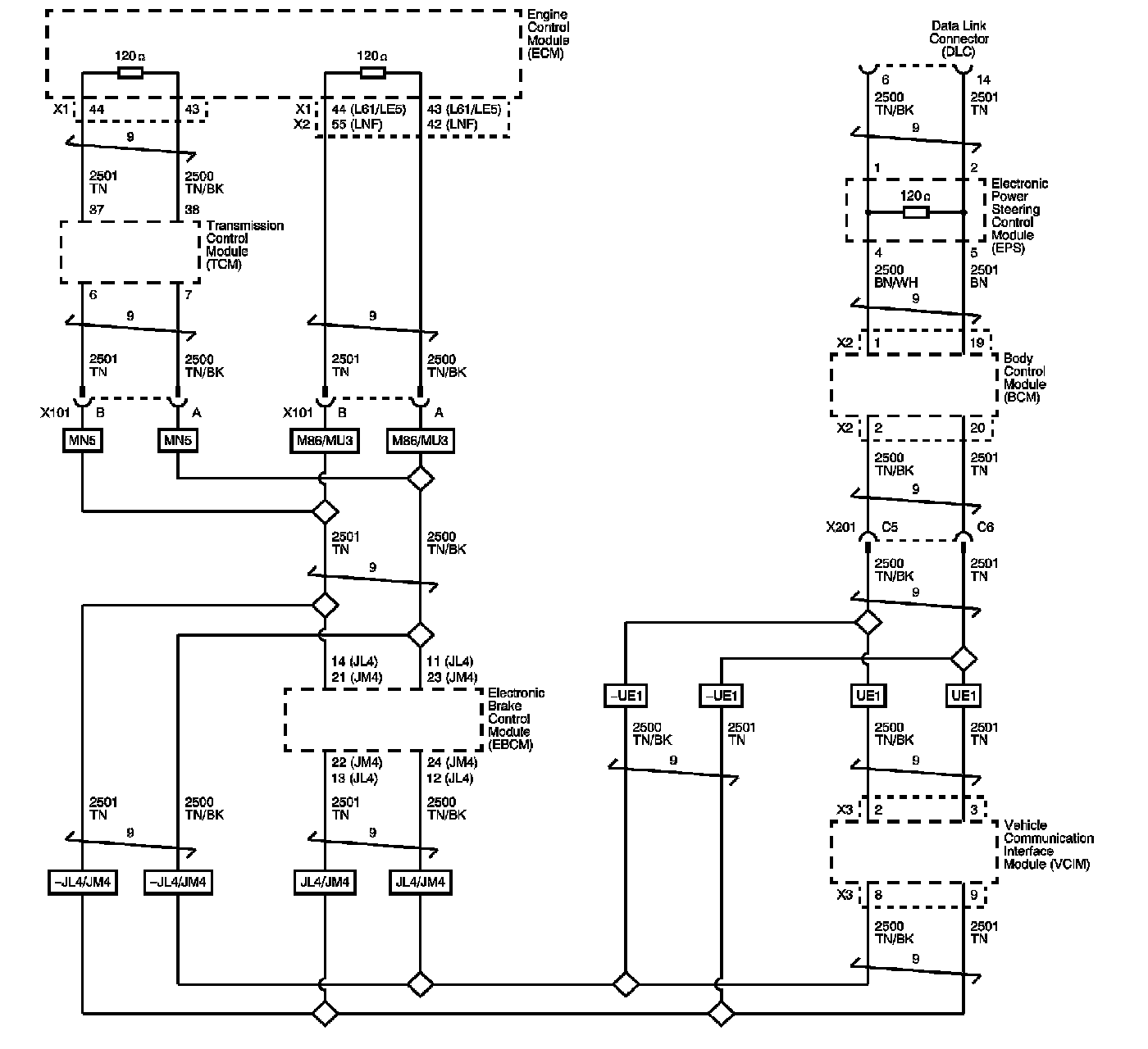
Data Communication Schematics

Power, Ground, Low Speed GMLAN






High Speed GMLAN






Locations: The locations for the Connectors, Grounds, Splices, and Grommets shown within these diagrams can be found via their numbers at Vehicle Locations. Locations