Curiosii for ever!: Car repair manuals for everyone.

Automatic Transmission/Transaxle



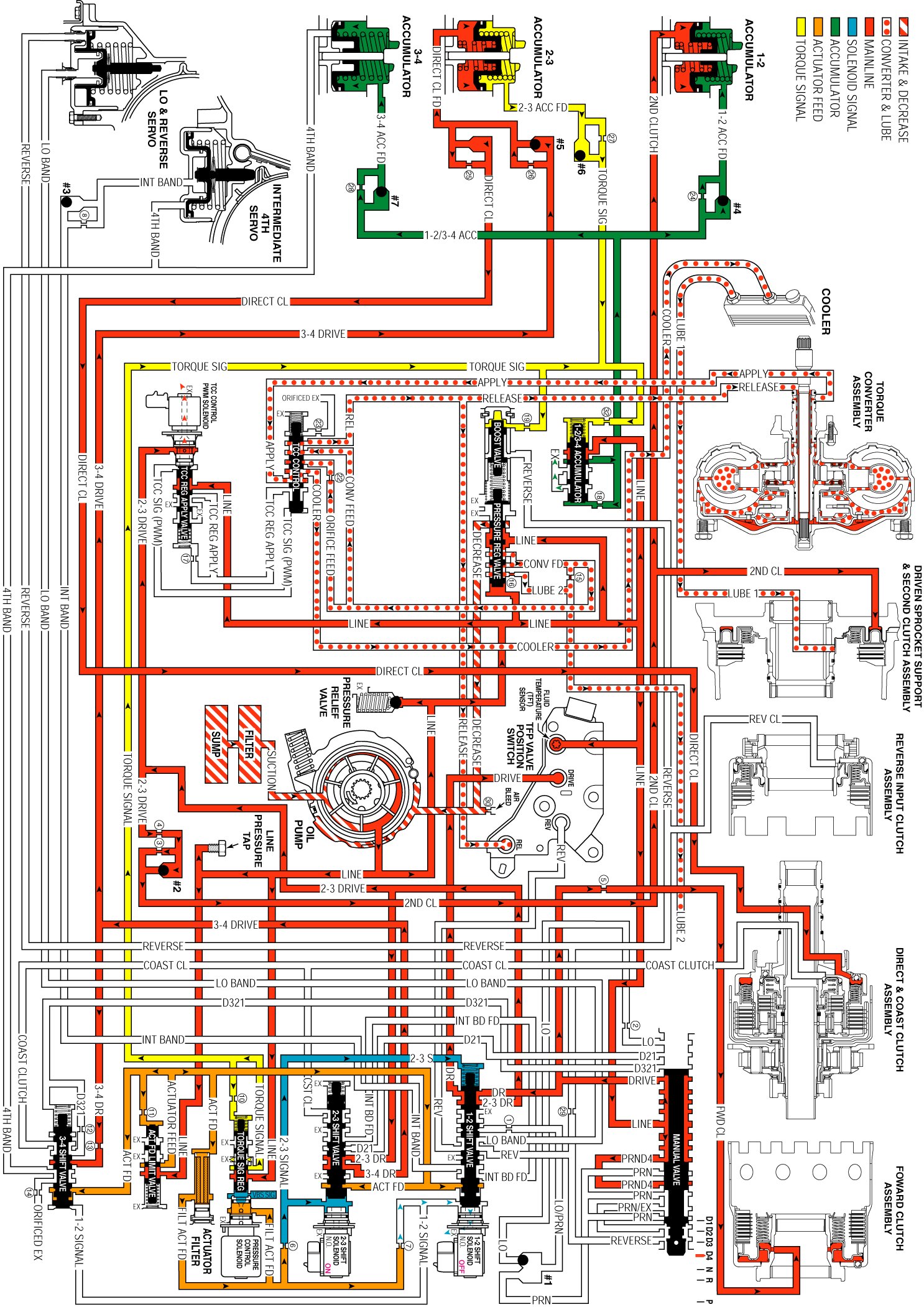
Park - Engine Running - Without Electronic Range Select Mode

Park - Engine Running - Without Electronic Range Select Mode:







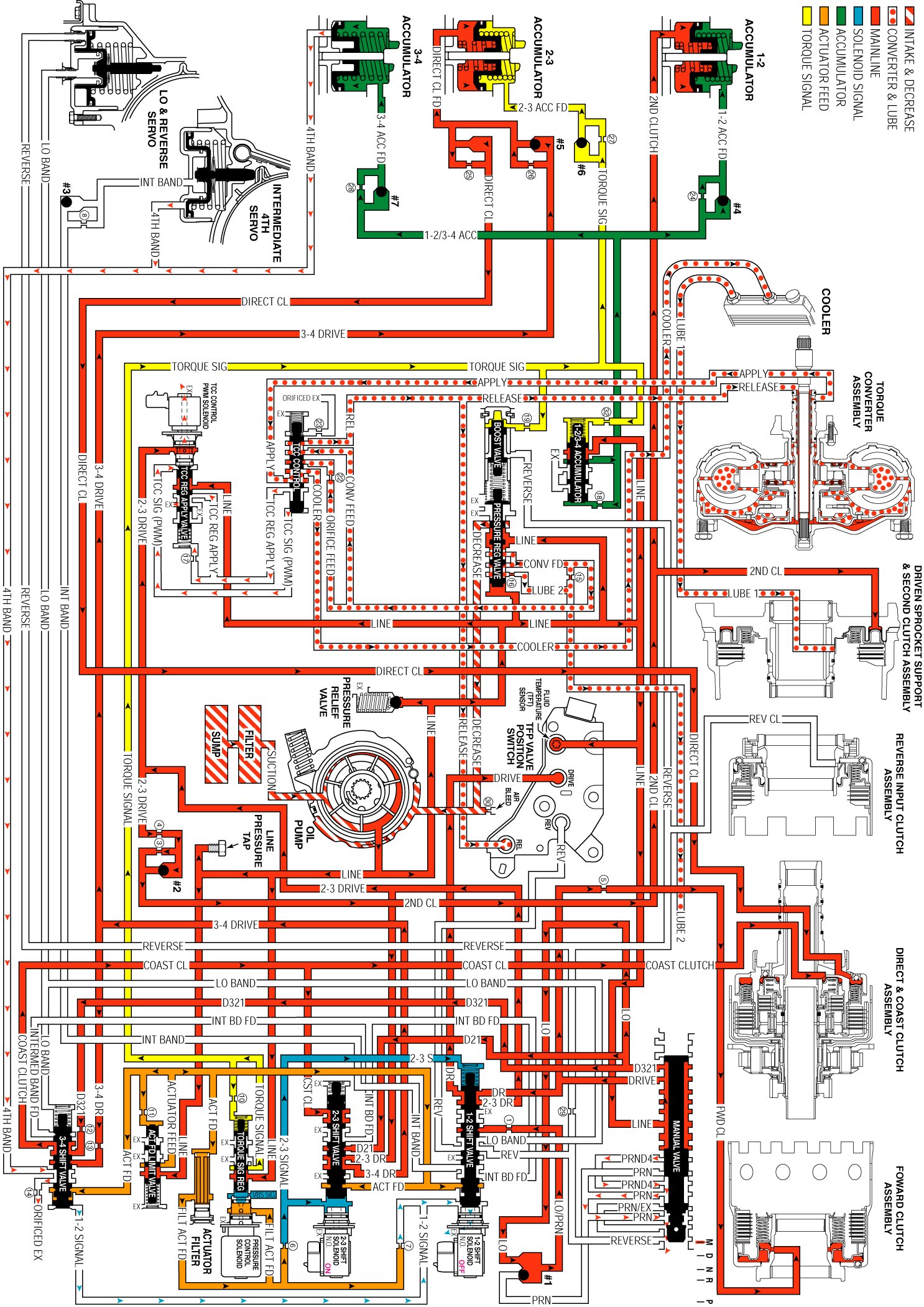
Park - Engine Running - With Electronic Range Select Mode

Park - Engine Running - With Electronic Range Select Mode:







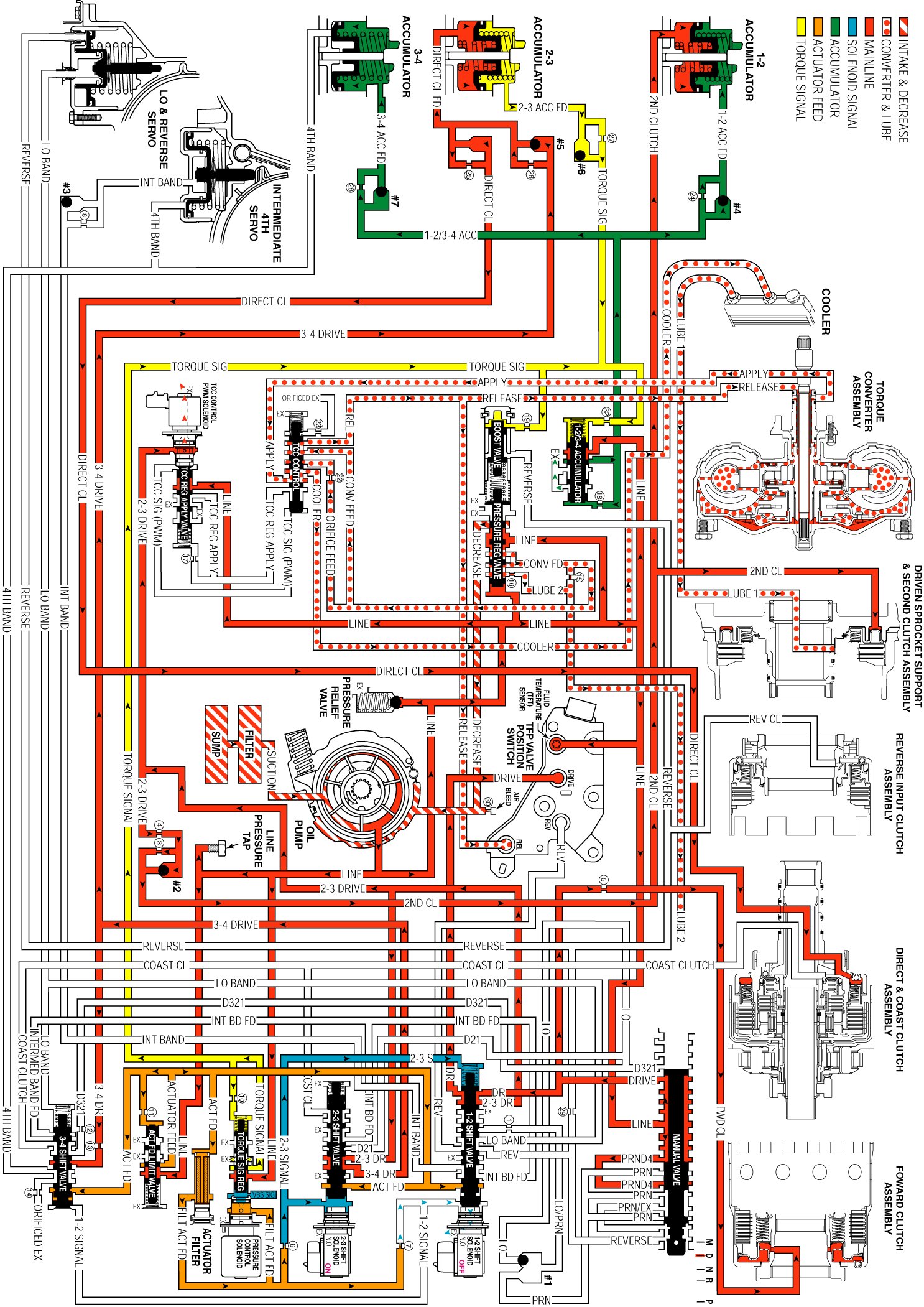
Reverse - Without Electronic Range Select Mode

Reverse - Without Electronic Range Select Mode:







Reverse - With Electronic Range Select Mode

Reverse - With Electronic Range Select Mode:







Overdrive Range, First Gear - Without Electronic Range Select Mode

Overdrive Range, First Gear - Without Electronic Range Select Mode:







Overdrive Range, First Gear - With Electronic Range Select Mode

Overdrive Range, First Gear - With Electronic Range Select Mode:







Overdrive Range, Second Gear - Without Electronic Range Select Mode

Overdrive Range, Second Gear - Without Electronic Range Select Mode:







Overdrive Range, Second Gear - With Electronic Range Select Mode

Overdrive Range, Second Gear - With Electronic Range Select Mode:







Overdrive Range, Third Gear - TCC Not Applied - Without Electronic Range Select Mode

Overdrive Range, Third Gear - TCC Not Applied - Without Electronic Range Select Mode:







Overdrive Range, Third Gear - TCC Not Applied - With Electronic Range Select Mode

Overdrive Range, Third Gear - TCC Not Applied - With Electronic Range Select Mode:







Overdrive Range, Fourth Gear - TCC Applied - Without Electronic Range Select Mode

Overdrive Range, Fourth Gear - TCC Applied - Without Electronic Range Select Mode:







Overdrive Range, Fourth Gear - TCC Applied - With Electronic Range Select Mode

Overdrive Range, Fourth Gear - TCC Applied - With Electronic Range Select Mode:







Overdrive Range, 4-3 Downshift - TCC Not Applied - Without Electronic Range Select Mode

Overdrive Range, 4-3 Downshift - TCC Not Applied - Without Electronic Range Select Mode:







Drive Range, Manual 3rd (from Overdrive Range) - Without Electronic Range Select Mode

Drive Range, Manual 3rd (from Overdrive Range) - Without Electronic Range Select Mode:







Manual Range 3rd - With Electronic Range Select Mode

Manual Range 3rd - With Electronic Range Select Mode:







Drive Range, Manual 2nd (from Drive, Manual 3rd) - Without Electronic Range Select Mode

Drive Range, Manual 2nd (from Drive, Manual 3rd) - Without Electronic Range Select Mode:







Manual Range 2nd - With Electronic Range Select Mode

Manual Range 2nd - With Electronic Range Select Mode:







Drive Range, Manual 1st (from Drive, Manual 2nd) - Without Electronic Range Select Mode

Drive Range, Manual 1st (from Drive, Manual 2nd) - Without Electronic Range Select Mode:







Manual Range 1st - With Electronic Range Select Mode

Manual Range 1st - With Electronic Range Select Mode: