Curiosii for ever!: Car repair manuals for everyone.

System Diagram



Engine Controls Schematics

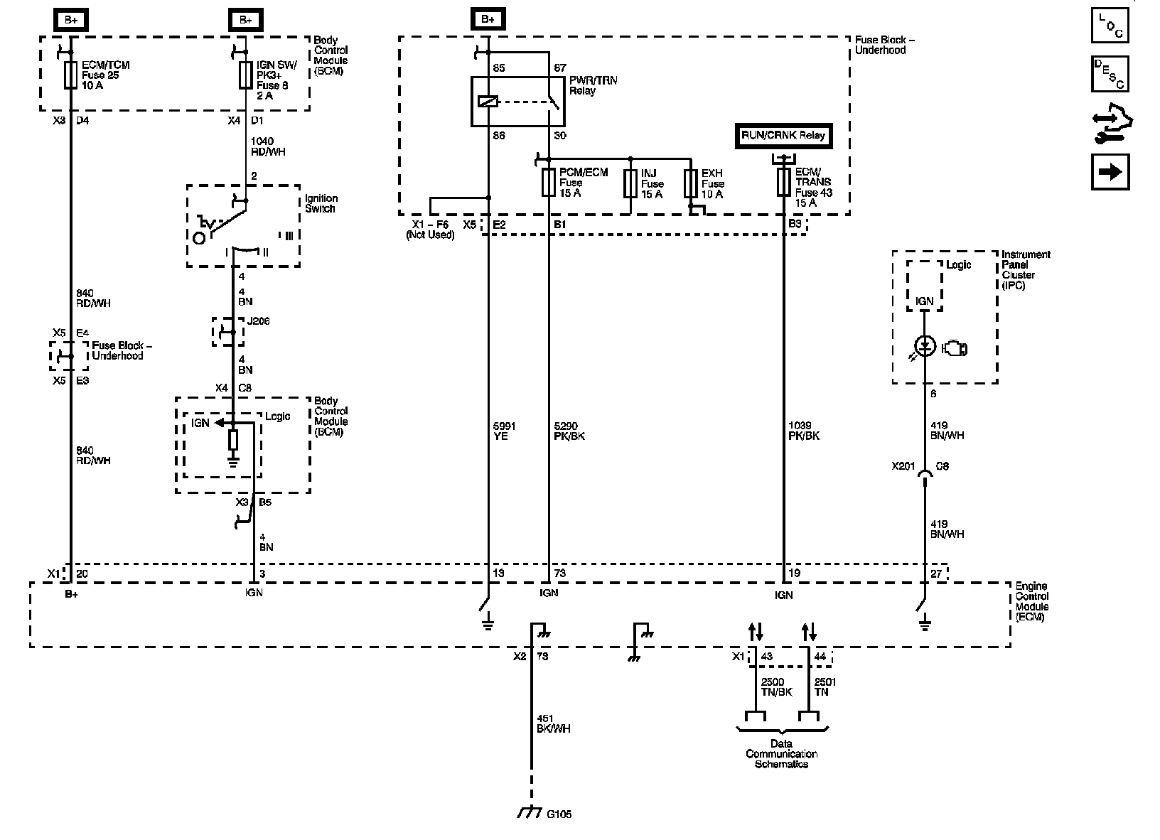
Power, Ground, MIL, Communication






5-Volt and Low Reference Bussing






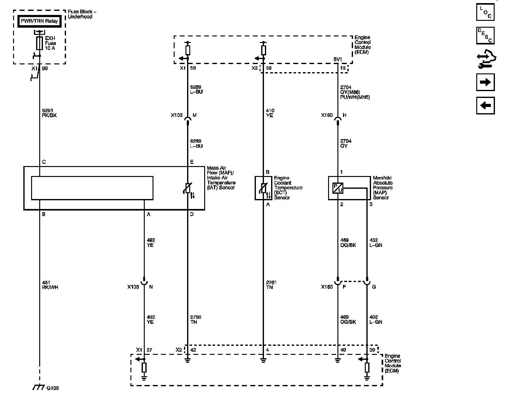
Engine Data Sensors - Pressure, Temperature, MAF, VSS






Engine Data Sensors - HO2S






Engine Data Sensors - Throttle Controls






Ignition Controls - Ignition System






Ignition Controls - Ignition Sensors






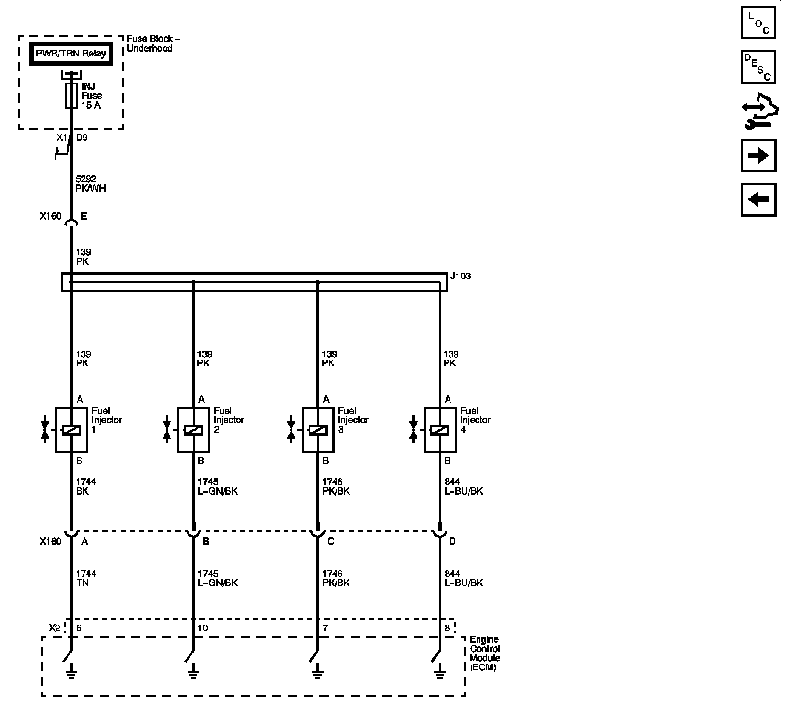
Fuel Controls






EVAP Controls






Controlled/Monitored Subsystem References