Curiosii for ever!: Car repair manuals for everyone.

Electrical Diagrams



Engine Controls Schematics

Power, Ground, MIL, Communication






5-Volt and Low Reference Bussing






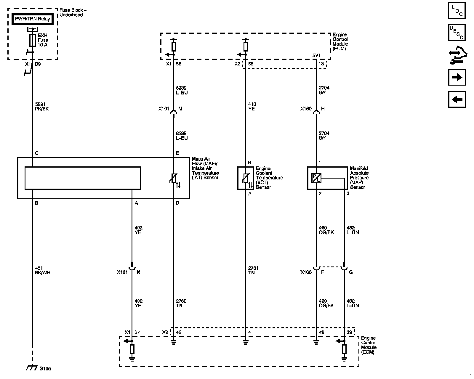
Engine Data Sensors - Pressure, Temperature, MAF/IAT






Engine Data Sensors - HO2S






Engine Data Sensors - APP, TAC






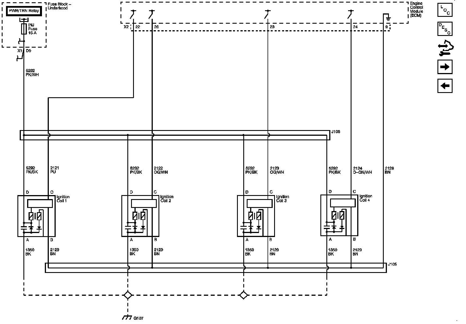
Ignition Controls - Ignition System






Ignition Controls - Sensors






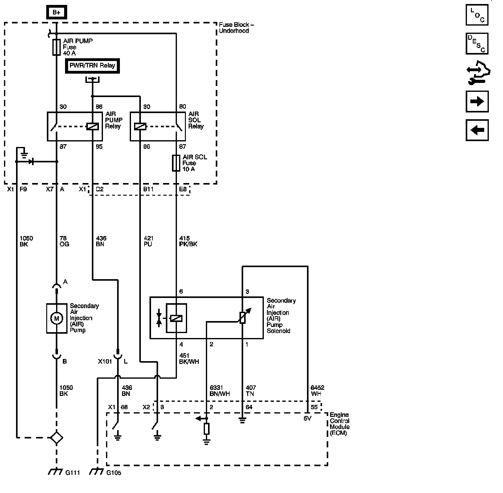
Secondary Air Injection (AIR) System (NU6)






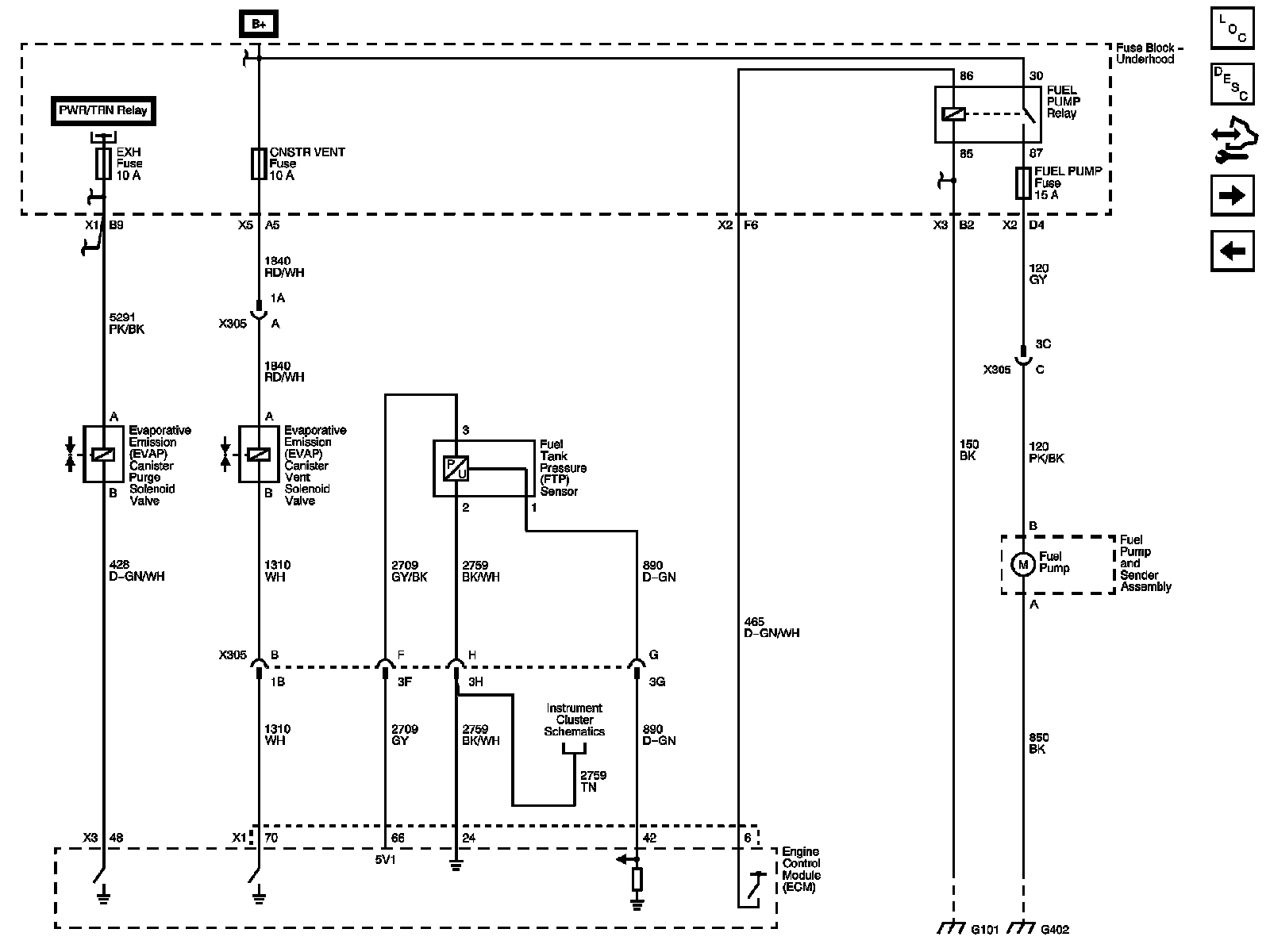
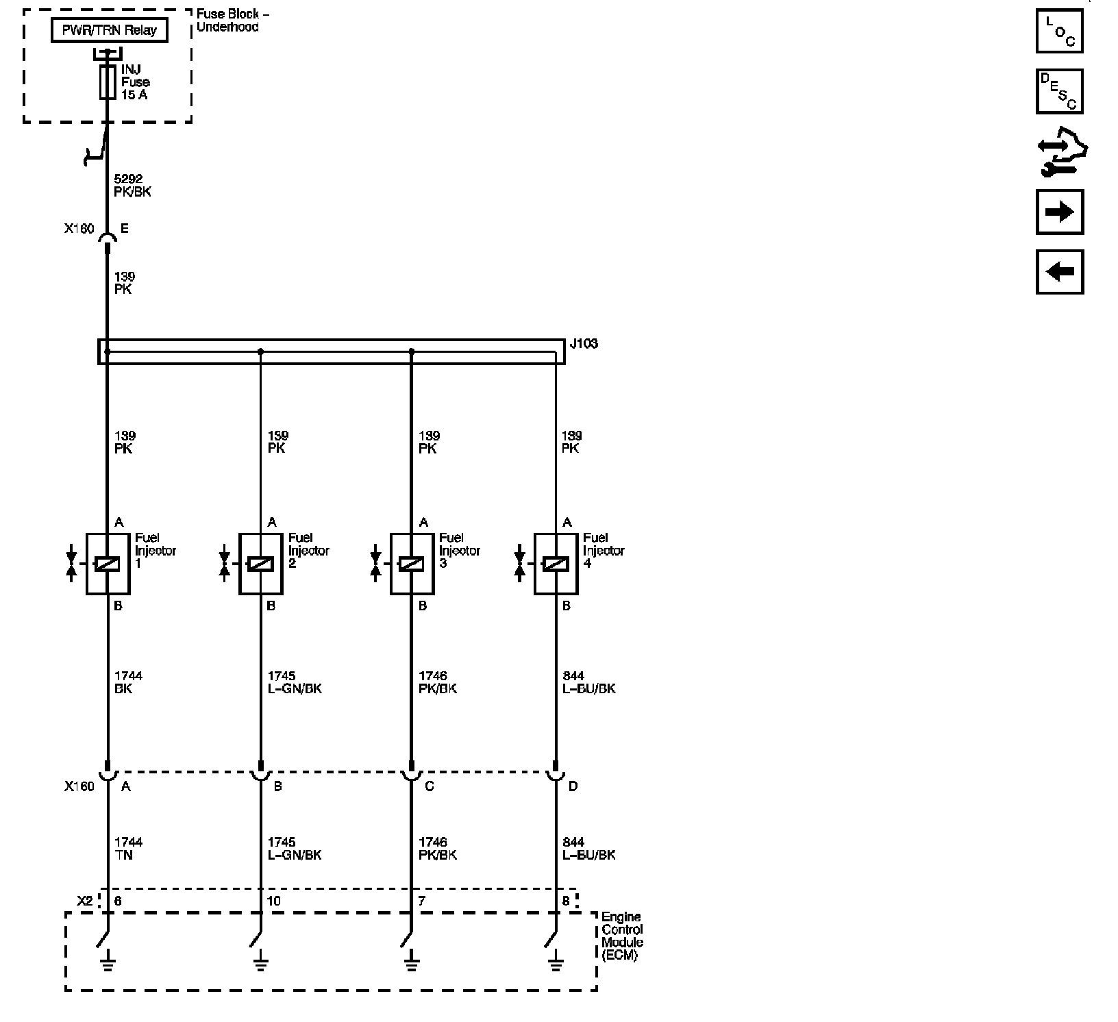
Fuel Controls, Injectors






EVAP Controls






Controlled/Monitored Subsystem Subsystem References