Curiosii for ever!
: Car repair manuals for everyone.
Home
>>
Pontiac
>>
2008
>>
G5 L4-2.2L
>>
Repair and Diagnosis
>>
Diagrams
>>
Electrical Diagrams
>>
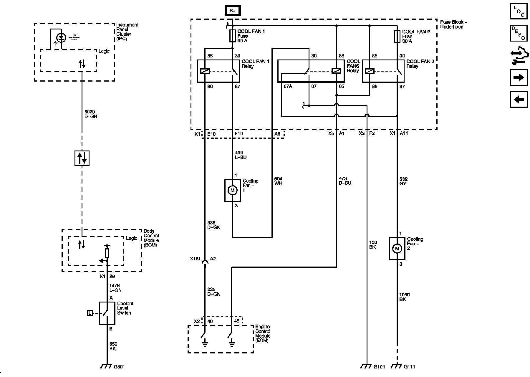
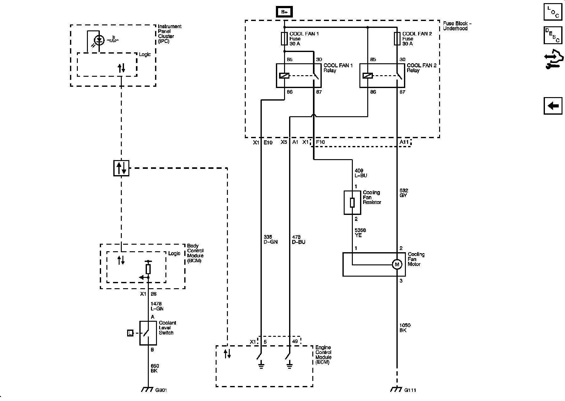
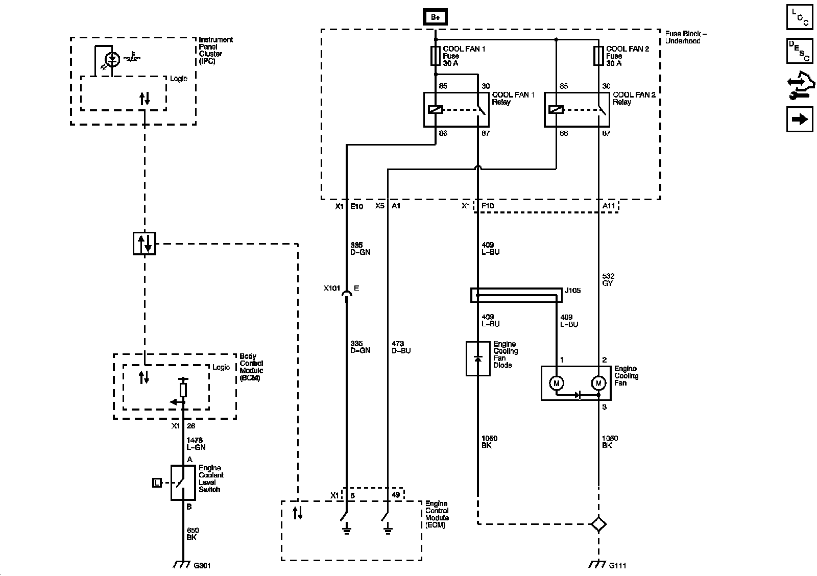
Cooling System
Cooling System
Engine Cooling Schematics
L61
LNF
LE5