Curiosii for ever!: Car repair manuals for everyone.

Notchback



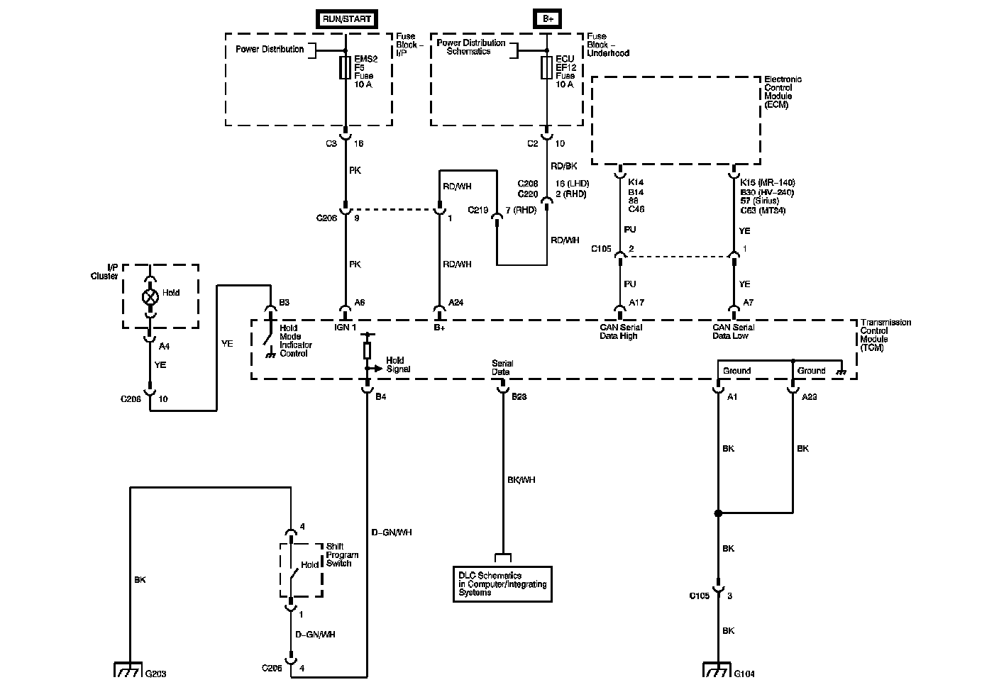
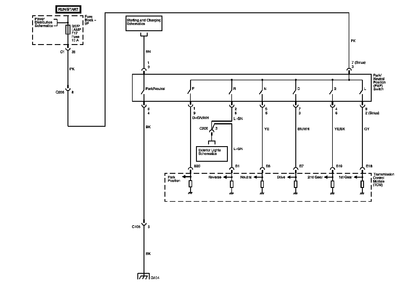
Automatic Transmission Controls Schematics (Notchback)

Automatic Transmission Controls Schematics (Notchback) 1:




Automatic Transmission Controls Schematics (Notchback) 2:




Automatic Transmission Controls Schematics (Notchback) 3:




Automatic Transmission Controls Schematics (Notchback) 4:





Locations: The locations for the Connectors, Grounds, Splices, and Grommets shown within these diagrams can be found via their numbers at Vehicle/Locations.Locations