Curiosii for ever!: Car repair manuals for everyone.

Engine Controls Schematics - Hatchback



ENGINE CONTROLS SCHEMATICS - HATCHBACK

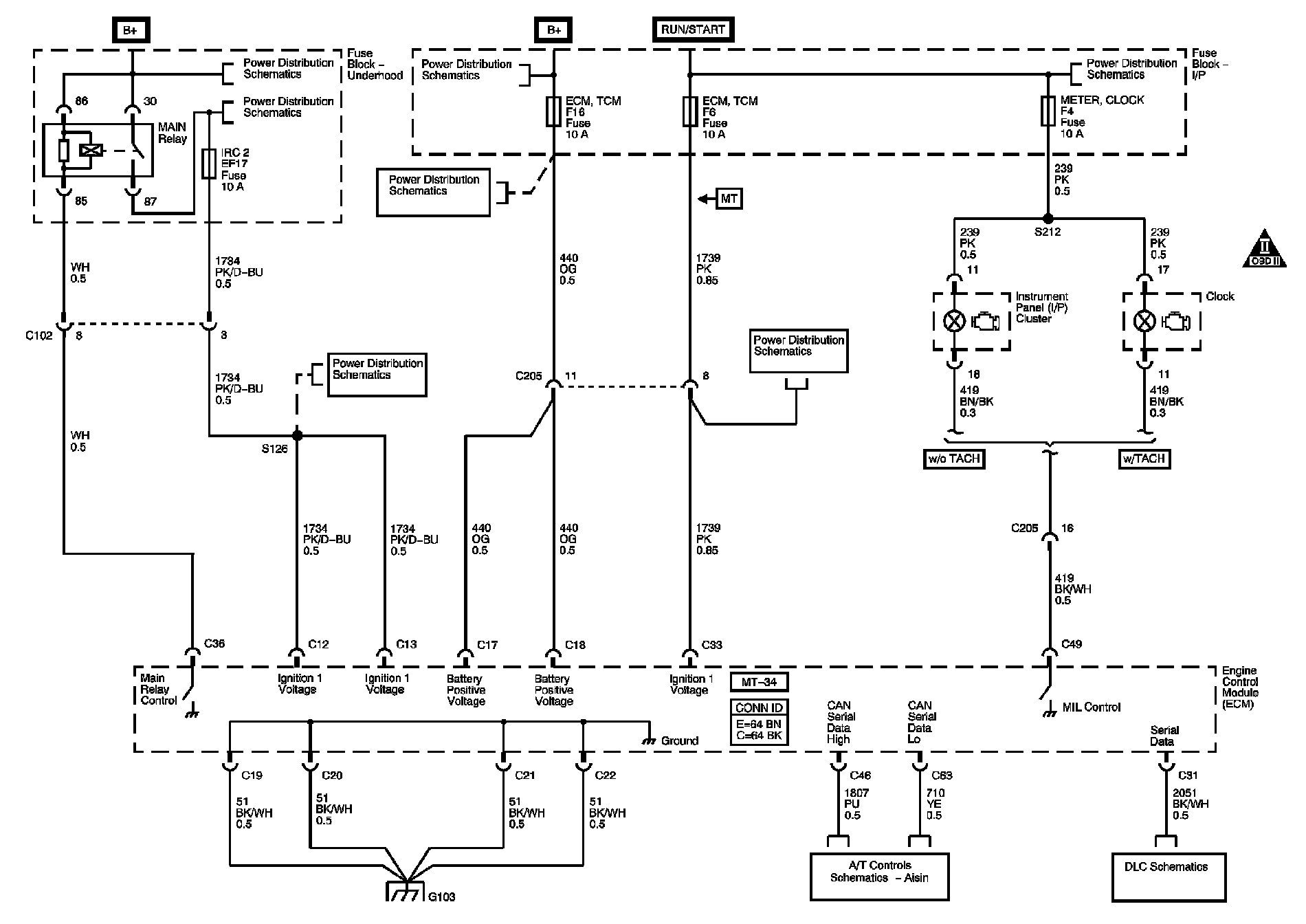
Power, Ground and MIL







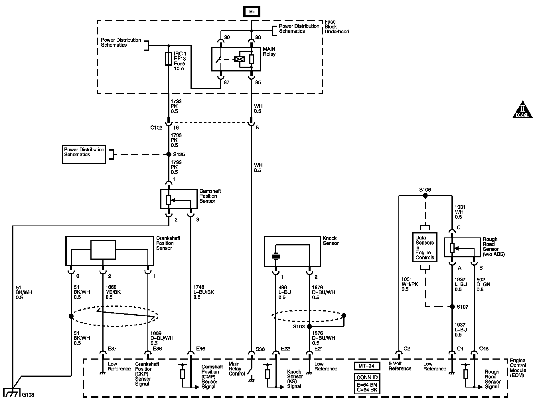
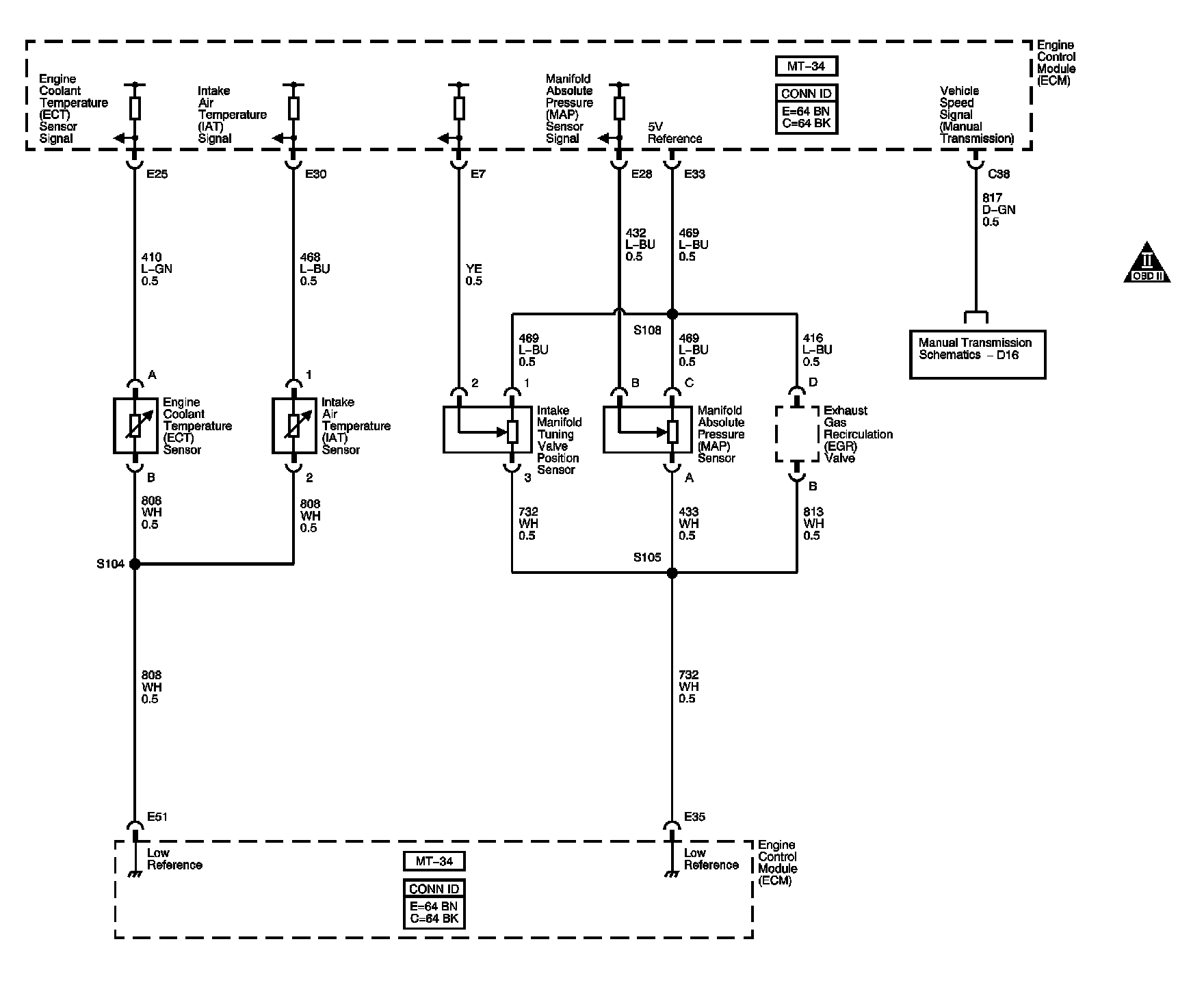
Data Sensors







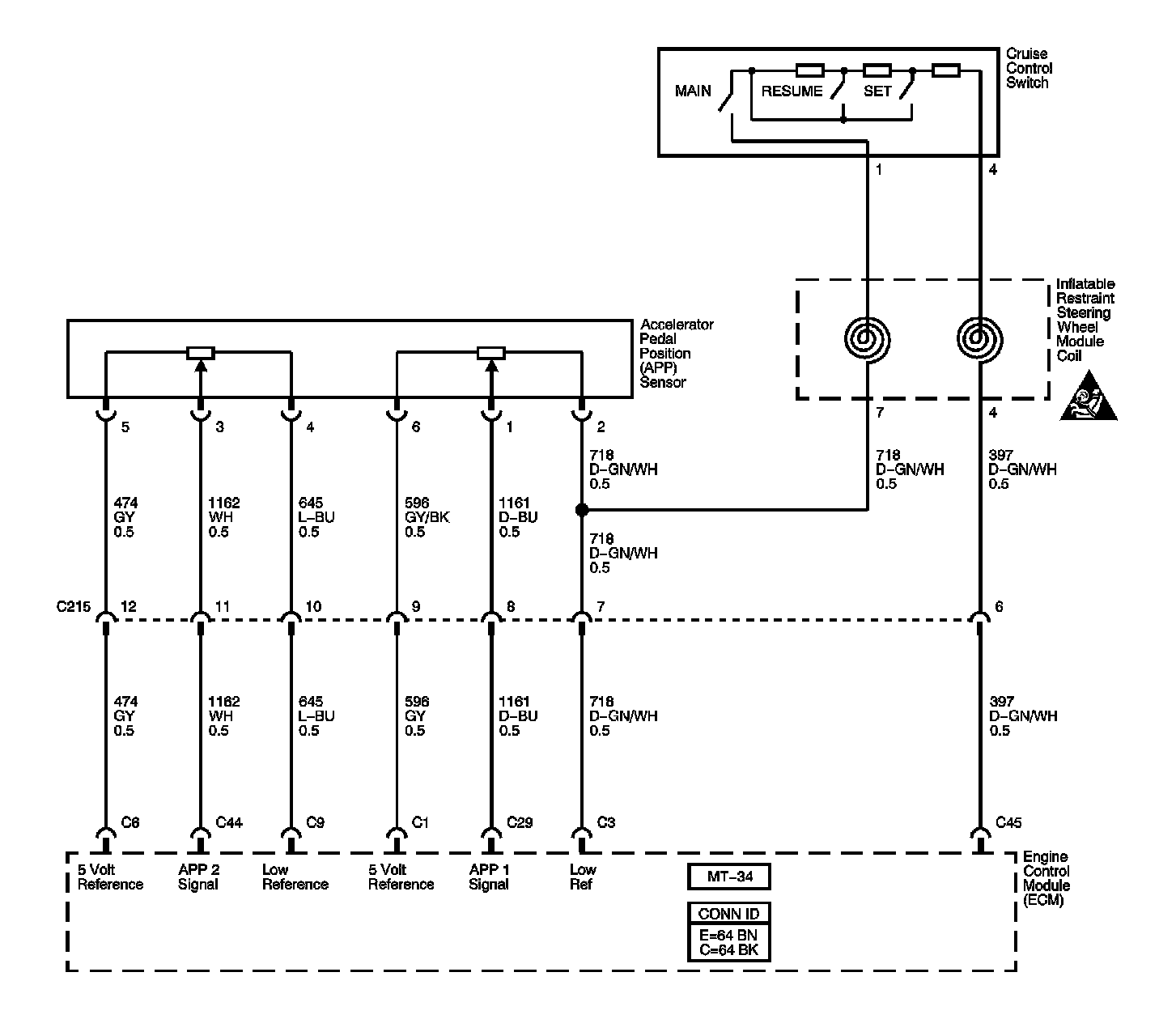
Accelerator Pedal Position (APP) Sensor







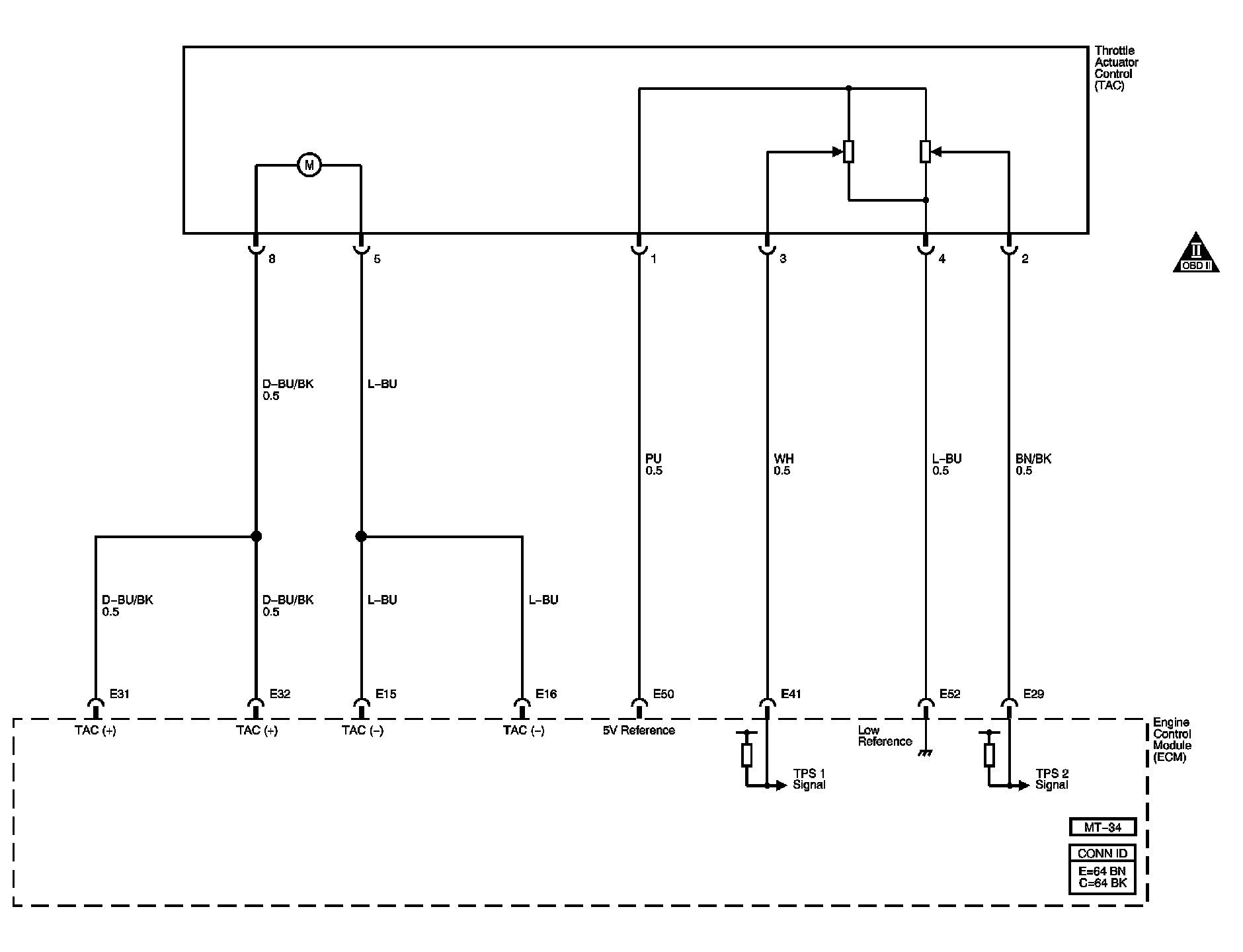
Throttle Actuator Control







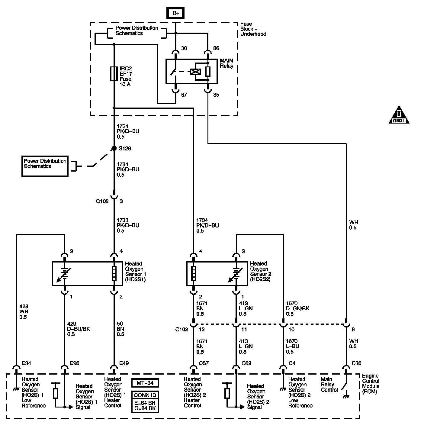
Oxygen Sensors







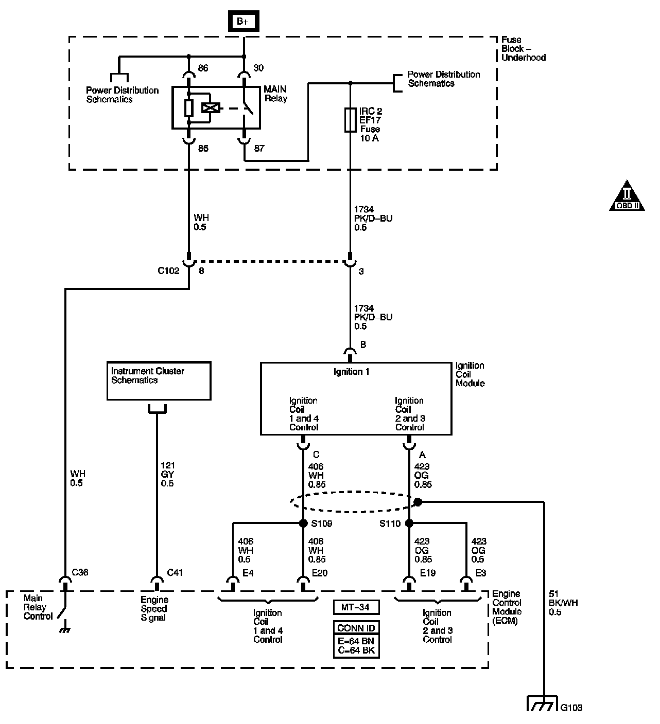
Ignition System







Ignition Sensors







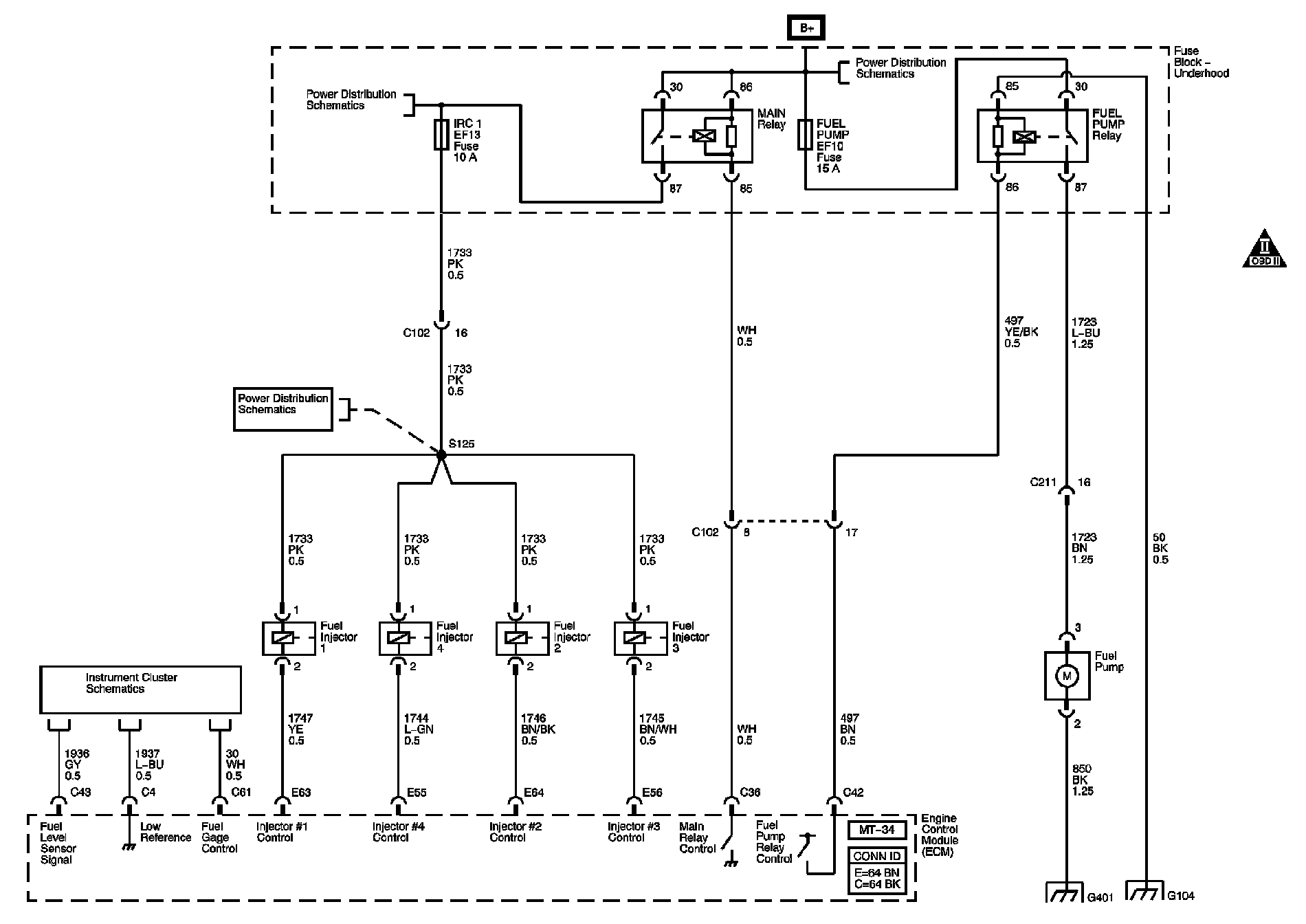
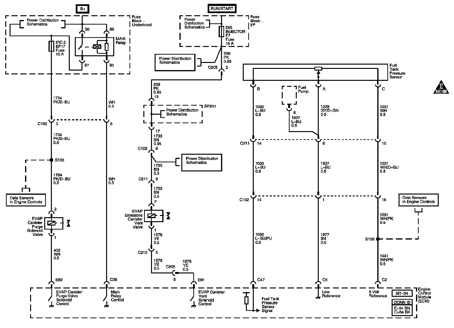
Fuel Injectors







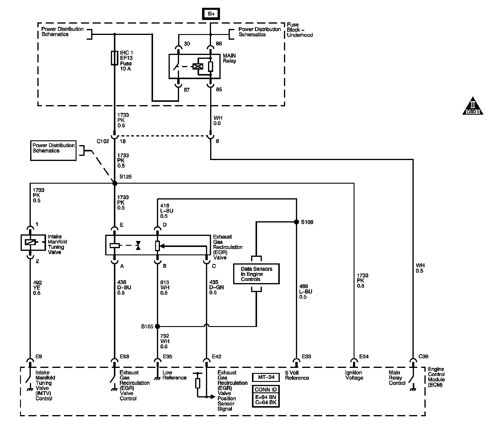
EVAP Controls







Intake, Exhaust Valves







Subsystem References







Locations: The locations for the Connectors, Grounds, Splices, and Grommets shown within these diagrams can be found via their numbers at Vehicle Locations. Locations