Curiosii for ever!
: Car repair manuals for everyone.
Home
>>
Pontiac
>>
2007
>>
Wave (CANADA) L4-1.6L
>>
Repair and Diagnosis
>>
Powertrain Management
>>
Computers and Control Systems
>>
Information Bus
>>
Diagrams
>>
Electrical Diagrams
>>
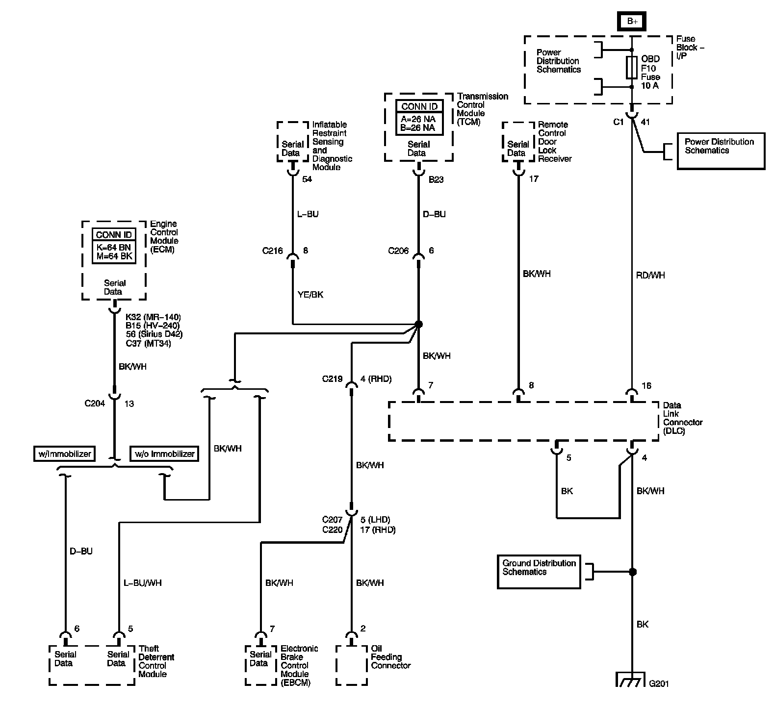
Data Communication Diagram (Notchback)
Data Communication Diagram (Notchback)
Data Communication Schematics (Notchback)
Locations:
The locations for the Connectors, Grounds, Splices, and Grommets shown within these diagrams can be found via their numbers at Vehicle Locations.
Locations