Curiosii for ever!: Car repair manuals for everyone.

Engine Controls Schematics - With Throttle Actuator Control



ENGINE CONTROLS SCHEMATICS - WITH THROTTLE ACTUATOR CONTROL

Engine Control Module Power, Ground, MIL







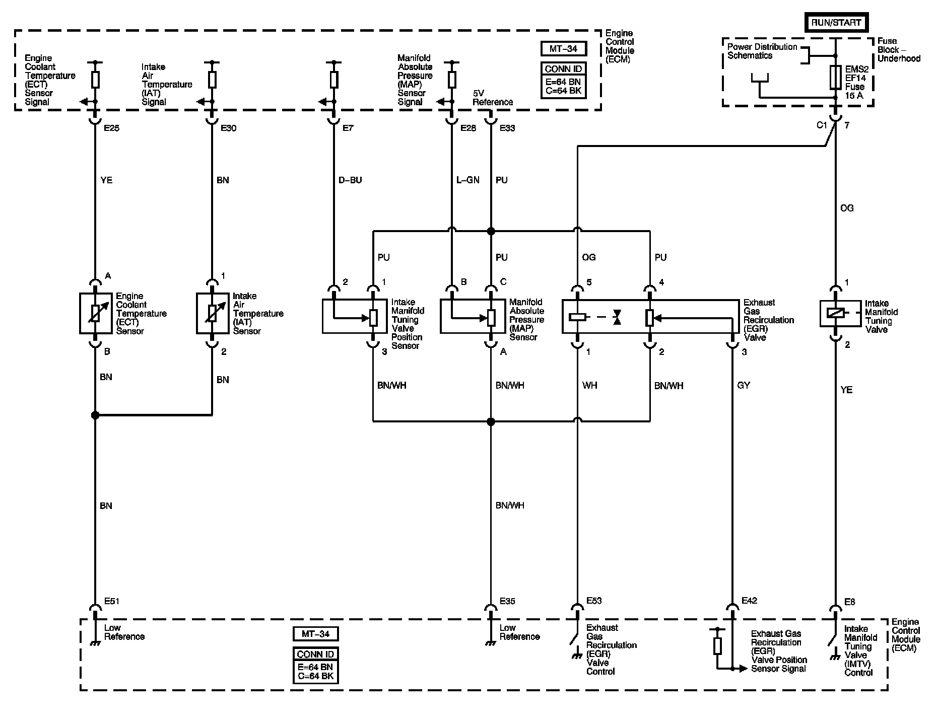
ECT, IAT, MAP, Sensors, Intake Manifold Tuning Valve and Position Sensor, EGR Valve







Electronic Throttle Control (ETC)







Accelerator Pedal Position (APP) Sensor, Cruise Control Switch







Heated Oxygen Sensors (HO2S)







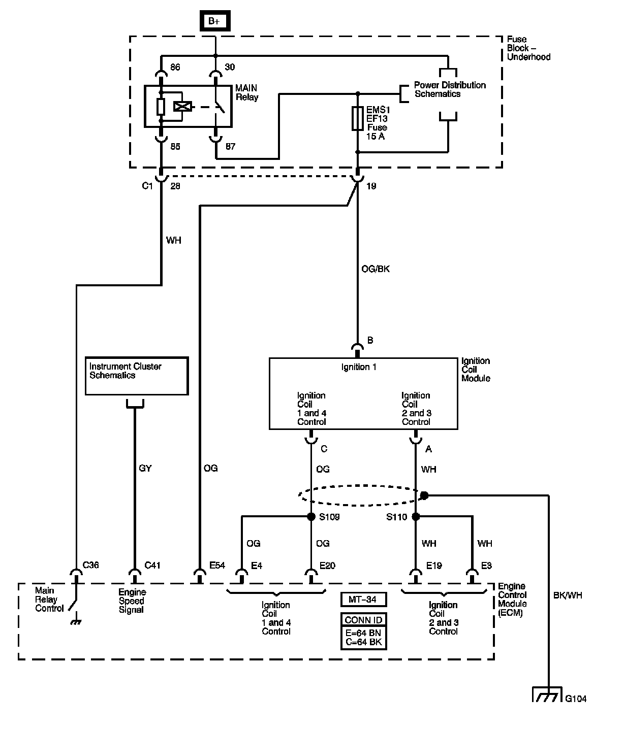
Ignition Coil Module







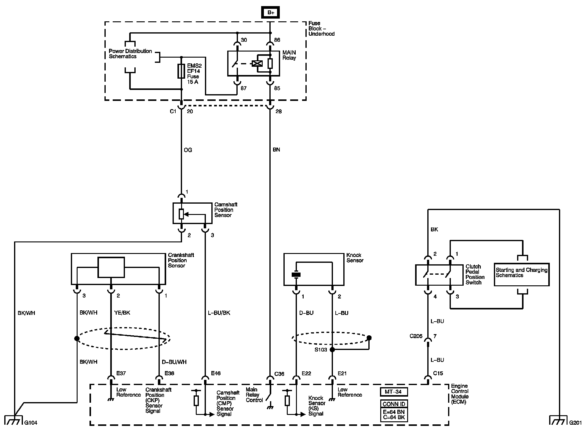
CKP, CMP, Knock Sensors, Clutch Pedal Position Switch







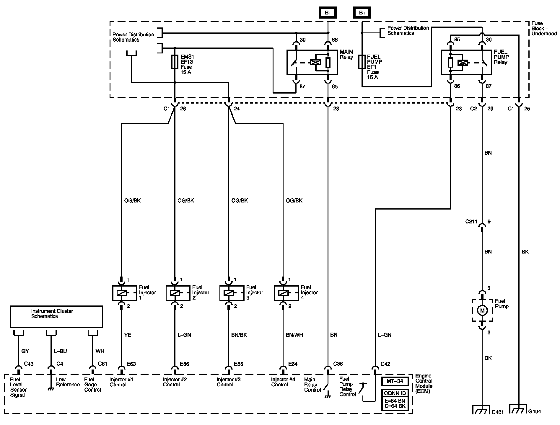
Fuel Pump and Injectors







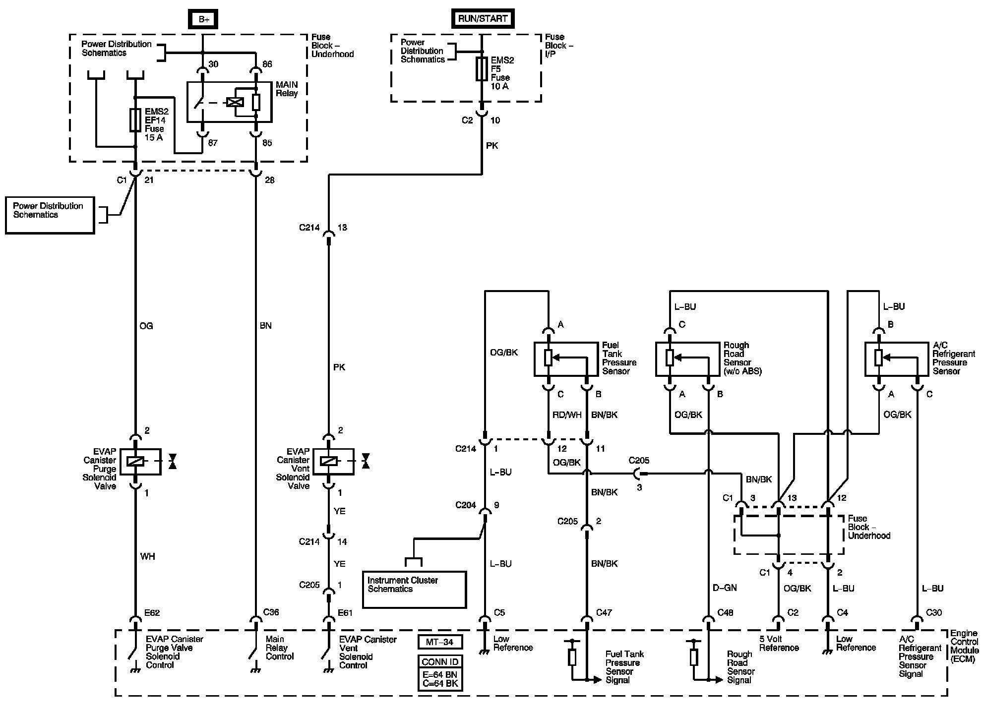
EVAP Valves, FTP, Rough Road, A/C Refrigerant Pressure Sensors







Controlled/Monitored Subsystem References







Locations: The locations for the Connectors, Grounds, Splices, and Grommets shown within these diagrams can be found via their numbers at Vehicle Locations. Locations